GM Service Manual Online
For 1990-2009 cars only
Makes
🢒
Cadillac
🢒
2004
🢒
DeVille
🢒 Column Shift
Column Shift
Column Shift
Master Electrical Component List
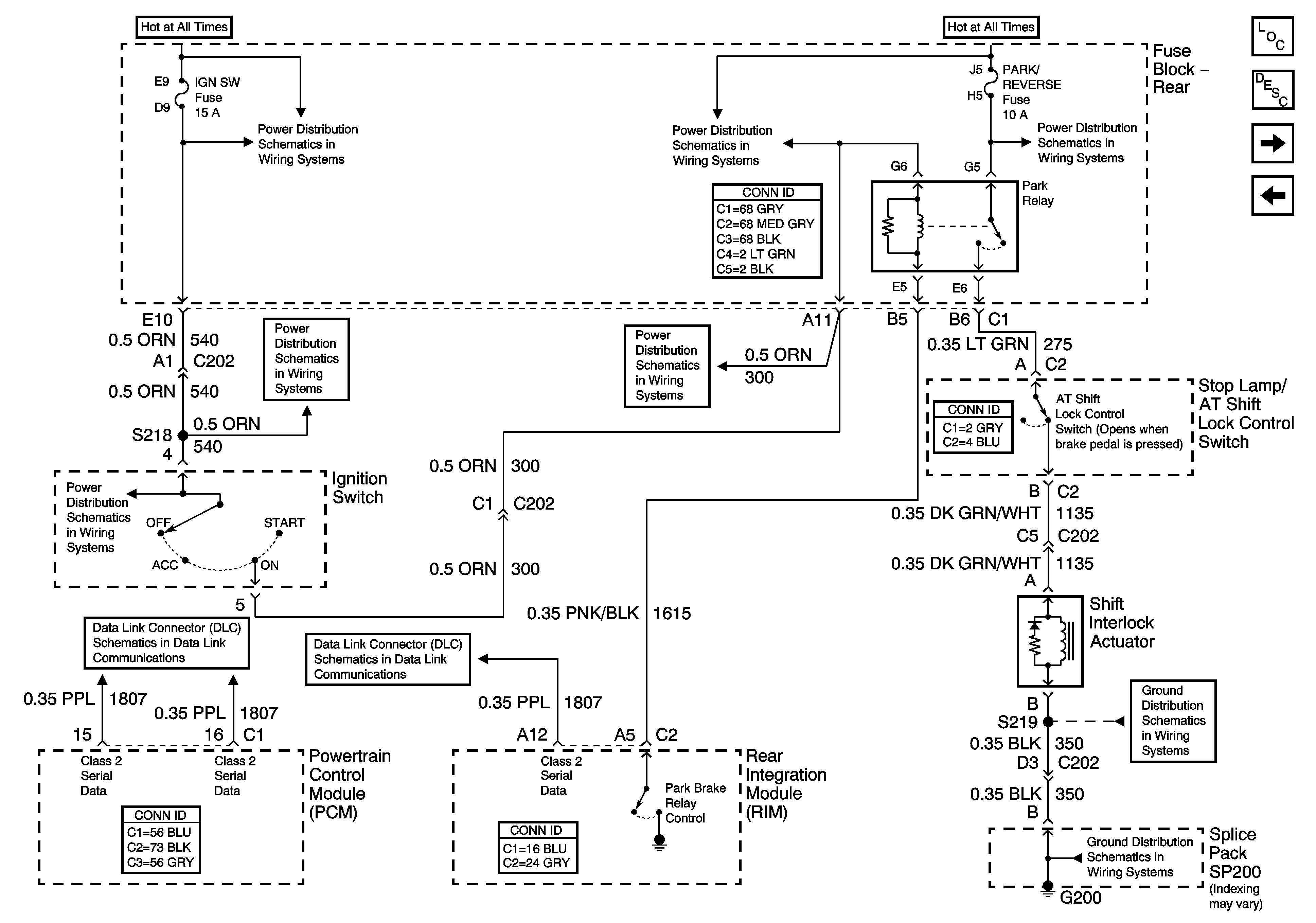
Automatic Transmission Shift Lock Control Description and Operation
Reverse Lockout
Console Shift
G201 (2 of 3)
G201 (2 of 3)
Class 2 Serial Data (1 of 3)
Class 2 Serial Data (1 of 3)
Class 2 Serial Data (1 of 3)
Rear Fuse Block- RR BLO, RRDR MDL, HVAC BAT, STOP LP, IGN SW, TSIG/HAZ Fuse
Ignition Switch
Class 2 Serial Data (3 of 3)
Class 2 Serial Data (3 of 3)
Rear Fuse Block Battery Voltage