GM Service Manual Online
For 1990-2009 cars only
Makes
🢒
Cadillac
🢒
2004
🢒
DeVille
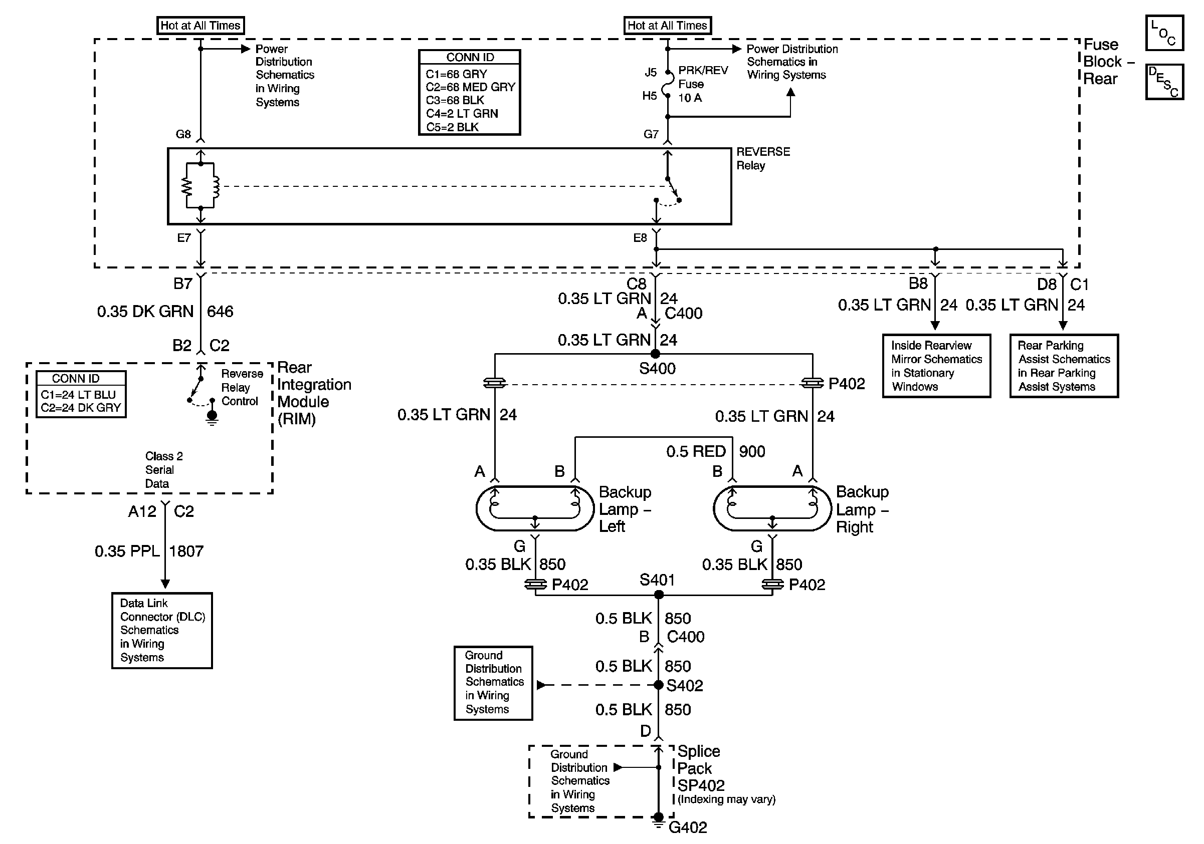
🢒 Backup Lamps Schematics
Backup Lamps Schematics
Master Electrical Component List
Exterior Lighting Systems Description and Operation
Headlamp Switch and Park Lamp Relay
License and Cornering Lamps
Rear Object Sensor Control Module Power and Ground
Inside Rearview Mirror Schematics
G402 (1 of 2)
G402 (1 of 2)
Class 2 Serial Data (1 of 3)
Rear Fuse Block Battery Voltage
Rear Fuse Block Battery Voltage