GM Service Manual Online
For 1990-2009 cars only
Makes
🢒
Cadillac
🢒
2004
🢒
DeVille
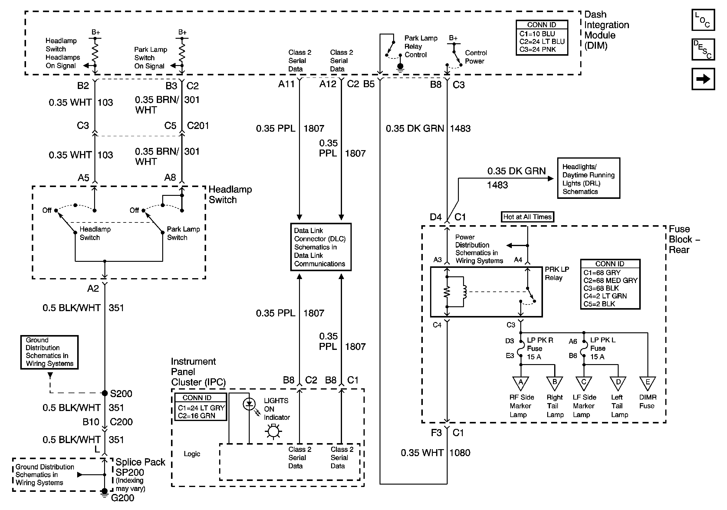
🢒 Headlamp Switch and Park Lamp Relay
Headlamp Switch and Park Lamp Relay
Headlamp Switch, Park Lamp Relay
Master Electrical Component List
Exterior Lighting Systems Description and Operation
Turn Signal/Hazard Flasher Module and Hazard Switch
Backup Lamps Schematics
Low Beam Headlamps (Domestic)
Rear Fuse Block- LP PK R and LP PK L Fuses, PRK LP Relay
Class 2 Serial Data (1 of 3)
G200
G200