GM Service Manual Online
For 1990-2009 cars only
Makes
🢒
Cadillac
🢒
2004
🢒
DeVille
🢒 Horns Schematics
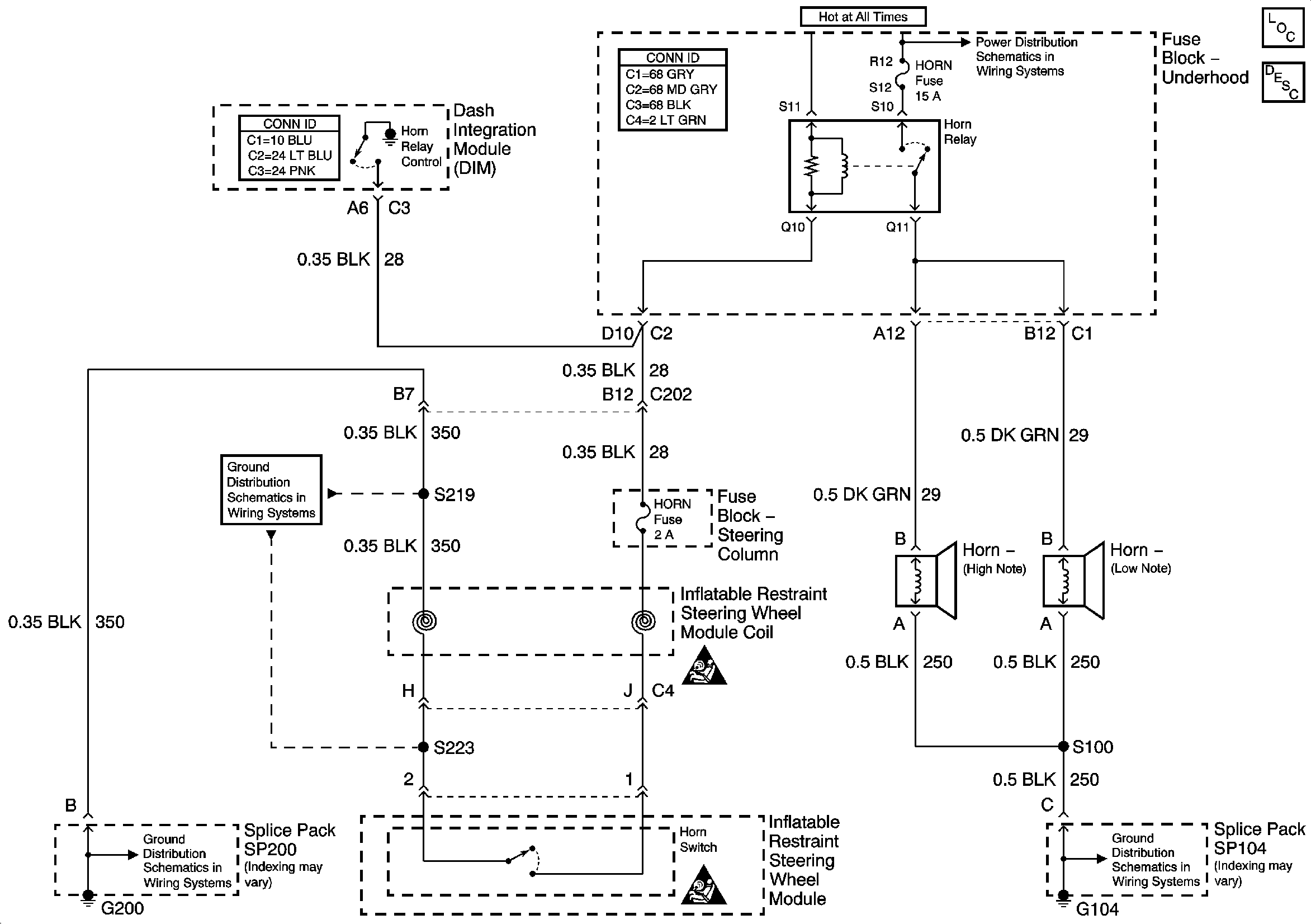
Horns Schematics
Master Electrical Component List
Horns System Description and Operation
Underhood Fuse Block Battery Voltage
G104
G200
SIR Caution for Zoning
SIR Caution for Zoning
G104