GM Service Manual Online
For 1990-2009 cars only
Makes
🢒
Cadillac
🢒
2004
🢒
DeVille
🢒 Front/Rear Position Sensors (w/A45/AC9)
Front/Rear Position Sensors (w/A45/AC9)
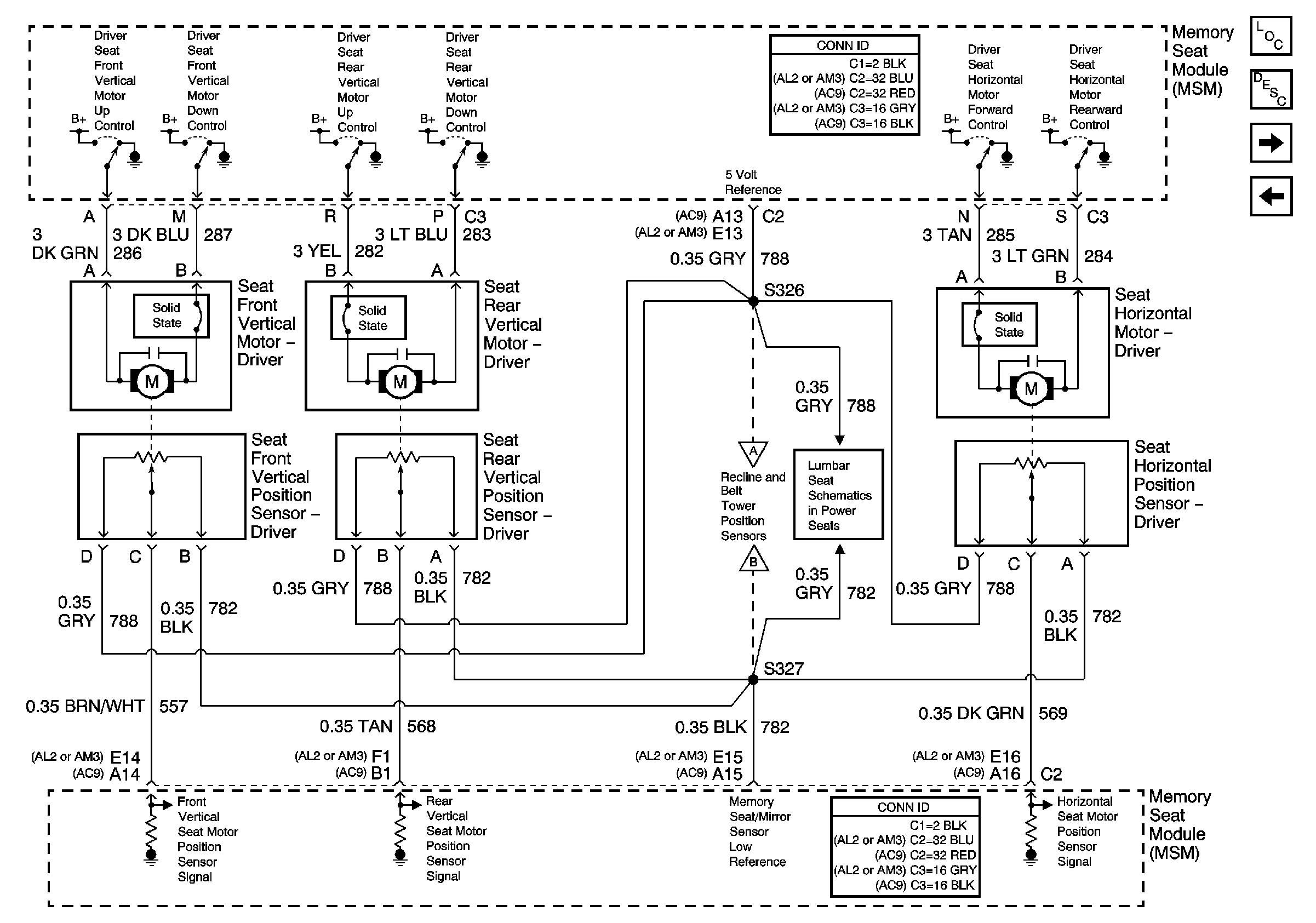
Driver Seat Vertical and Horizontal Position Sensors (w/A45/AC9)
Master Electrical Component List
Memory Seats Description and Operation
Recline Position Sensors and Class 2 (w/ A45)
Power and Ground (w/ A45)
Memory Lumbar Seat (w/ A45/AL2)
Recline Position Sensors and Class 2 (w/ A45)