GM Service Manual Online
For 1990-2009 cars only
Makes
🢒
Cadillac
🢒
2004
🢒
DeVille
🢒 Release Systems- Actuators and RIM
Release Systems- Actuators and RIM
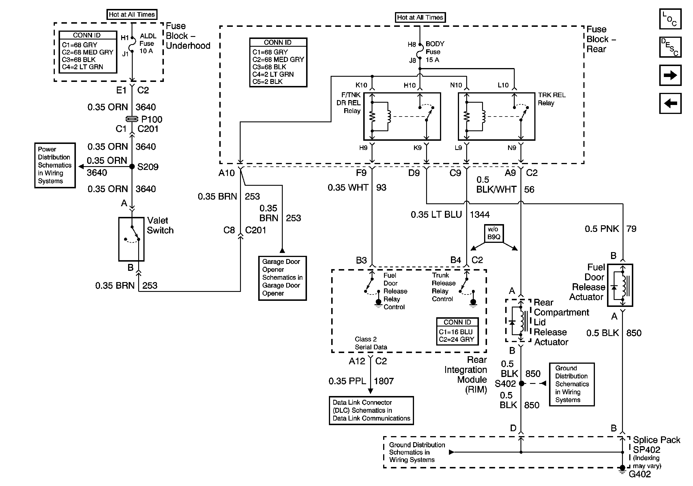
Release Actuators and Valet Switch
Master Electrical Component List
Fuel Fill Door Description and Operation
Rear Window Power Sunshade
Release Systems- IPM and Switch
Underhood Fuse Block- ALDL, PCM BATT, and I/P Fuse
Garage Door Opener Schematics
Class 2 Serial Data (2 of 3)
G402 (2 of 2)
G402 (1 of 2)