GM Service Manual Online
For 1990-2009 cars only
Makes
🢒
Cadillac
🢒
2004
🢒
DeVille
🢒 Rear Window Power Sunshade
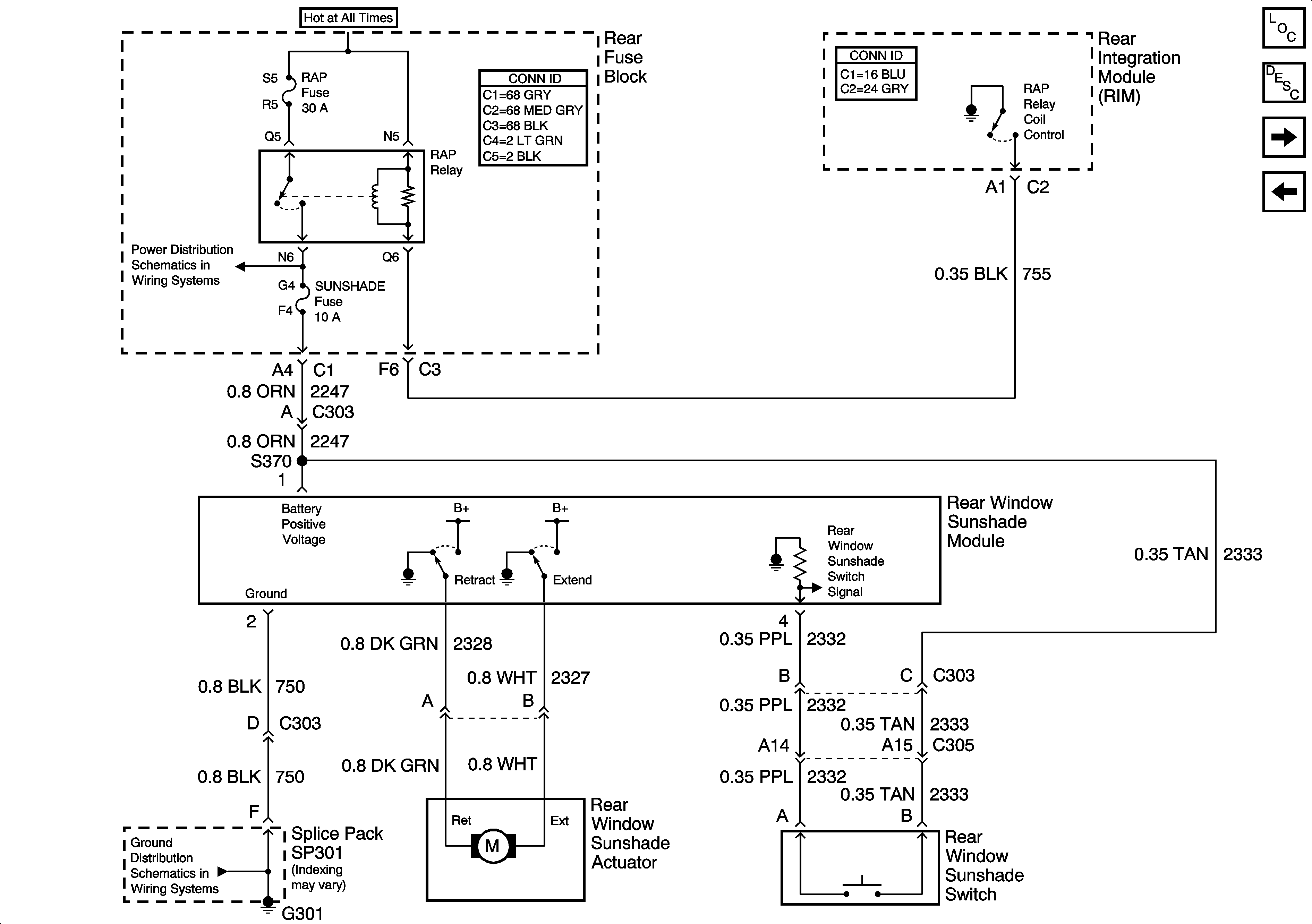
Rear Window Power Sunshade
Rear Window Power Sunshade
Master Electrical Component List
Rear Window Inside Sunshade Description and Operation
Rear Compartment Lid Ajar Signal
Release Systems- Actuators and RIM
Rear Fuse Block- CVRTD, CIGAR, and RAP Fuses and Relays
G301