GM Service Manual Online
For 1990-2009 cars only
Figure 1:

Generator and Battery


Object Number: 1411476  Size: FS
Master Electrical Component List
Charging System Description and Operation
Starting System
Class 2 Serial Data (1 of 3)
Rear Fuse Block Battery Voltage
Underhood Fuse Block Battery Voltage
Class 2 Serial Data (1 of 3)
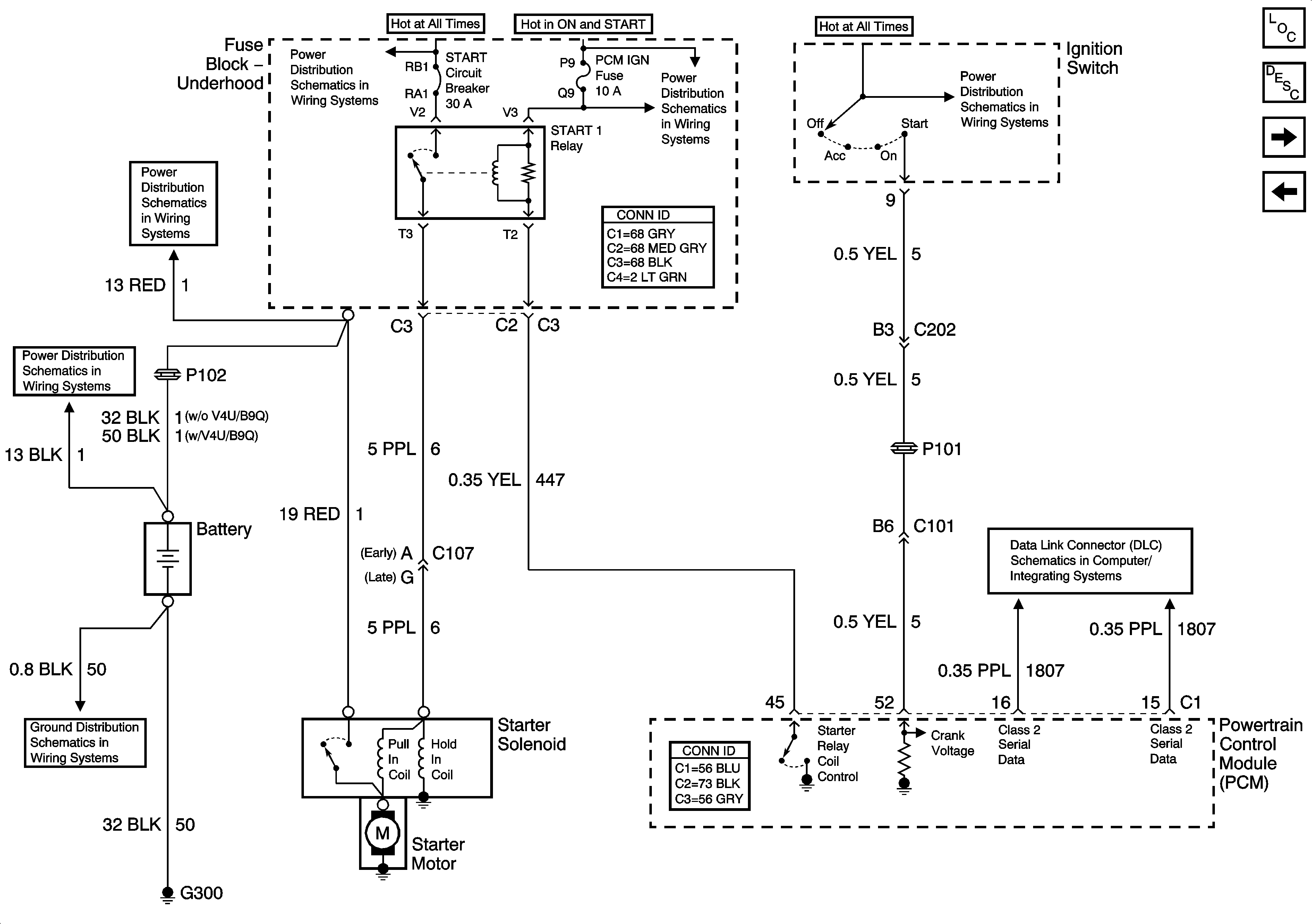
Figure 2:

Starter Solenoid Controls


Object Number: 1411477  Size: FS
Master Electrical Component List
Starting System Description and Operation
Auxiliary Generator (Limo only)
Generator and Battery
Rear Fuse Block Battery Voltage
Underhood Fuse Block Battery Voltage
Underhood Fuse Block Battery Voltage
Underhood Fuse Block Battery Voltage
Ignition Switch
G300, G303, G304, and G306
Class 2 Serial Data (1 of 3)
Figure 3:

Auxiliary Generator (Limo Only)


Object Number: 1411479  Size: FS
Master Electrical Component List
Charging System Description and Operation
Starting System
Underhood Fuse Block Battery Voltage