GM Service Manual Online
For 1990-2009 cars only
Figure 1:

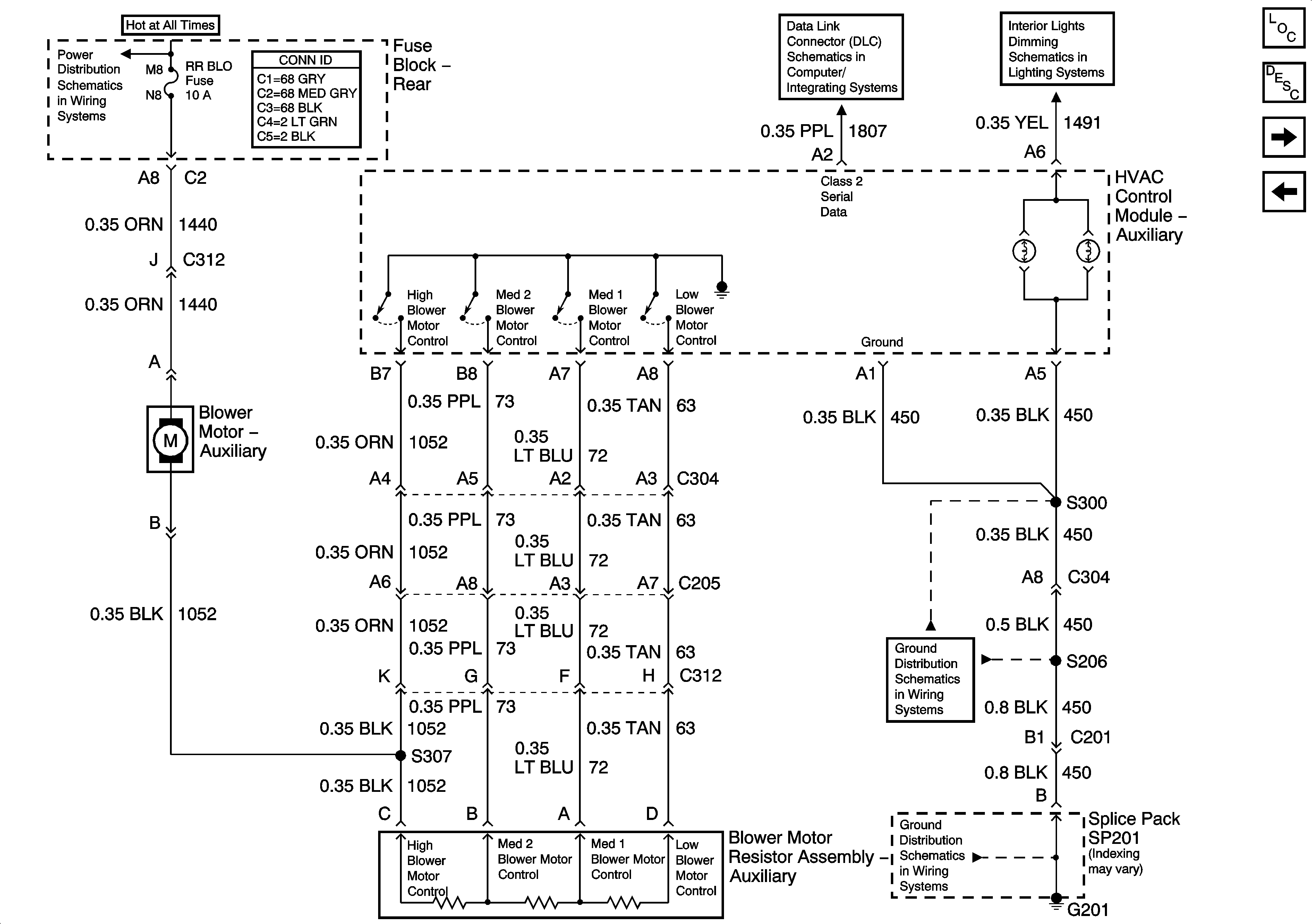
Front Blower Motor


Object Number: 1411411  Size: FS
Master Electrical Component List
Air Delivery Description and Operation
Rear Blower Motor (Deville/DHS)
HVAC BLO, DRV MDL, PASS MDL, PWR TT, HTDST LR, HTDST RR, HTDST RF, and DIM Fuses
G201 - 1 of 3
Figure 2:

Rear Blower Motor (Deville/DHS)


Object Number: 1411413  Size: FS
Master Electrical Component List
Air Delivery Description and Operation
Rear Blower Motor (DTS)
Front Blower Motor
Rear Fuse Block Battery Voltage
Class 2 Serial Data (3 of 3)
Console Dimming
G200
Figure 3:

Rear Blower Motor (DTS)


Object Number: 1411414  Size: FS
Master Electrical Component List
Air Delivery Description and Operation
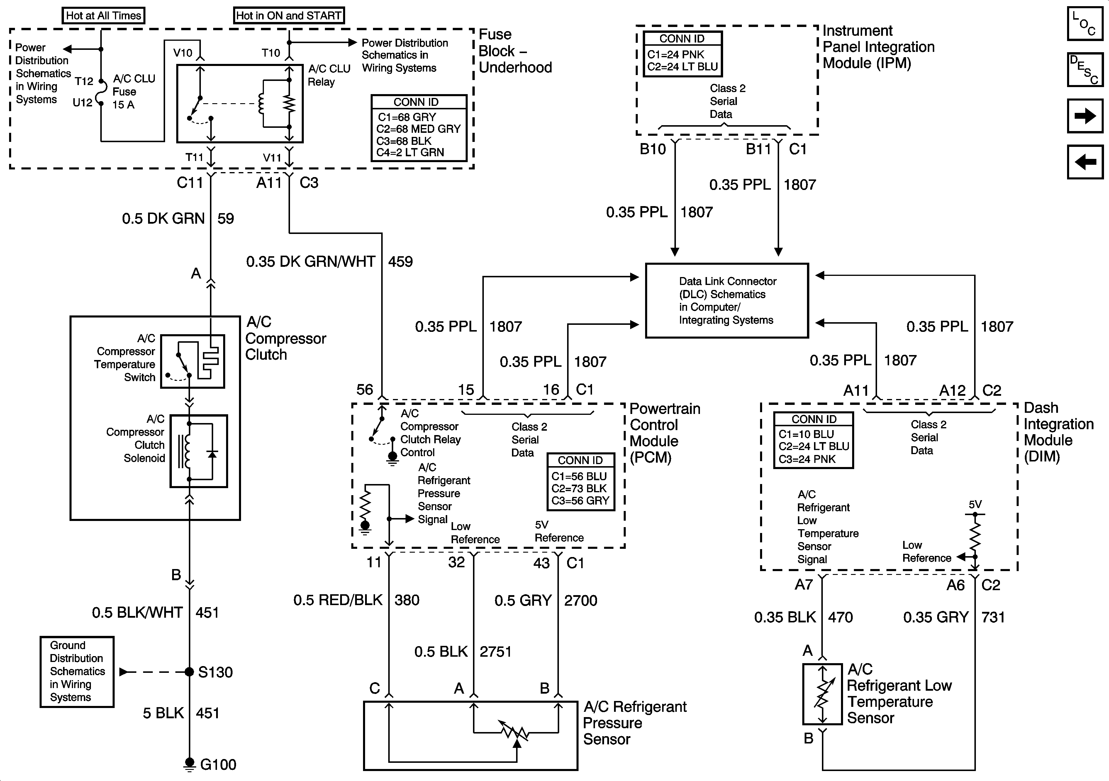
A/C Compressor Control
Rear Blower Motor (Deville/DHS)
RR BLO, RRDR MDL, HVAC BAT, STOP LP, IGN SW, and TSIG/HAZ Fuses
Class 2 Serial Data (3 of 3)
Console Dimming
G201 - 2 of 3
G201 - 2 of 3
Figure 4:

HVAC Compressor Control


Object Number: 1411416  Size: FS
Master Electrical Component List
Air Delivery Description and Operation
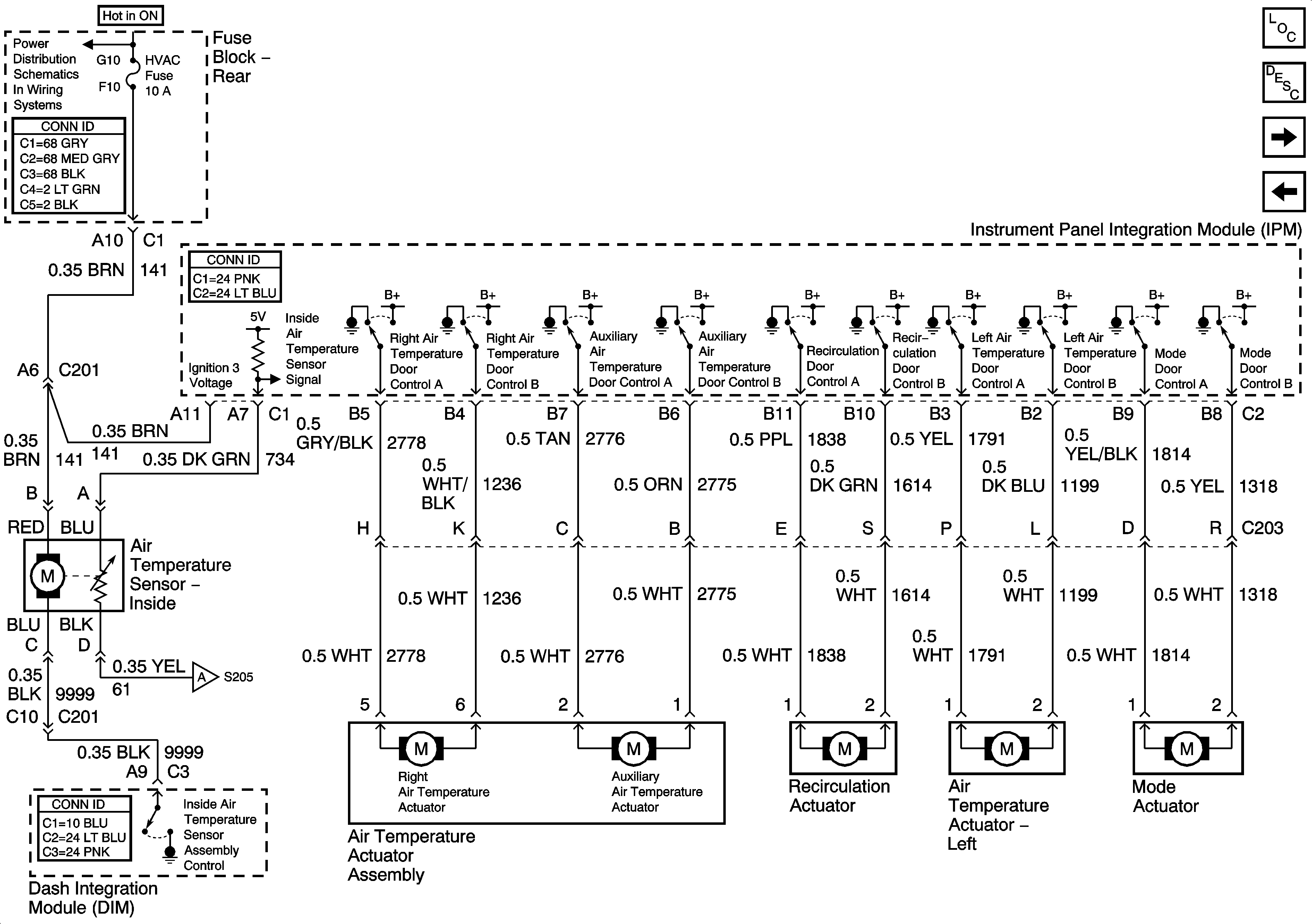
Actuators and Inside Air Temperature Sensor
Rear Blower Motor (DTS)
Underhood Fuse Block Battery Voltage
Underhood Fuse Block Battery Voltage
Class 2 Serial Data (1 of 3)
G100
Figure 5:

Actuators and Air Temperature Control


Object Number: 1411418  Size: FS
Master Electrical Component List
Air Temperature Description and Operation
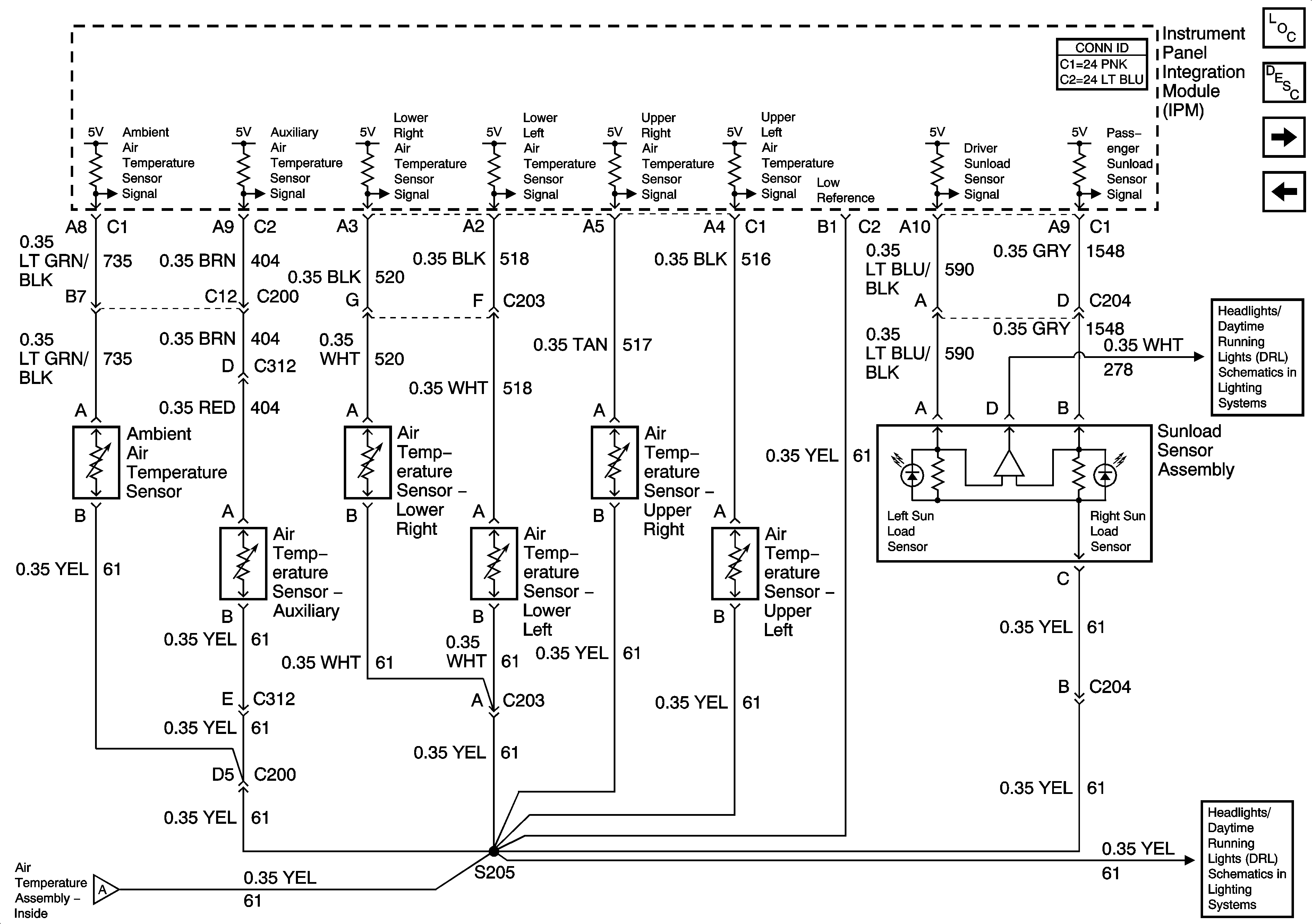
Air Temperature and Sunload Sensor
A/C Compressor Control
ELC, NIGHT VISION, HVAC, and ABS Fuses and ELC Relay
Air Temperature and Sunload Sensor
Figure 6:

Temperature Sensors


Object Number: 1411420  Size: FS
Master Electrical Component List
Air Temperature Description and Operation
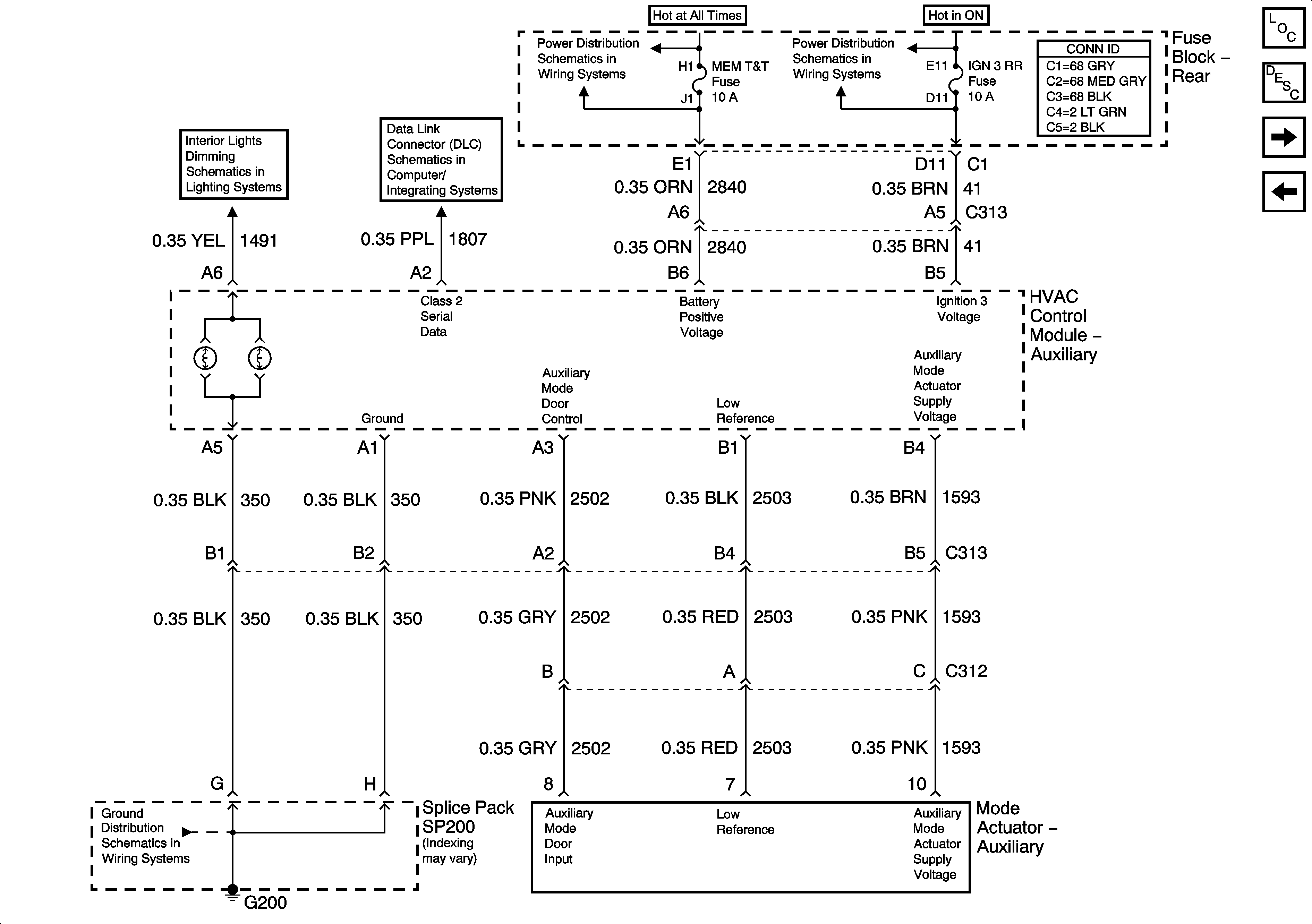
Auxiliary Mode Actuator (Deville/DHS)
Actuators and Inside Air Temperature Sensor
Headlamp Switch (Domestic)
Actuators and Inside Air Temperature Sensor
Headlamp Switch (Domestic)
Figure 7:

Rear Actuator (DeVille/DHS)


Object Number: 1411424  Size: FS
Master Electrical Component List
Air Delivery Description and Operation
Auxiliary Mode Actuator (DTS)
Air Temperature and Sunload Sensor
Console Dimming
Class 2 Serial Data (3 of 3)
MEM TT, RRLUM/PWR ANT, and HTDST LF Fuses
IGN 3 Relay and IGN 3 RR Fuse
G200
Figure 8:

Rear Actuator (DTS)


Object Number: 1411426  Size: FS
Master Electrical Component List
Air Delivery Description and Operation
Steering Wheel Controls
Auxiliary Mode Actuator (Deville/DHS)
Console Dimming
Class 2 Serial Data (3 of 3)
MEM TT, RRLUM/PWR ANT, and HTDST LF Fuses
IGN 3 Relay and IGN 3 RR Fuse
IGN 3 Relay and IGN 3 RR Fuse
G201 - 2 of 3
G201 - 2 of 3
Figure 9:

Steering Wheel Controls


Object Number: 1386578  Size: FS
Master Electrical Component List
Air Delivery Description and Operation
Auxiliary Mode Actuator (DTS)
SIR Caution for Zoning