GM Service Manual Online
For 1990-2009 cars only
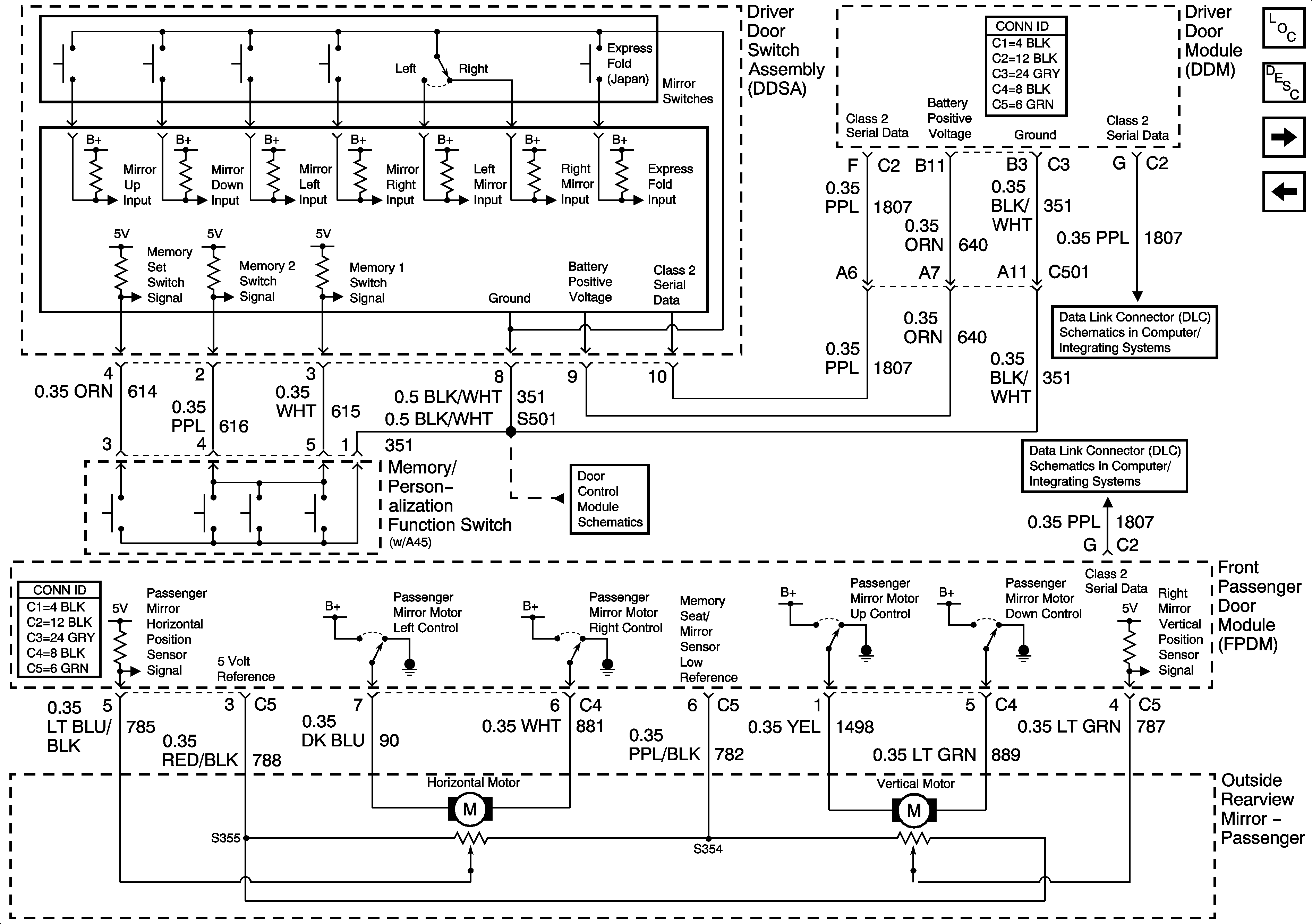
Figure 1:

Outside Mirrors


Object Number: 1412315  Size: FS
Master Electrical Component List
Power Door Locks Description and Operation
Left Power Mirror w/ Memory (A45)
Class 2 Serial Data (2 of 3)
Class 2 Serial Data (3 of 3)
Driver Door Switch Assembly (DDSA) Power, Ground, Inputs and Outputs
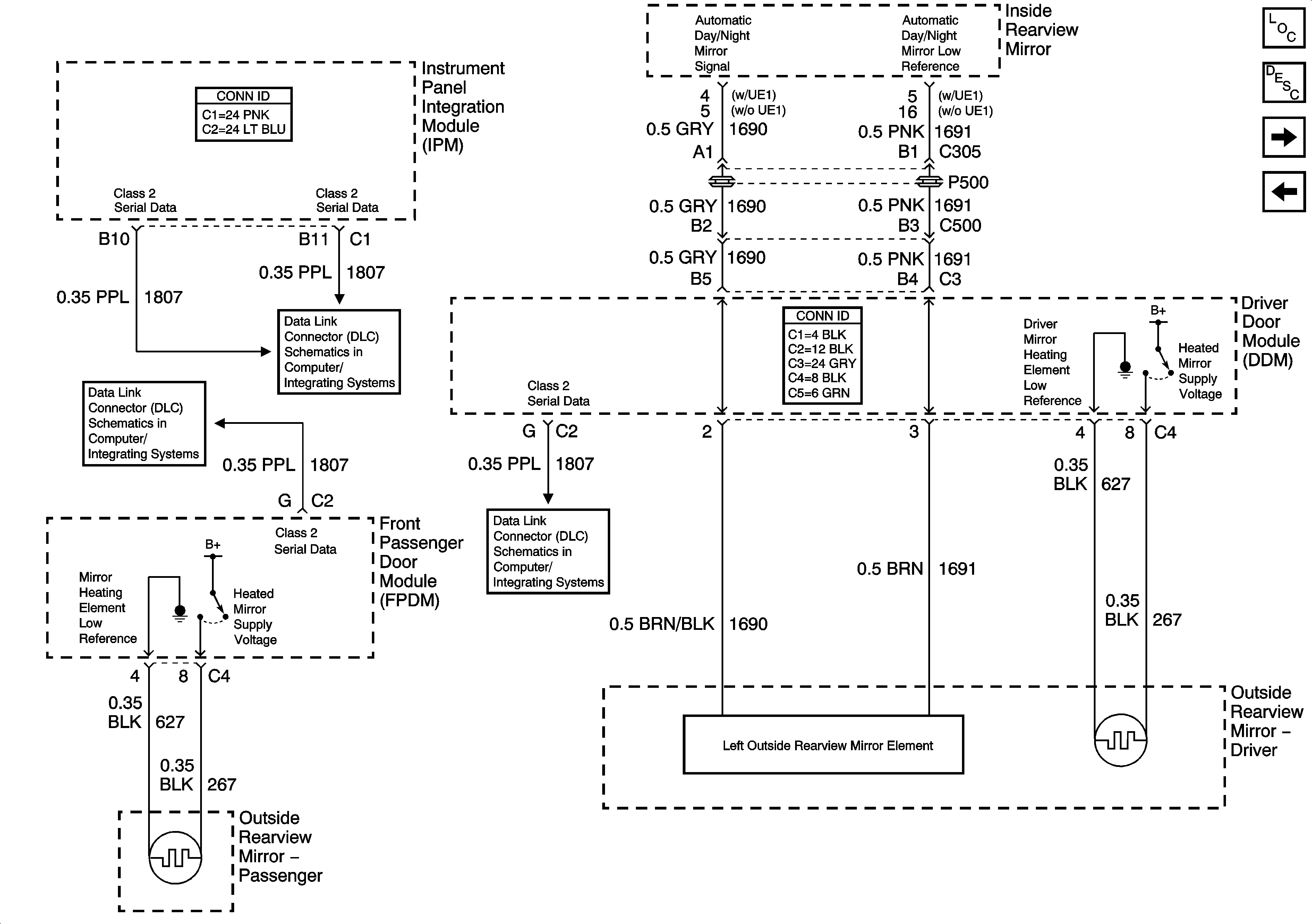
Figure 2:

Left Power Mirror w/Memory (A45)


Object Number: 1412318  Size: FS
Master Electrical Component List
Power Door Locks Description and Operation
Right Power Mirror w/ Memory (A45)
Outside Mirrors
Class 2 Serial Data (3 of 3)
Driver Door Switch Assembly (DDSA) Power, Ground, Inputs and Outputs
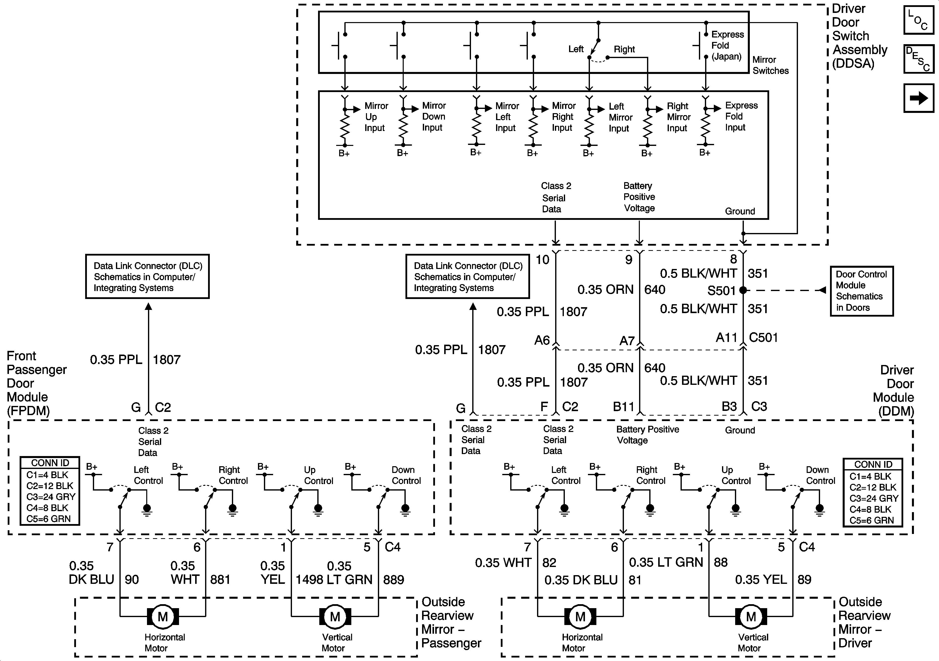
Figure 3:

Right Power Mirror w/Memory (A45)


Object Number: 1412337  Size: FS
Master Electrical Component List
Power Door Locks Description and Operation
Heated Mirrors
Left Power Mirror w/ Memory (A45)
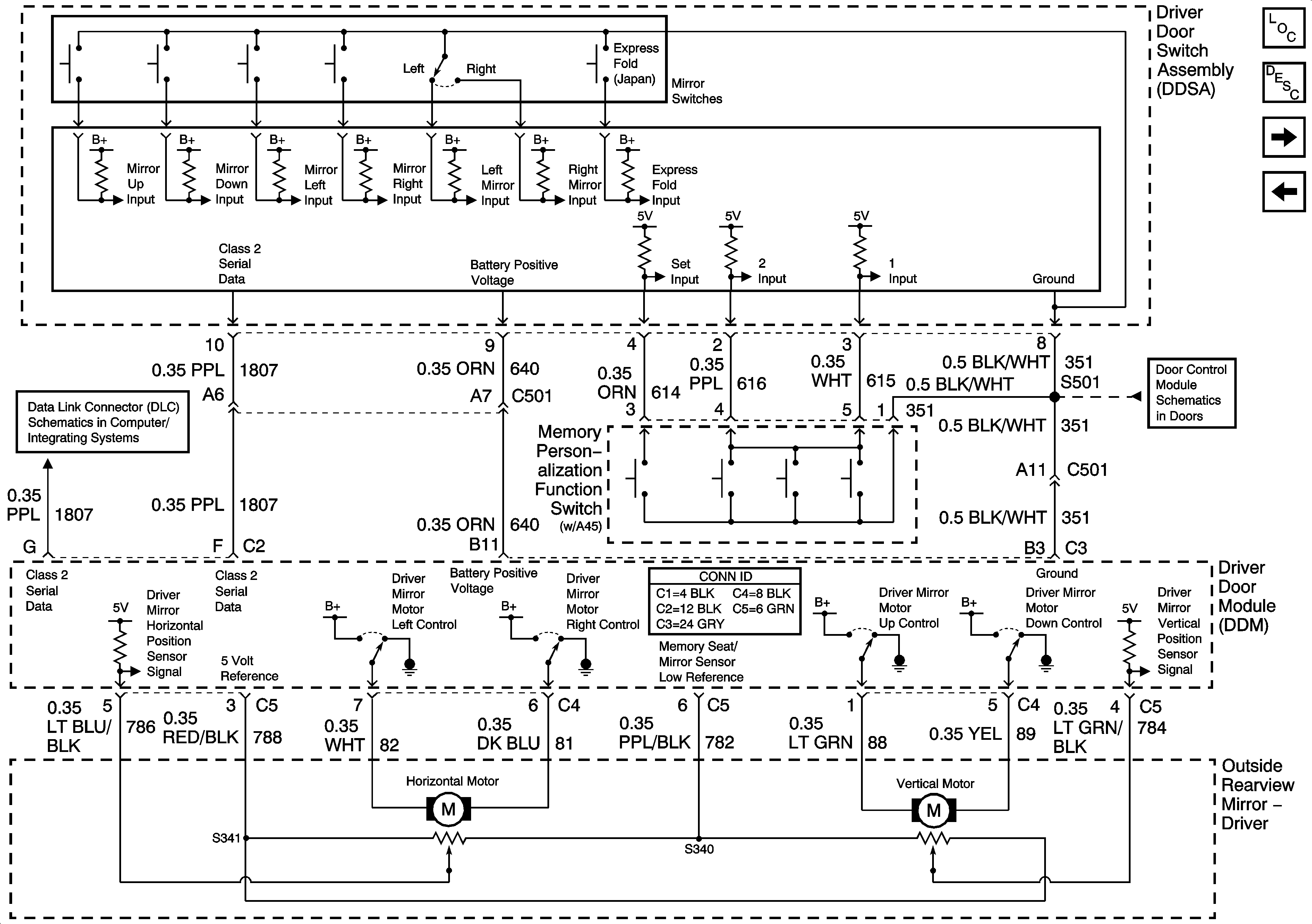
Driver Door Switch Assembly (DDSA) Internal Details w/ Memory (A45)
Class 2 Serial Data (3 of 3)
Class 2 Serial Data (2 of 3)
Figure 4:

Heated Mirrors


Object Number: 1412339  Size: FS
Master Electrical Component List
Power Door Locks Description and Operation
Express Folding Mirrors (Japan)
Right Power Mirror w/ Memory (A45)
Class 2 Serial Data (2 of 3)
Class 2 Serial Data (1 of 3)
Class 2 Serial Data (3 of 3)
Figure 5:

Express Folding Mirrors (Japan)


Object Number: 1412354  Size: FS
Master Electrical Component List
Power Door Locks Description and Operation
Heated Mirrors
Class 2 Serial Data (2 of 3)
Class 2 Serial Data (3 of 3)
Driver Door Switch Assembly (DDSA) Power, Ground, Inputs and Outputs