GM Service Manual Online
For 1990-2009 cars only
Makes
🢒
Cadillac
🢒
2005
🢒
DeVille
🢒 Gages
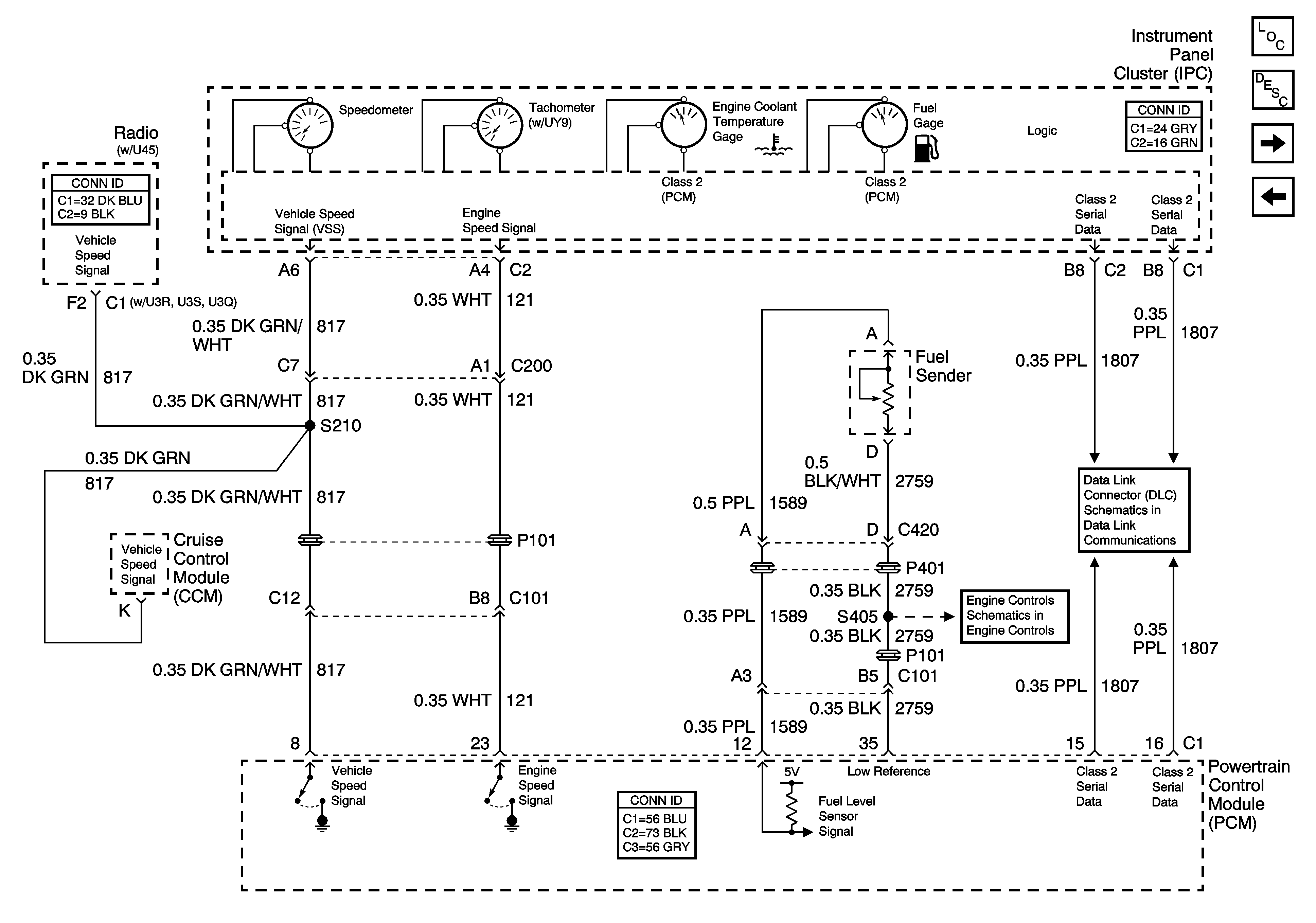
Gages
Gages and Class 2
Master Electrical Component List
Instrument Cluster Description and Operation
Brakes and Engine Indicators
Power, Ground, Class 2 and 54 V, and VF Display Supply
MAF, VSS, Stop Lamp Switch
Class 2 Serial Data (1 of 3)
Engine Data Sensors- 5 Volt and Low Reference