GM Service Manual Online
For 1990-2009 cars only
Makes
🢒
Cadillac
🢒
2005
🢒
DeVille
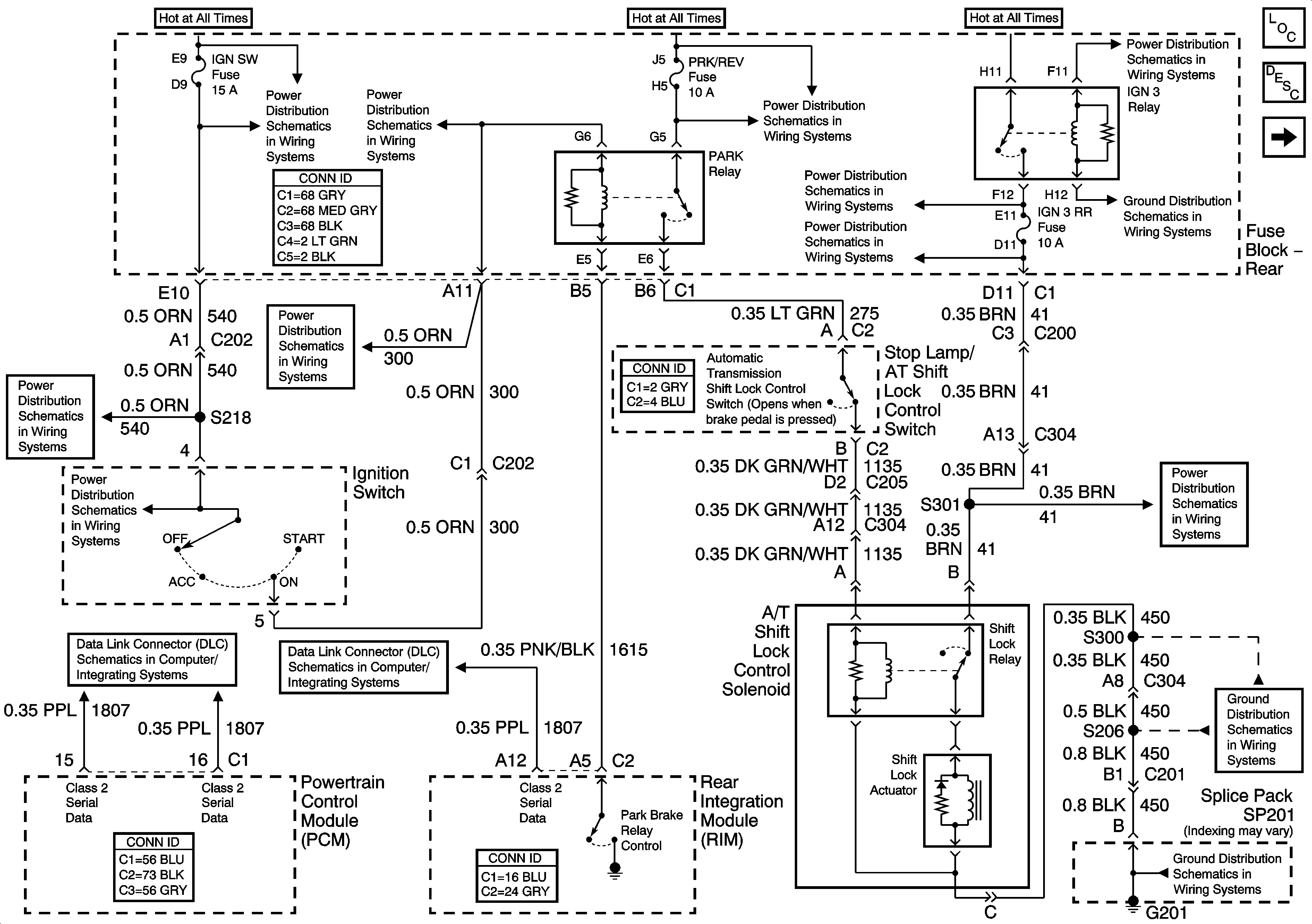
🢒 Console Shift
Console Shift
Console Shift
Master Electrical Component List
Automatic Transmission Shift Lock Control Description and Operation
Column Shift
Rear Fuse Block Battery Voltage
Ignition Feeds to Underhood and Rear Fuse Blocks
Rear Fuse Block Battery Voltage
Rear Fuse Block Battery Voltage
IGN 3 Relay and IGN 3 RR Fuse
Ignition Feeds to Underhood and Rear Fuse Blocks
G301
Ignition Switch
Ignition Switch
Ignition Feeds to Underhood and Rear Fuse Blocks
Class 2 Serial Data (1 of 3)
Class 2 Serial Data (2 of 3)
IGN 3 Relay and IGN 3 RR Fuse
G201 - 2 of 3
G201 - 2 of 3