GM Service Manual Online
For 1990-2009 cars only
Makes
🢒
Cadillac
🢒
2005
🢒
DeVille
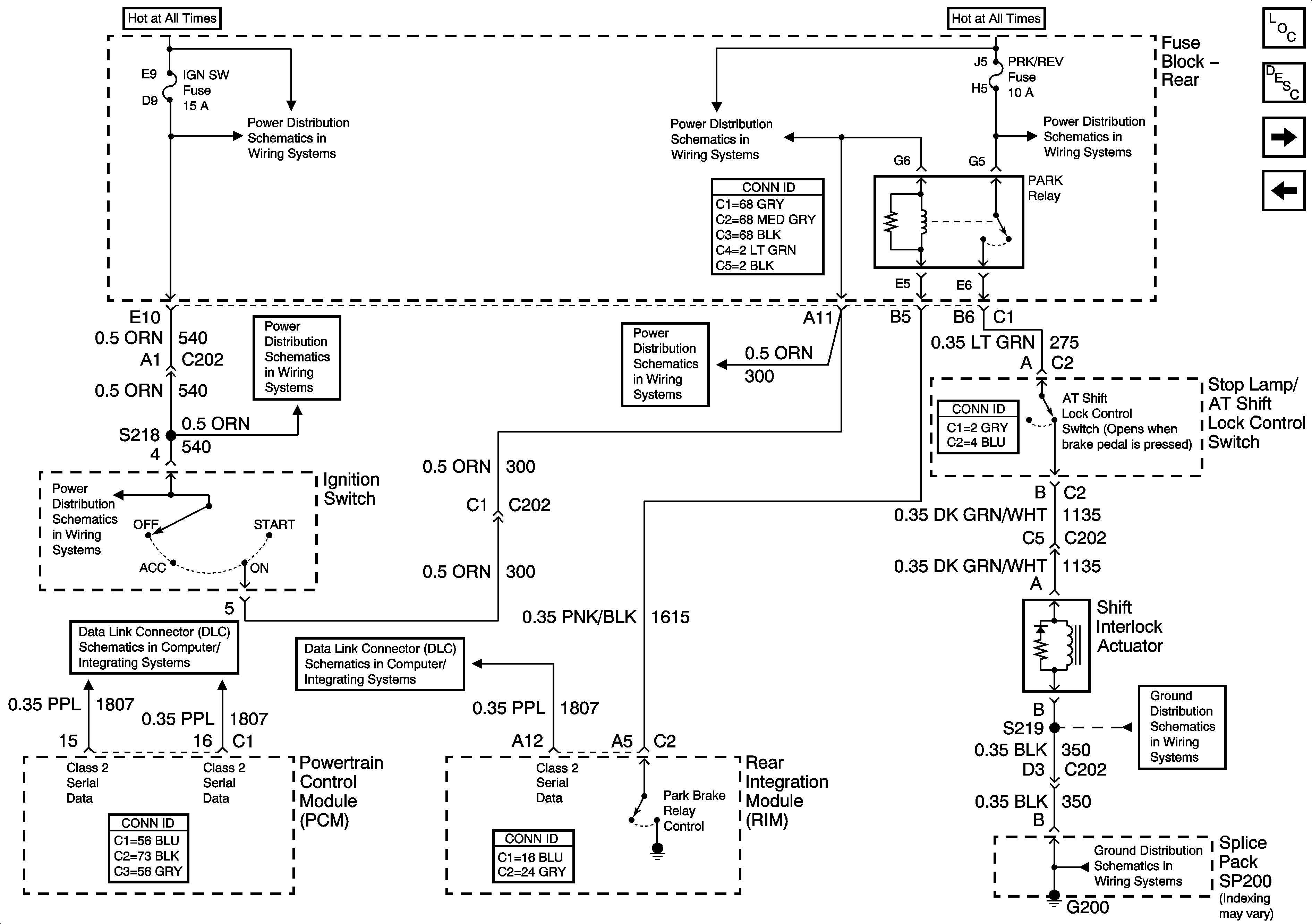
🢒 Column Shift
Column Shift
Column Shift
Master Electrical Component List
Automatic Transmission Shift Lock Control Description and Operation
Reverse Lockout Control (D55)
Console Shift
RR BLO, RRDR MDL, HVAC BAT, STOP LP, IGN SW, and TSIG/HAZ Fuses
Rear Fuse Block Battery Voltage
Rear Fuse Block Battery Voltage
Rear Fuse Block Battery Voltage
Ignition Switch
Ignition Feeds to Underhood and Rear Fuse Blocks
Ignition Switch
Class 2 Serial Data (1 of 3)
Class 2 Serial Data (2 of 3)
G200
G200