GM Service Manual Online
For 1990-2009 cars only
Makes
🢒
Cadillac
🢒
2005
🢒
DeVille
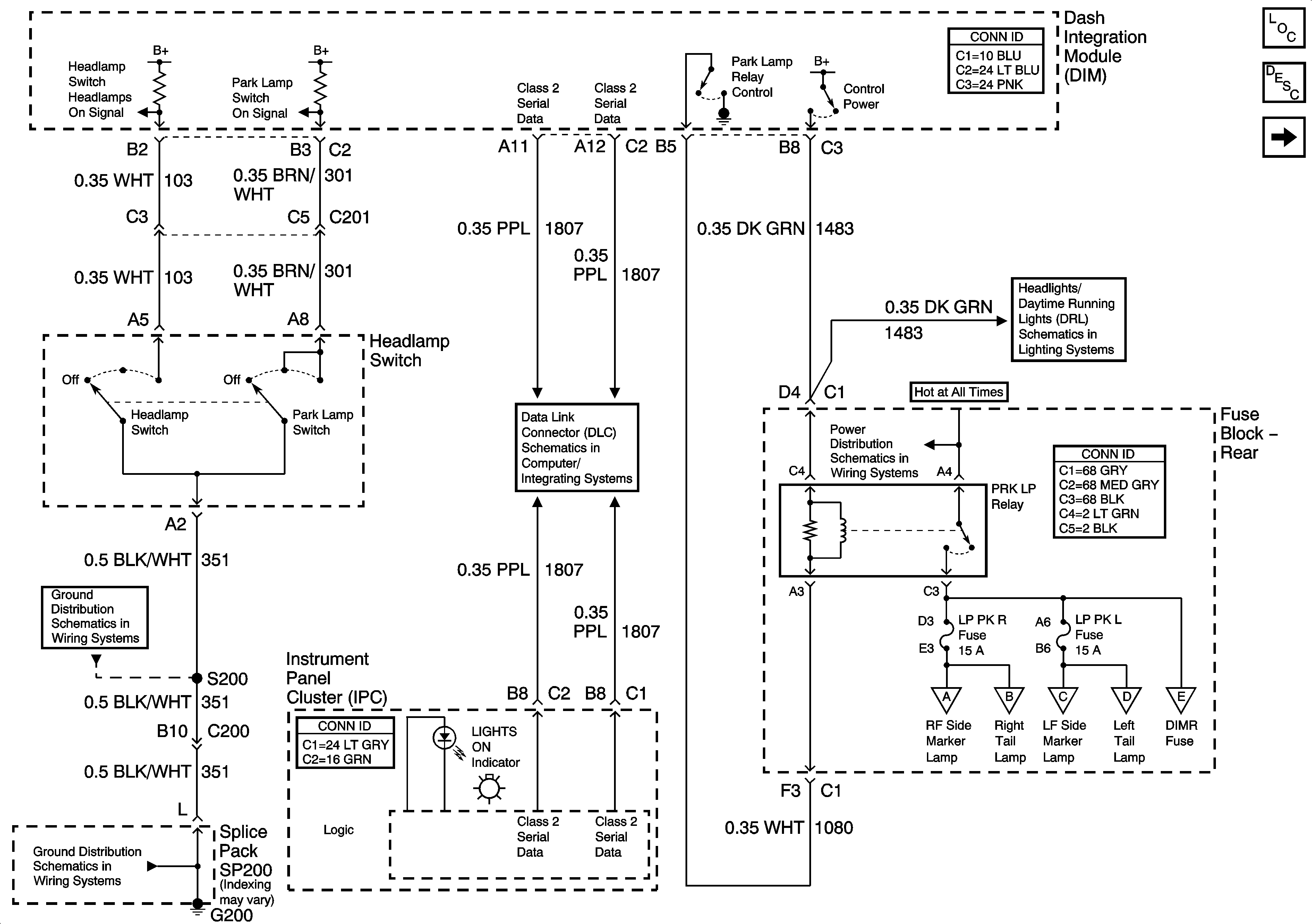
🢒 Headlamp Switch and Park Lamp Relay
Headlamp Switch and Park Lamp Relay
Headlamp Switch, Park Lamp Relay
Master Electrical Component List
Exterior Lighting Systems Description and Operation
Flasher Module, Turn Signal and Hazard Switch
G200
Class 2 Serial Data (1 of 3)
DIMR, LP PK R, and LP PK L Fuses and PRK LP Relay
Low Beam Headlamps (Domestic)
G200
Front Park/Turn and Side Marker Lamps
Right Tail Lamps
Front Park/Turn and Side Marker Lamps
Left Tail Lamp
License and Cornering Lamps