GM Service Manual Online
For 1990-2009 cars only
Makes
🢒
Cadillac
🢒
2005
🢒
DeVille
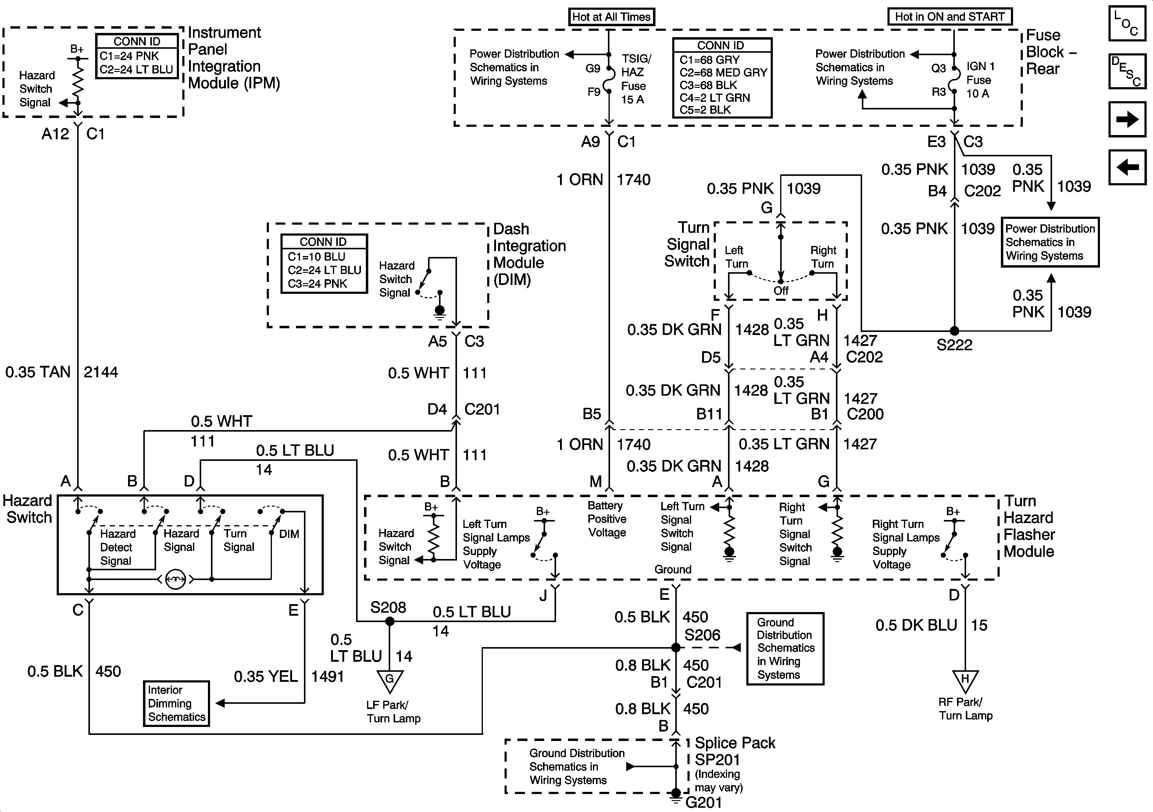
🢒 Flasher Module, Turn Signal and Hazard Switch
Flasher Module, Turn Signal and Hazard Switch
Turn/Hazard Flasher Module, Hazard Switch
Master Electrical Component List
Exterior Lighting Systems Description and Operation
Right Tail Lamps
Headlamp Switch and Park Lamp Relay
Rear Fuse Block Battery Voltage
Rear Fuse Block Battery Voltage
SIR, VENT SOL, and IGN 1 Fuse and IGN 1 Relay
Instrument Panel Dimming
Front Park/Turn and Side Marker Lamps
G201 - 2 of 3
G201 - 2 of 3
Front Park/Turn and Side Marker Lamps