GM Service Manual Online
For 1990-2009 cars only
Makes
🢒
Cadillac
🢒
2005
🢒
DeVille
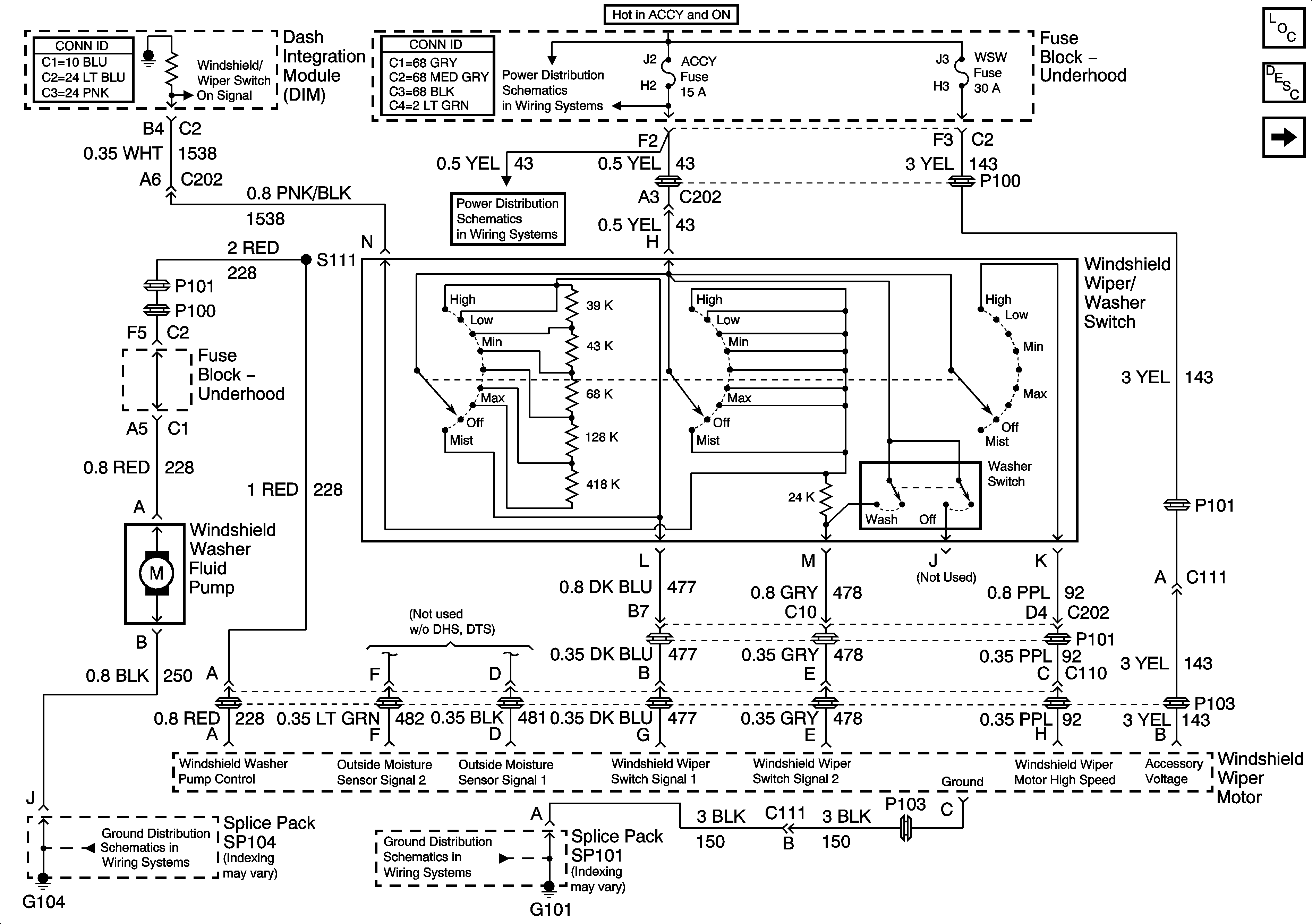
🢒 Wiper/Washer Switch and Pump
Wiper/Washer Switch and Pump
Wiper/Washer Switch and Pump
Master Electrical Component List
Wiper/Washer System Description and Operation
Outside Moisture Sensor
Underhood Fuse Block Battery Voltage
ACCY, WSW, HDLO BMR, HDLO BML, HDHI BML, and HDHI BMR Fuses and ACCY, HDLP LO BM, and HDLP HI BM Relays
G104
G101