GM Service Manual Online
For 1990-2009 cars only
Makes
🢒
Cadillac
🢒
2005
🢒
DeVille
🢒 Traffic Information Receiver
Traffic Information Receiver
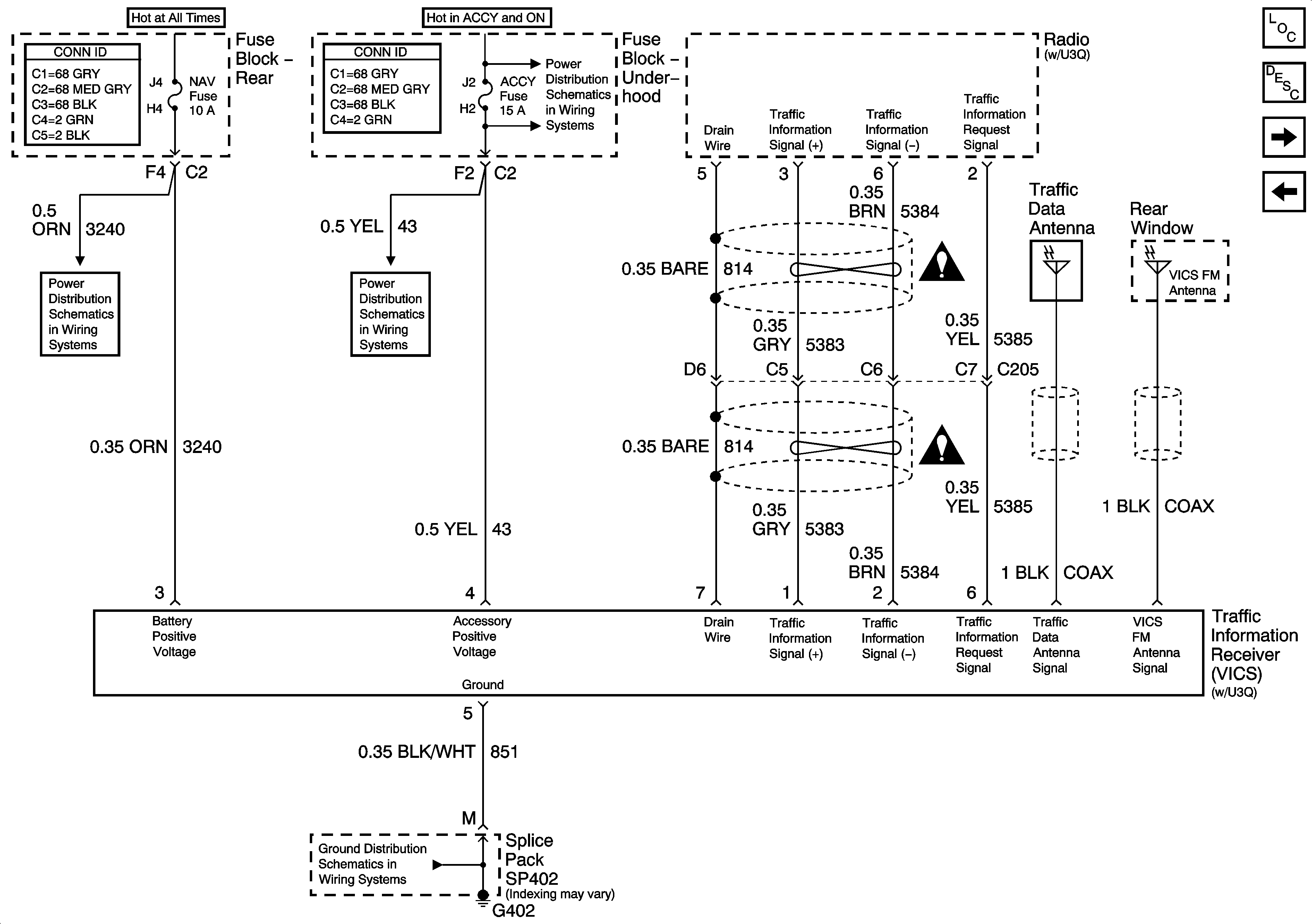
Traffic Information Receiver (VICS)
Master Electrical Component List
Navigation System Description and Operation
TV Antenna Module
Domestic Microphone
NAV Fuse and PWR SEAT Circuit Breaker
ACCY, WSW, HDLO BMR, HDLO BML, HDHI BML, and HDHI BMR Fuses and ACCY, HDLP LO BM, and HDLP HI BM Relays
Underhood Fuse Block Battery Voltage
Navigation System Schematic Icons
Navigation System Schematic Icons
G402 - 2 of 2