GM Service Manual Online
For 1990-2009 cars only
Makes
🢒
Cadillac
🢒
2005
🢒
DeVille
🢒 Power and Ground
Power and Ground
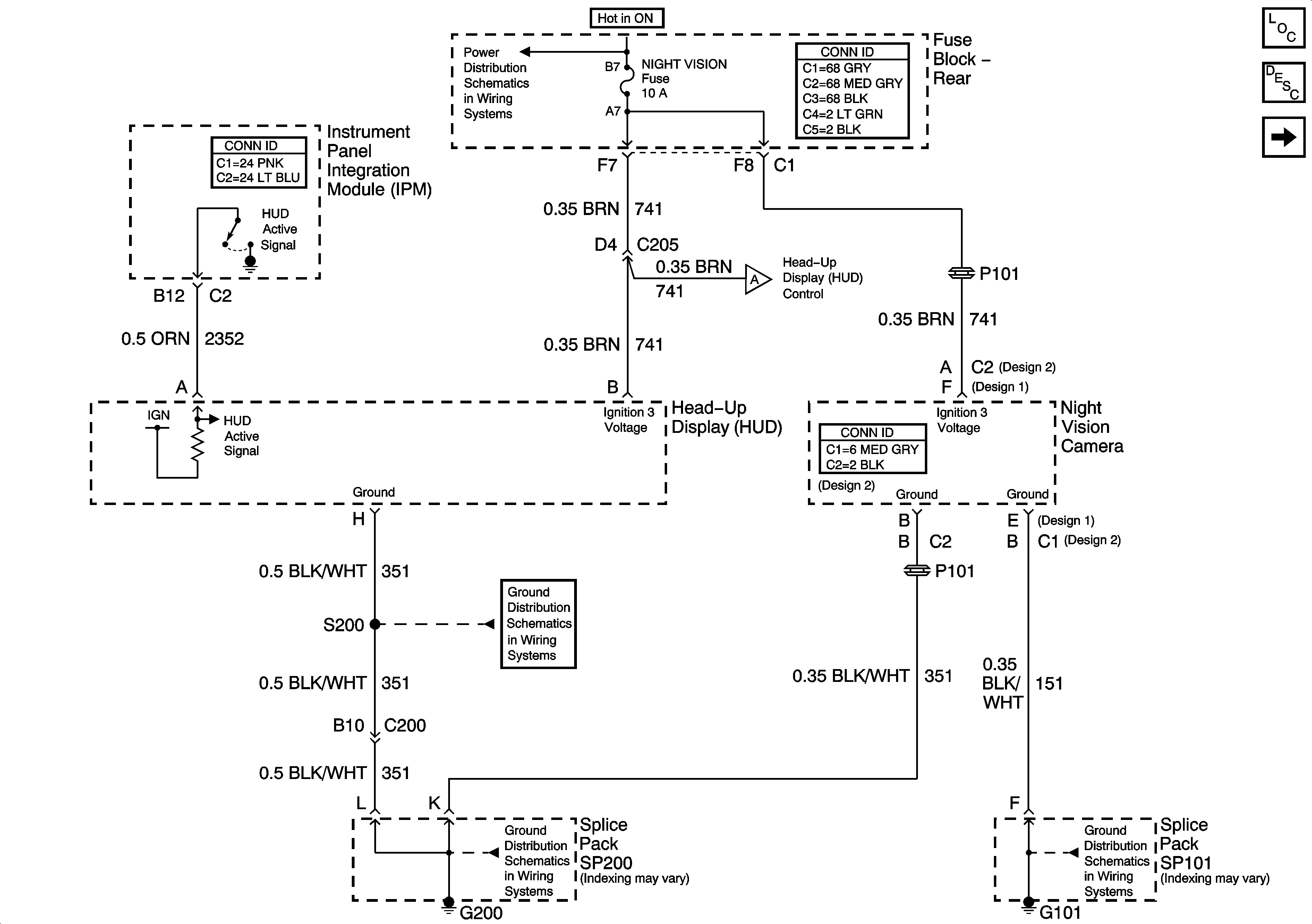
HUD and Night Vision Camera - Power and Ground
Master Electrical Component List
Night Vision Description and Operation
HUD Switch and Night Vision Camera Video Circuits
ELC, NIGHT VISION, HVAC, and ABS Fuses and ELC Relay
HUD Switch and Night Vision Camera Video Circuits
G200
G200
G101