GM Service Manual Online
For 1990-2009 cars only
Makes
🢒
Cadillac
🢒
2005
🢒
DeVille
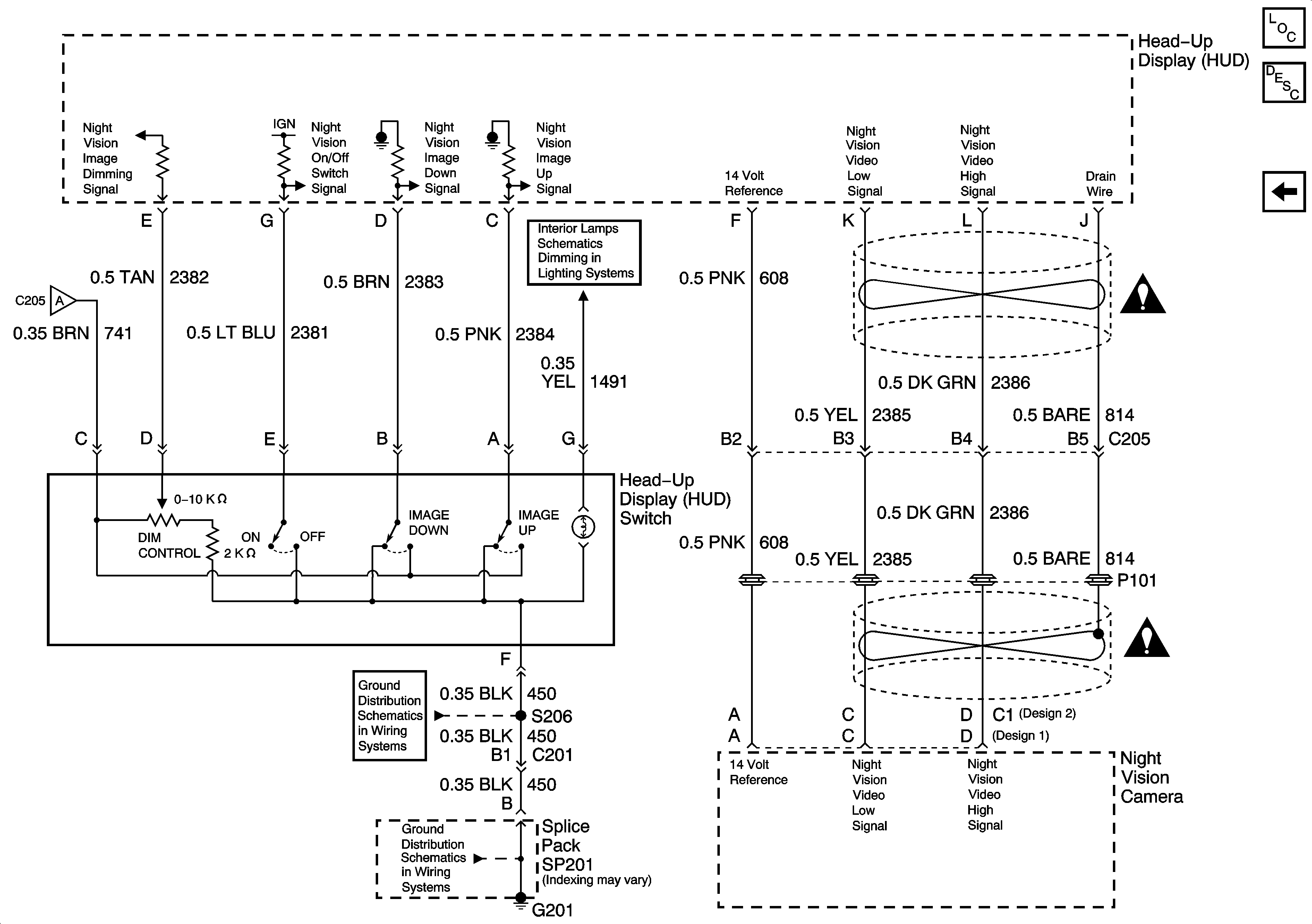
🢒 HUD Switch and Night Vision Camera Video Circuits
HUD Switch and Night Vision Camera Video Circuits
HUD Switch and Night Vision Camera Video Circuits
Master Electrical Component List
Night Vision Description and Operation
Power and Ground
Power and Ground
Instrument Panel Dimming
Instrument Panel, Gages, and Console Schematic Icons
Instrument Panel, Gages, and Console Schematic Icons
G201 - 2 of 3
G201 - 2 of 3