GM Service Manual Online
For 1990-2009 cars only
Makes
🢒
Cadillac
🢒
2005
🢒
DeVille
🢒 Rear Window Defogger
Rear Window Defogger
Rear Window Defogger
Master Electrical Component List
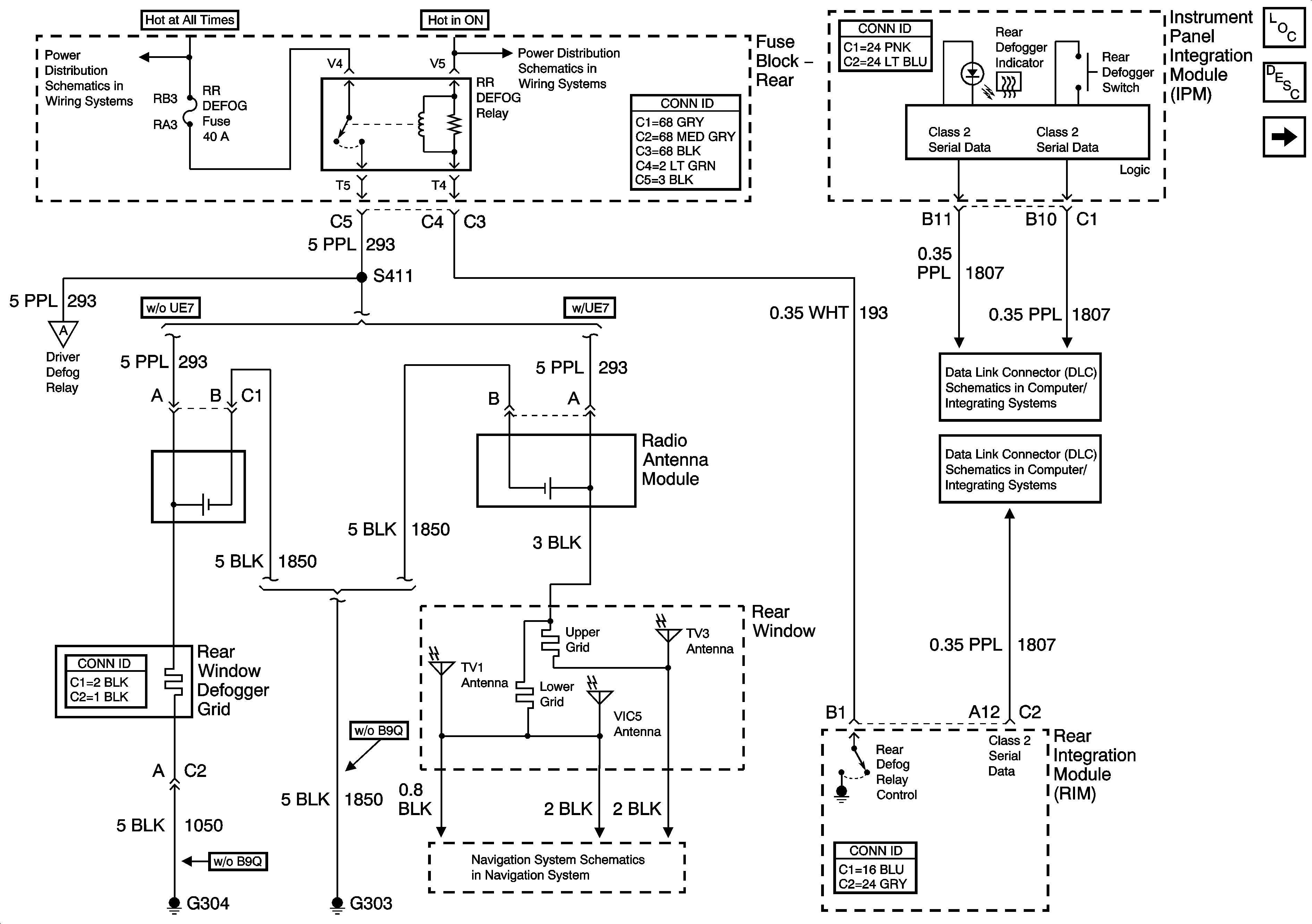
Rear Window Defogger Description and Operation
Windshield (WC2/WC8)
Rear Fuse Block Battery Voltage
Rear Fuse Block Battery Voltage
Windshield (WC2/WC8)
Class 2 Serial Data (1 of 3)
Class 2 Serial Data (2 of 3)
TV Antenna Module