GM Service Manual Online
For 1990-2009 cars only
Makes
🢒
Cadillac
🢒
1998
🢒
Eldorado
🢒
HVAC
🢒
HVAC Systems - Automatic
🢒 HVAC Compressor Control Schematics
Figure
1:
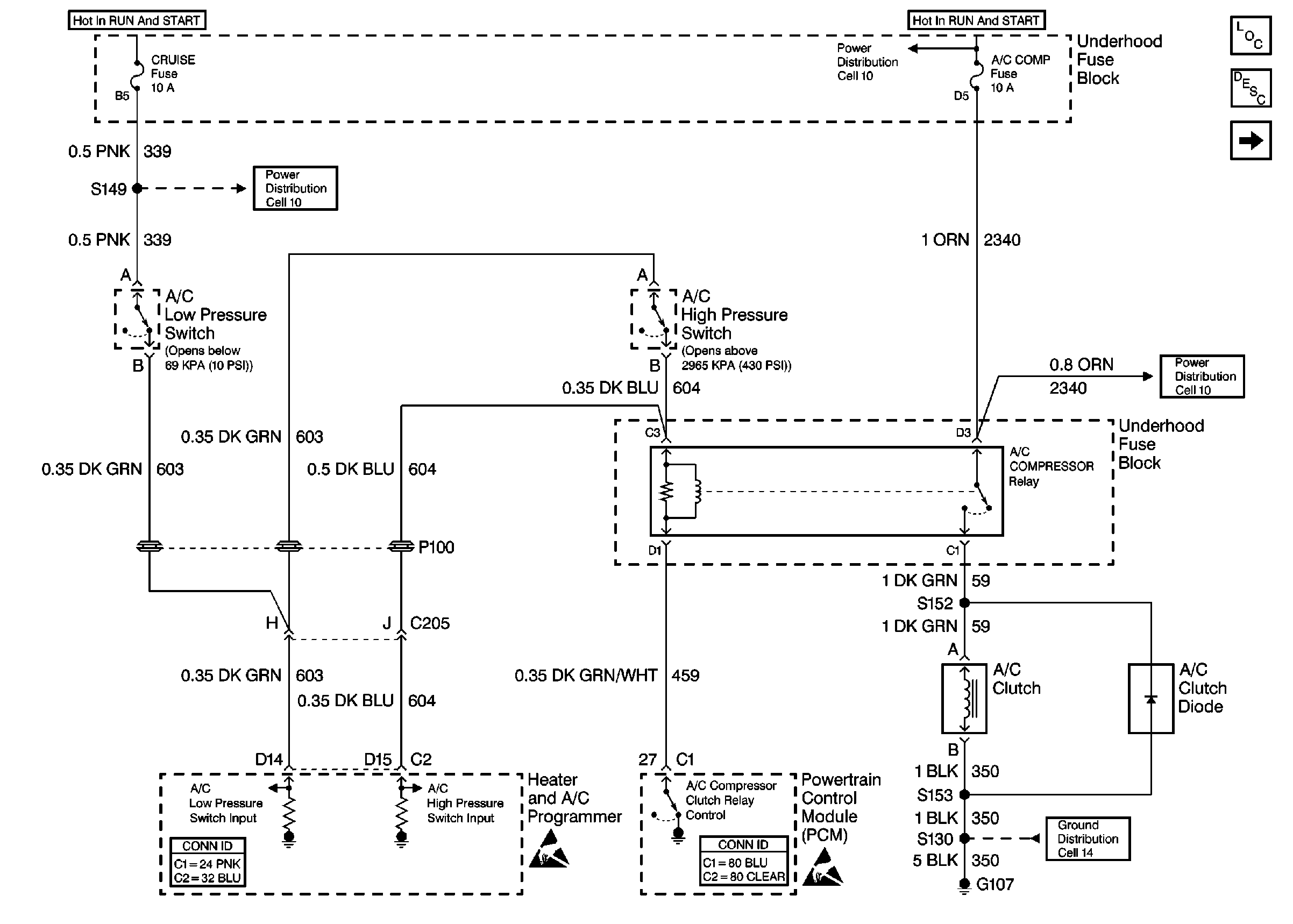
HVAC Compressor Control Schematics (Cell 67: A/C High and Low Pressure Sensors, A/C Compressor Relay)
HVAC Components
HVAC Compressor Controls Circuit Description
HVAC Compressor Control Schematics (Cell 67: Temperature Sensors)
Cell 10: PCM (BAT) and A/C COMP Fuses
Cell 10: CRUISE, DIS, and PCM (IGN) Fuses
HVAC Connector End Views
Handling ESD Sensitive Parts Notice
Handling ESD Sensitive Parts Notice
Cell 14: G107, G110
Figure
2:
HVAC Compressor Control Schematics (Cell 67: Temperature Sensors)
HVAC Components
HVAC Compressor Controls Circuit Description
HVAC Compressor Control Schematics (Cell 67: A/C High and Low Pressure Sensors, A/C Compressor Relay)
Cell 10: COMFORT Fuse
Cell 10: COMFORT Fuse
Cell 68: Temperature Sensors
HVAC Connector End Views
Cell 50: Power, Ground, and Class 2
Cell 50: Power, Ground, and Class 2 (Export)
Cell 14: G205