GM Service Manual Online
For 1990-2009 cars only
Makes
🢒
Cadillac
🢒
1998
🢒
Eldorado
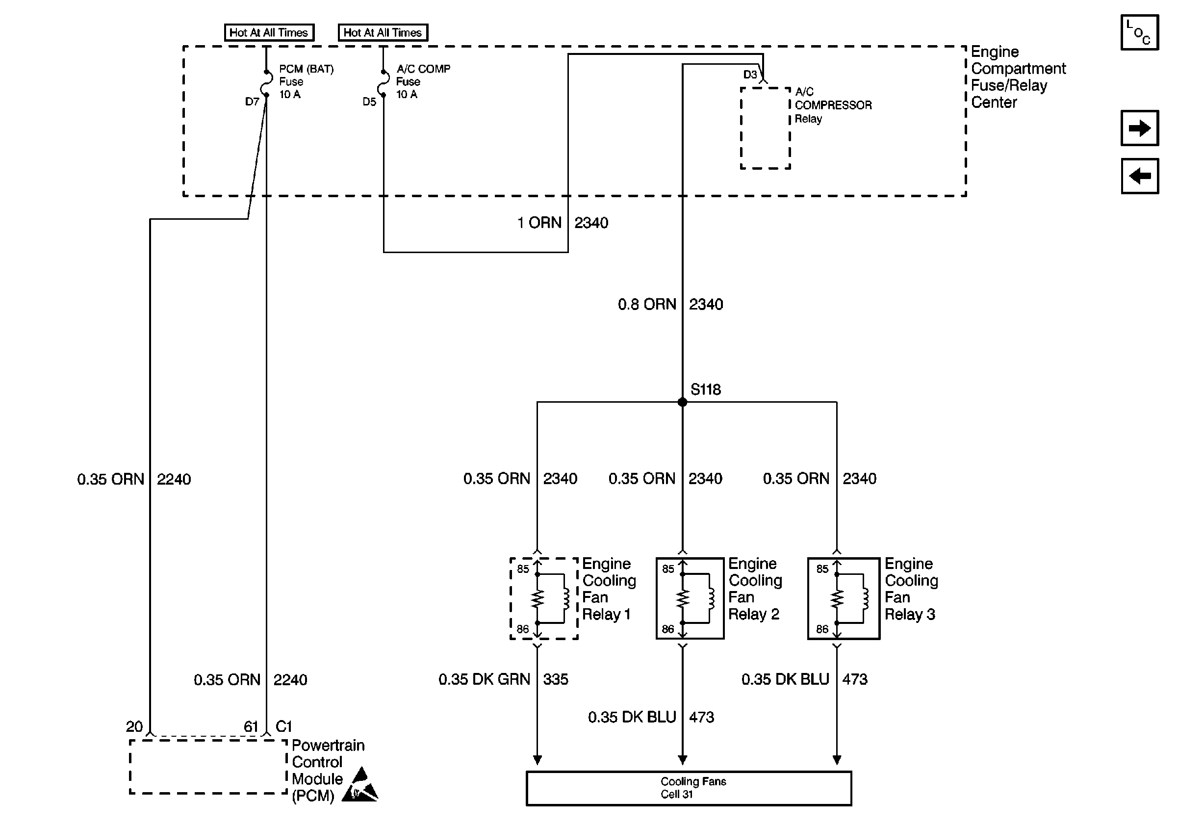
🢒 Cell 10: PCM (BAT) and A/C COMP Fuses
Cell 10: PCM (BAT) and A/C COMP Fuses
Cell 10: PCM (BAT) and A/C COMP Fuses
Power and Grounding Components
Cell 10: CONVENIENCE Fuse
Cell 10: CRUISE, DIS, and PCM (IGN) Fuses
Handling ESD Sensitive Parts Notice
Cooling Fan Schematics