GM Service Manual Online
For 1990-2009 cars only
Makes
🢒
Cadillac
🢒
1999
🢒
Eldorado
🢒
Body and Accessories
🢒
Wiring Systems
🢒 Cigar Lighter/Power Outlet Schematics
Figure
1:
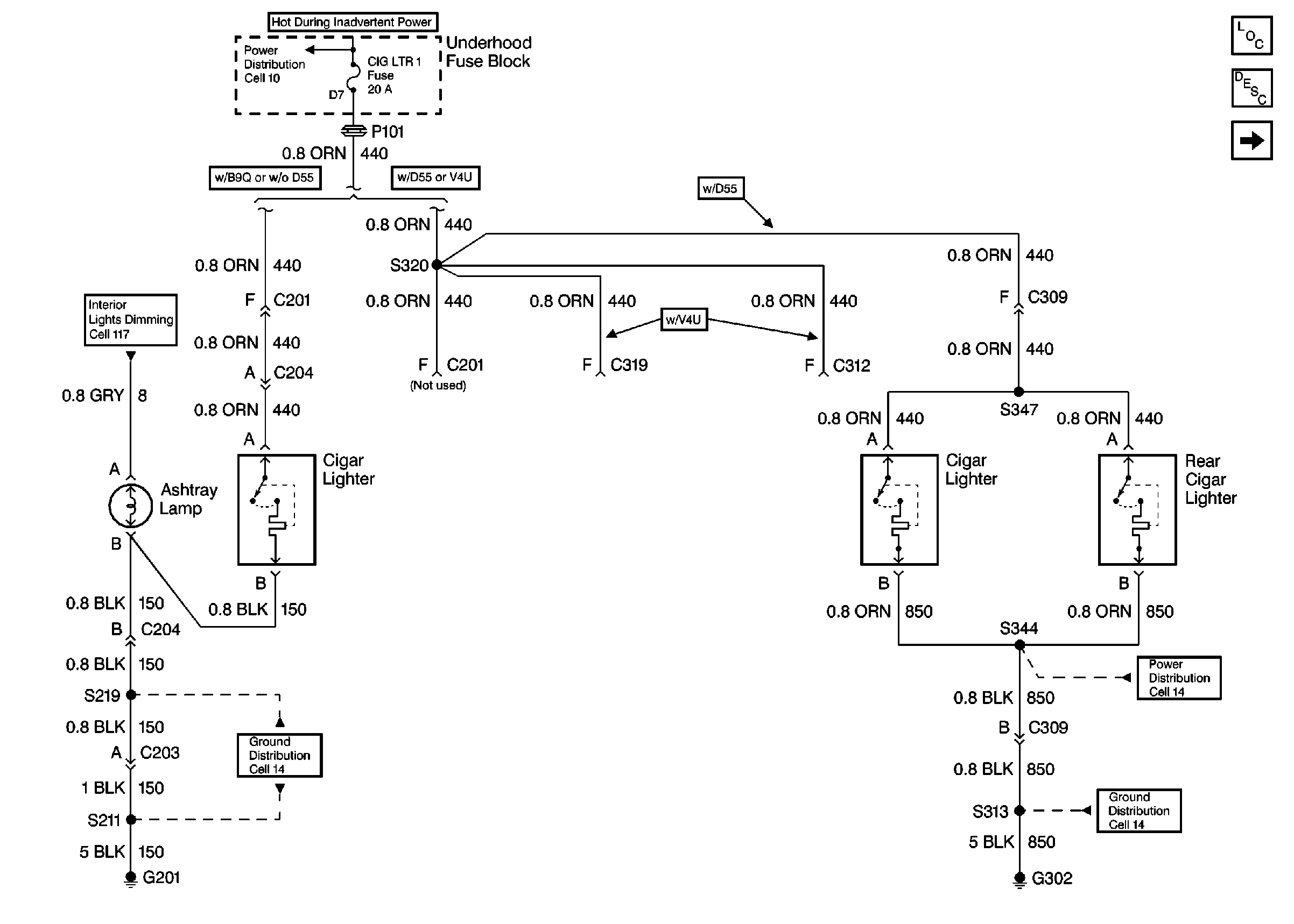
Cell 19: Front and Console Cigar Lighters
Power and Grounding Components
Cigar Lighter/Auxiliary Outlet Circuit Description
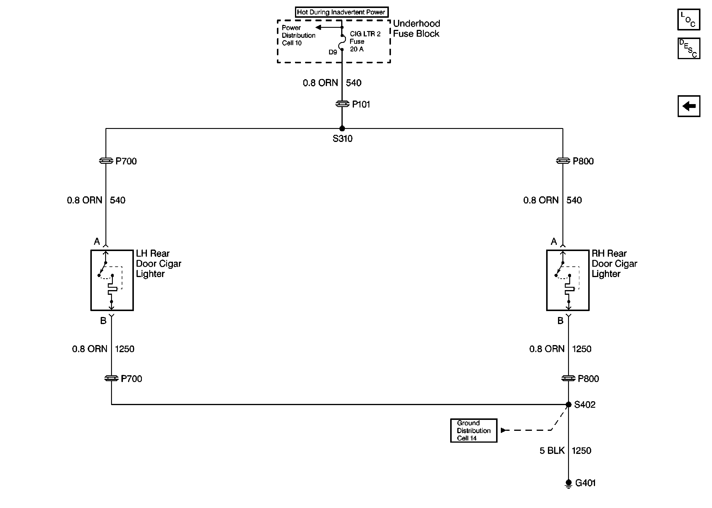
Cell 19: Rear Door Cigar Lighters
Interior Lights Dimming Schematics
Cell 14: G201
Cell 14: G302 (Eldorado 2 of 2)
Figure
2:
Cell 19: Rear Door Cigar Lighters
Power and Grounding Components
Cigar Lighter/Auxiliary Outlet Circuit Description
Cell 19: Front and Console Cigar Lighters
Cell 10: CIG LTR 1 and CIG LTR 2 Fuses
Cell 14: G401 (DeVille 1 of 2)