GM Service Manual Online
For 1990-2009 cars only
Makes
🢒
Cadillac
🢒
1999
🢒
Eldorado
🢒 Cell 10: CONVENIENCE Fuse
Cell 10: CONVENIENCE Fuse
Cell 10: CONVENIENCE Fuse
Power and Grounding Components
Cell 10: WIPERS, ACC, and CLUSTER Fuses
Cell 10: PCM (BAT) and A/C COMP Fuses
Cell 10: BODY 1 Fuse
Cell 14: G401 (DeVille 1 of 2)
Cell 14: G401 (DeVille 1 of 2)
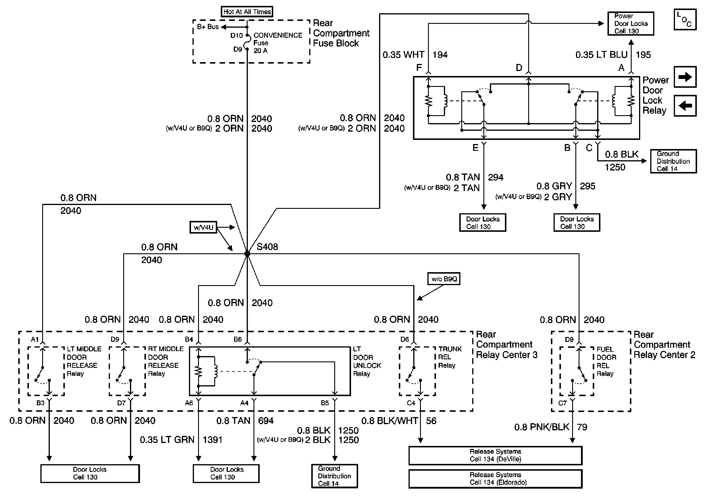
Door Lock/Indicator Schematics
Door Lock/Indicator Schematics
Door Lock/Indicator Schematics
Release Systems Schematics
Release Systems Schematics