GM Service Manual Online
For 1990-2009 cars only
Figure 1:

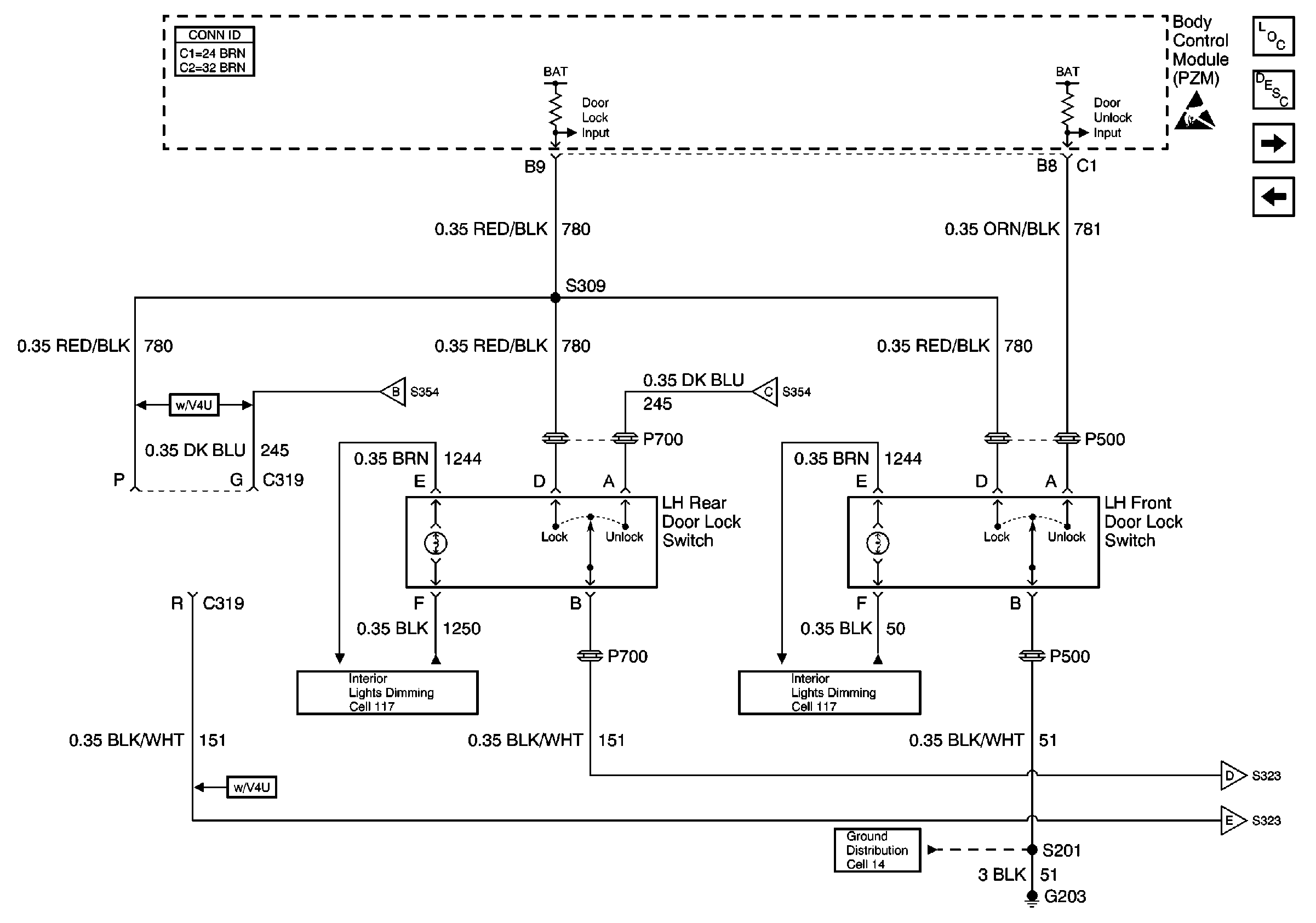
Cell 130: Power Door Locks (Eldorado)


Object Number: 317358  Size: FS
Power Door Systems Components
Power Door Locks Circuit Description
Cell 130: Power Door Locks (Deville)
Handling ESD Sensitive Parts Notice
Cell 10: CONVENIENCE Fuse
Cell 14: G401 (DeVille 1 of 2)
Cell 50: Power, Ground and Class 2
Cell 50: Power, Ground and Class 2 (Export)
Handling ESD Sensitive Parts Notice
Cell 10: CONVENIENCE Fuse
Figure 2:

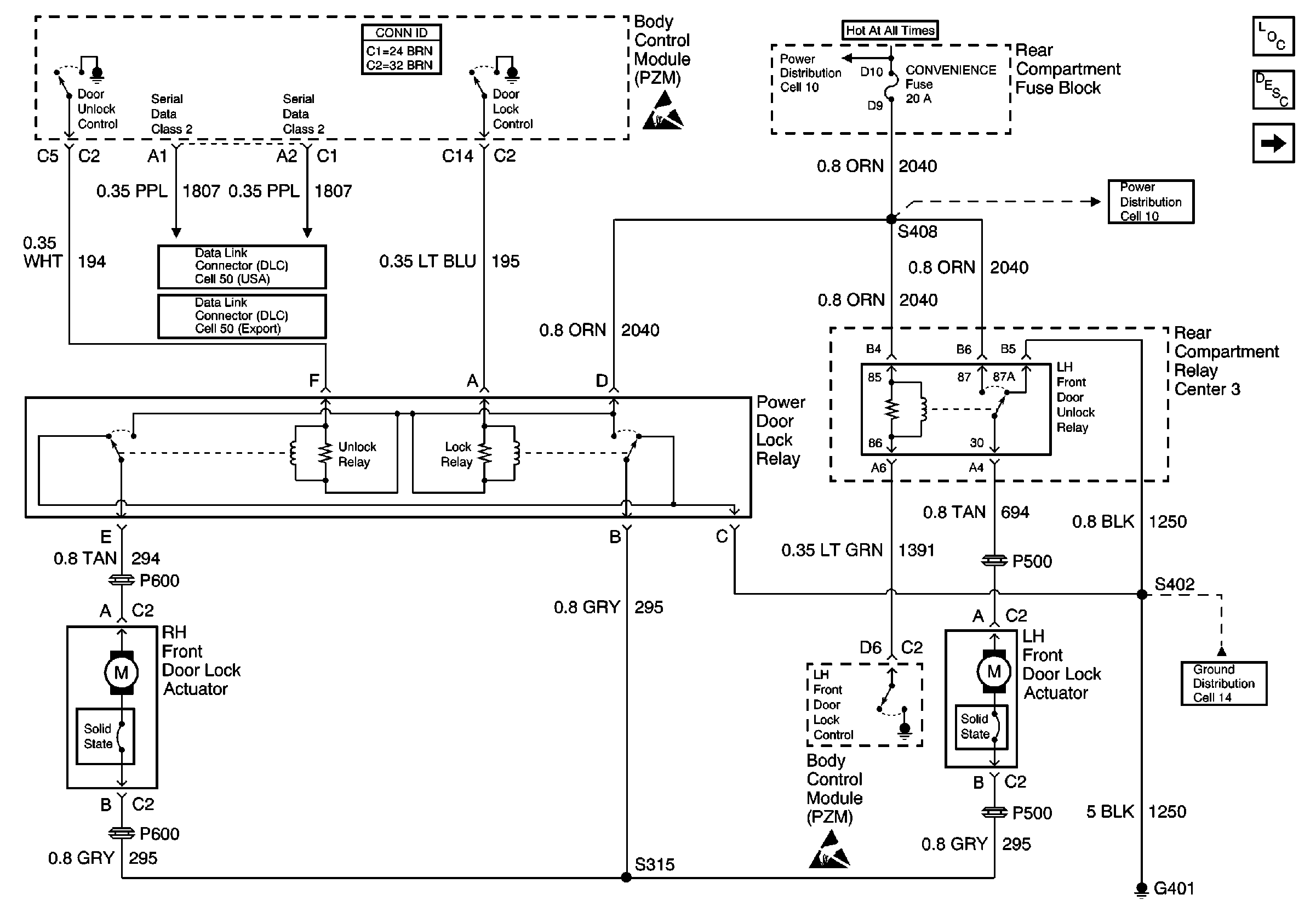
Cell 130: Power Door Locks (Deville)


Object Number: 317360  Size: FS
Power Door Systems Components
Power Door Locks Circuit Description
Cell 130: Deville, Except V4U
Cell 130: Power Door Locks (Eldorado)
Handling ESD Sensitive Parts Notice
Cell 50: Power, Ground and Class 2
Cell 50: Power, Ground and Class 2 (Export)
Cell 10: CONVENIENCE Fuse
Cell 10: CONVENIENCE Fuse
Cell 14: G401 (DeVille 1 of 2)
Handling ESD Sensitive Parts Notice
Figure 3:

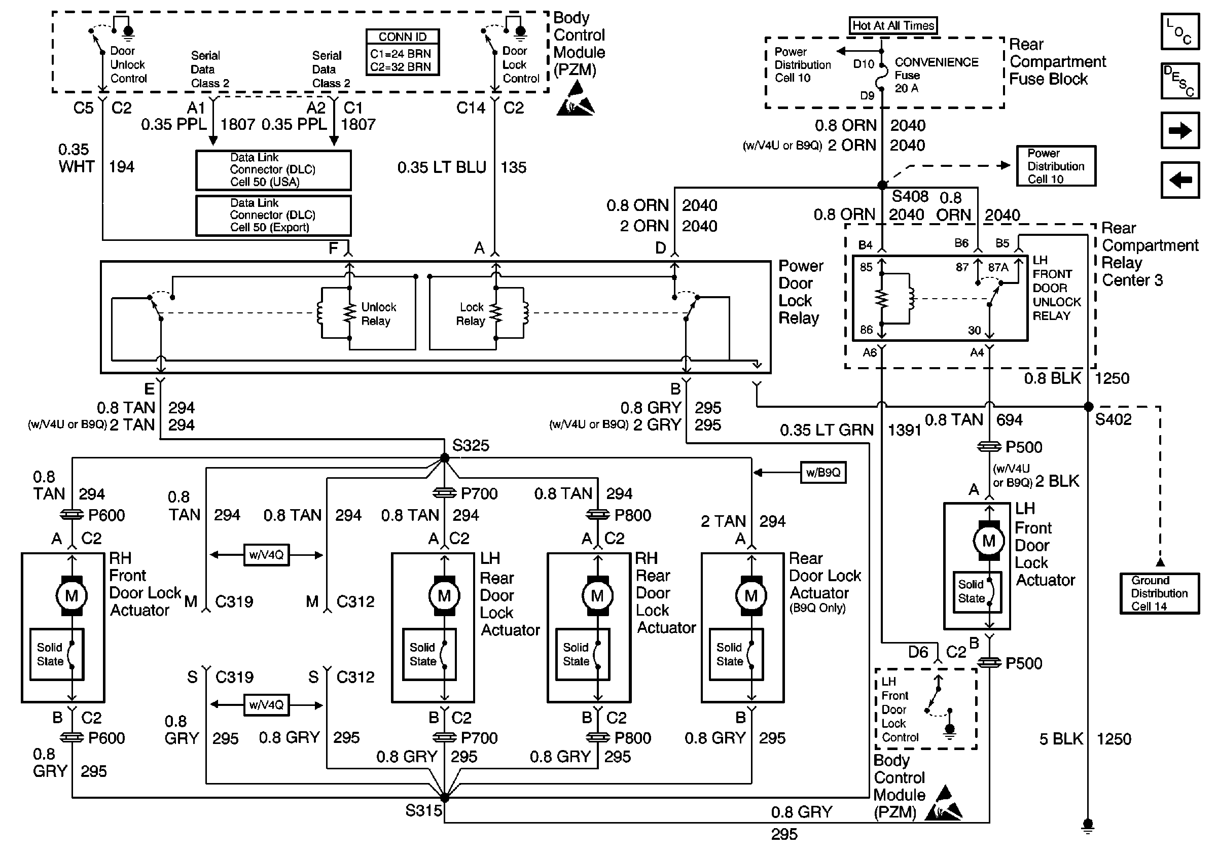
Cell 130: Deville, Except V4U


Object Number: 317367  Size: FS
Power Door Systems Components
Power Door Locks Circuit Description
Cell 130: Eldorado Power Door Lock Switches
Cell 130: Left Front Door Lock Actuator (Deville)
Handling ESD Sensitive Parts Notice
Cell 130: Eldorado Power Door Lock Switches
Cell 14: G203
Cell 117: Front Door Backlighting - DeVille
Cell 130: Eldorado Power Door Lock Switches
Cell 117: Rear Door Backlighting - DeVille
Figure 4:

Cell 130: Eldorado Power Door Lock Switches


Object Number: 317369  Size: FS
Power Door Systems Components
Power Door Locks Circuit Description
Cell 130: Left Power Door Lock Switches, Deville with V4U
Cell 130: Deville, Except V4U
Handling ESD Sensitive Parts Notice
Cell 14: G203
Cell 14: G205
Figure 5:

Cell 130: Left Power Door Lock Switches, Deville with V4U


Object Number: 317370  Size: FS
Power Door Systems Components
Power Door Locks Circuit Description
Cell 130: Right Power Door Lock Switches, Deville with V4U
Cell 130: Eldorado Power Door Lock Switches
Handling ESD Sensitive Parts Notice
Cell 130: Right Power Door Lock Switches, Deville with V4U
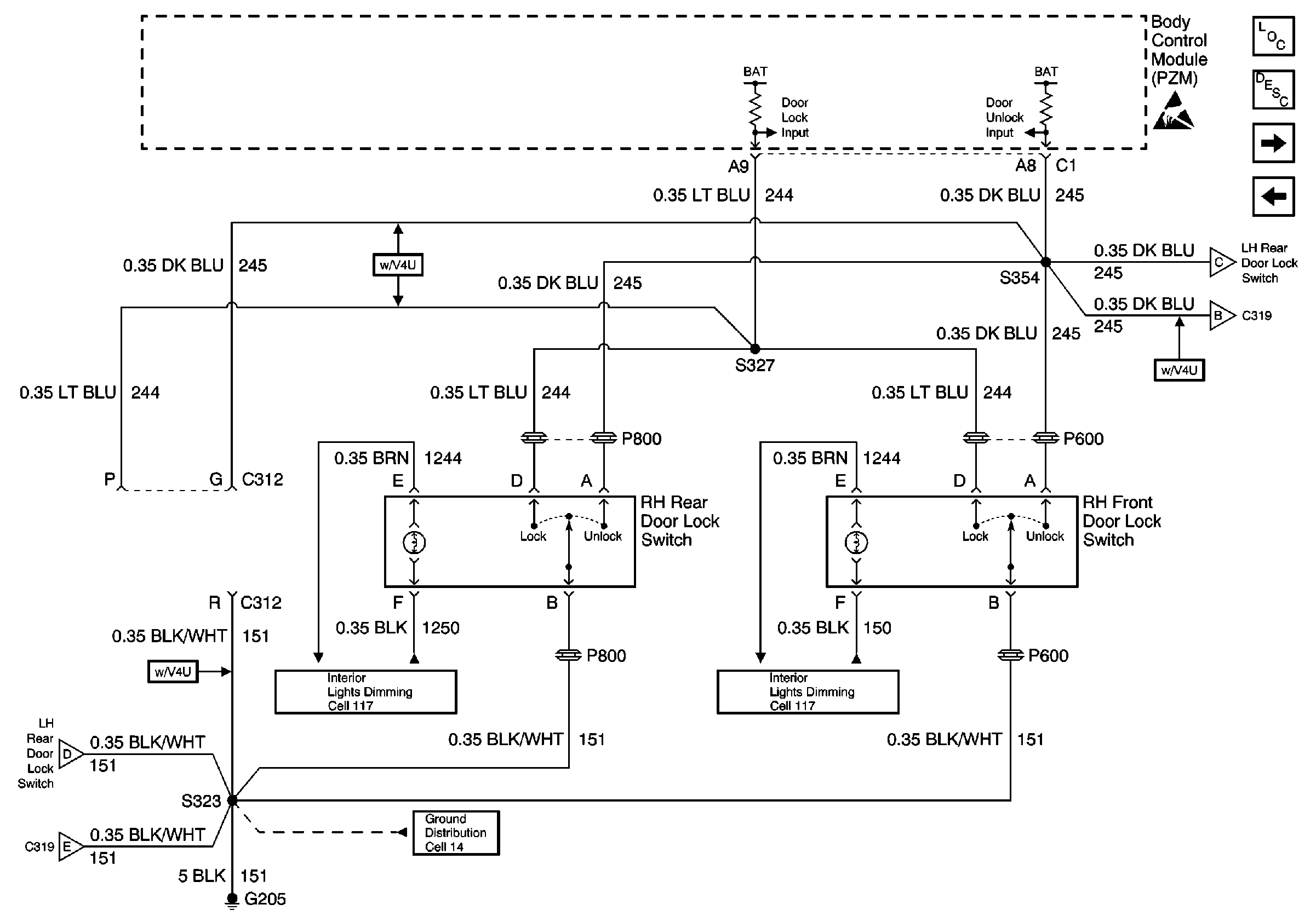
Cell 130: Right Power Door Lock Switches, Deville with V4U
Cell 117: Rear Door Backlighting - DeVille
Cell 117: Front Door Backlighting - DeVille
Cell 14: G203
Cell 130: Right Power Door Lock Switches, Deville with V4U
Cell 130: Right Power Door Lock Switches, Deville with V4U
Figure 6:

Cell 130: Right Power Door Lock Switches, Deville with V4U


Object Number: 317372  Size: FS
Power Door Systems Components
Power Door Locks Circuit Description
Cell 130: Deville with V4U, Lock Release Relays
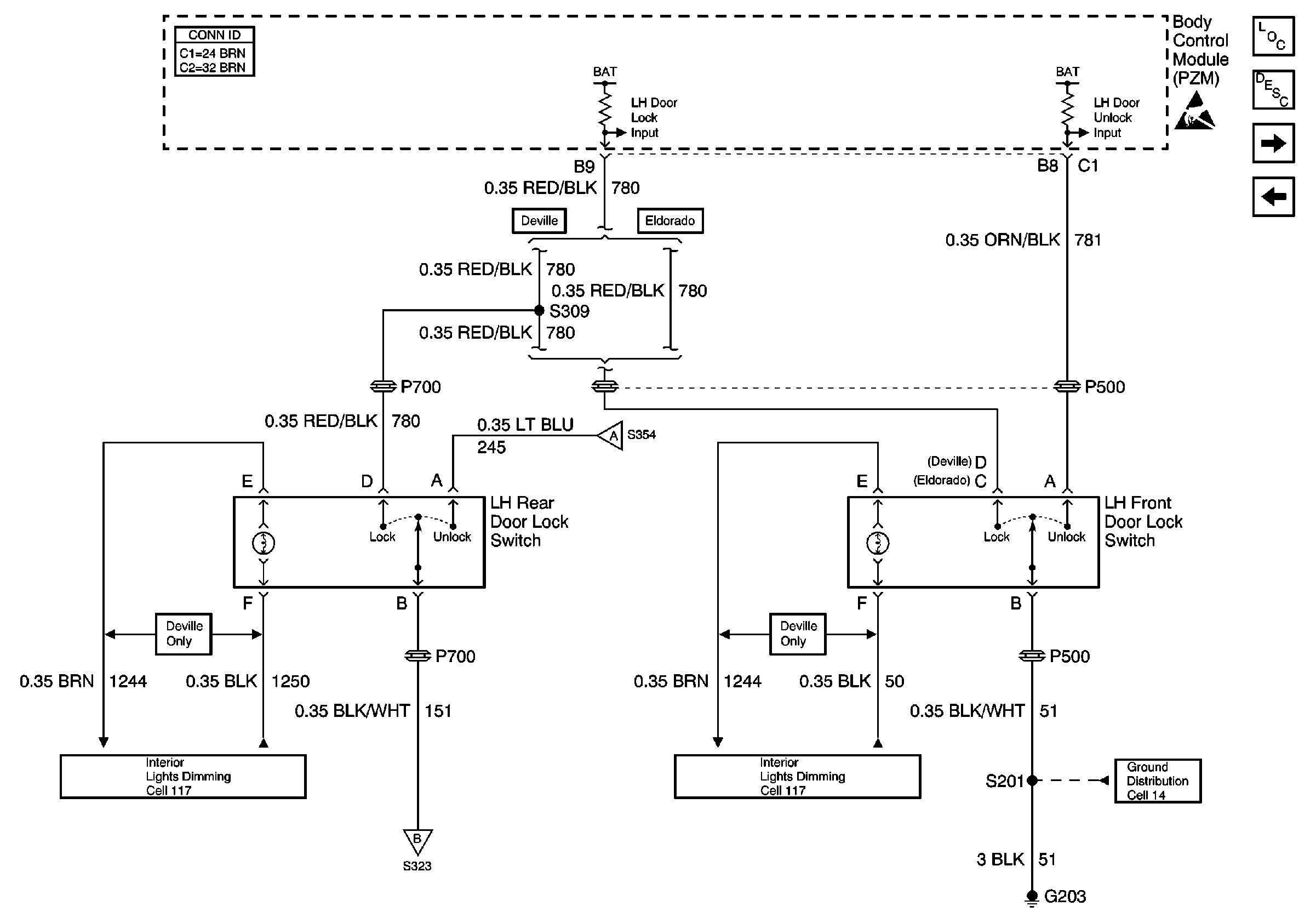
Cell 130: Left Power Door Lock Switches, Deville with V4U
Handling ESD Sensitive Parts Notice
Cell 130: Left Power Door Lock Switches, Deville with V4U
Cell 117: Front Door Backlighting - DeVille
Cell 14: G205
Cell 117: Rear Door Backlighting - DeVille
Cell 130: Left Power Door Lock Switches, Deville with V4U
Cell 130: Left Power Door Lock Switches, Deville with V4U
Cell 130: Left Power Door Lock Switches, Deville with V4U
Figure 7:

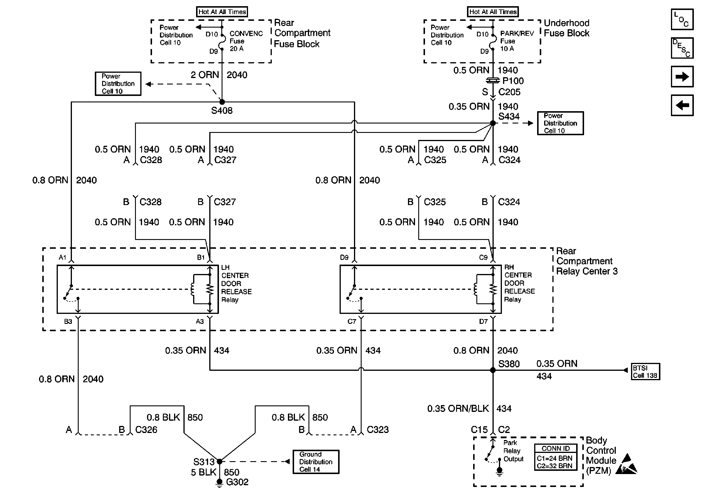
Cell 130: Deville with V4U, Lock Release Relays


Object Number: 317374  Size: FS
Power Door Systems Components
Power Door Locks Circuit Description
Cell 130: Door Lock Cylinder Switches (Deville, Eldorado)
Cell 130: Right Power Door Lock Switches, Deville with V4U
Cell 138: Shift Interlock Actuator
Handling ESD Sensitive Parts Notice
Cell 14: G302 (Eldorado 1 of 2)
Cell 10: CONVENIENCE Fuse
Cell 10: CONVENIENCE Fuse
Cell 10: PARK/REV Fuse
Cell 10: PARK/REV Fuse
Figure 8:

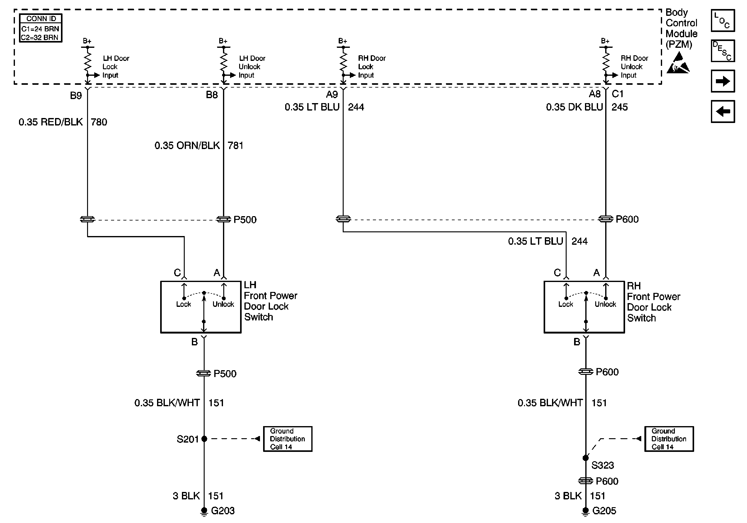
Cell 130: Door Lock Cylinder Switches (Deville, Eldorado)


Object Number: 317376  Size: FS
Power Door Systems Components
Power Door Locks Circuit Description
Cell 130: Deville with V4U, Lock Release Relays
Handling ESD Sensitive Parts Notice
Cell 14: G203
Cell 14: G205