GM Service Manual Online
For 1990-2009 cars only

Lumbar Support Schematics AL2

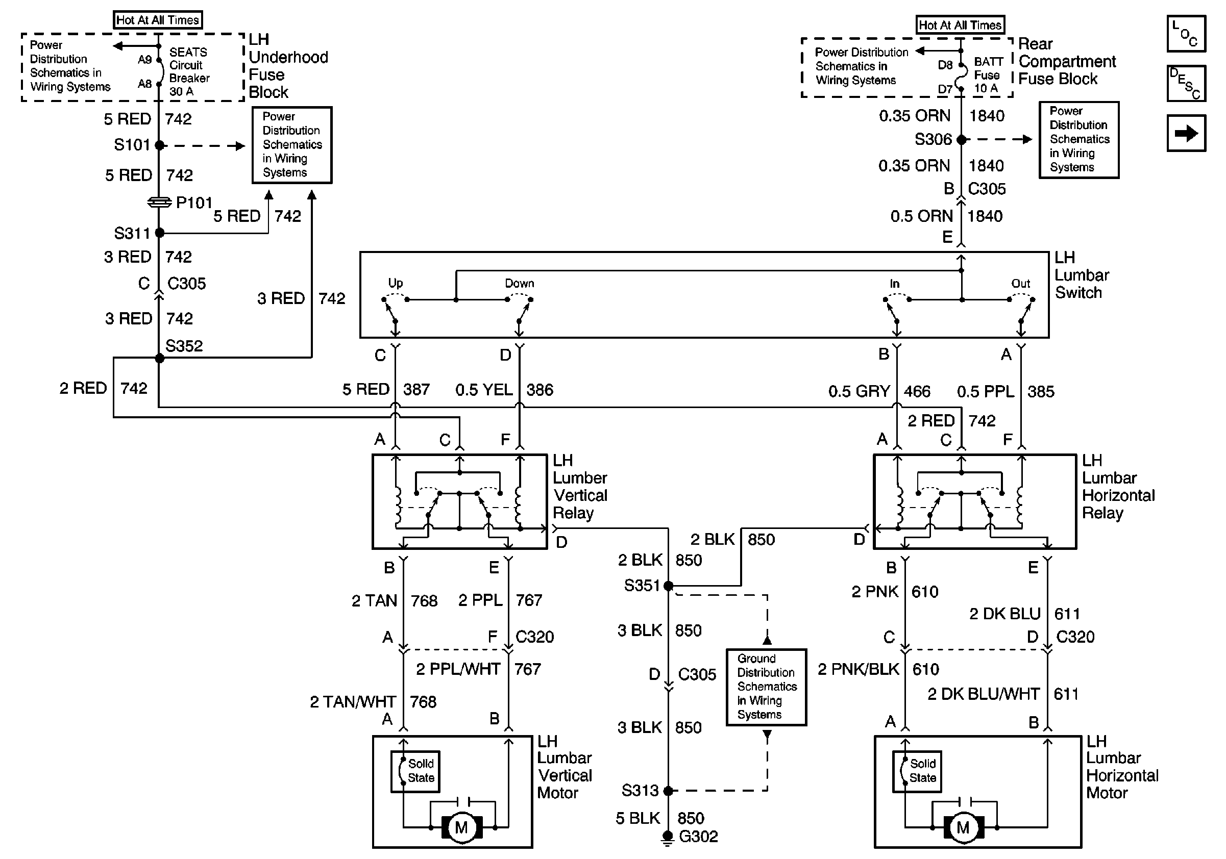
Left Power Lumbar (AL2 without A45)


Object Number: 586964  Size: FS
Power Seat Systems Components
Power Lumbar Circuit Description
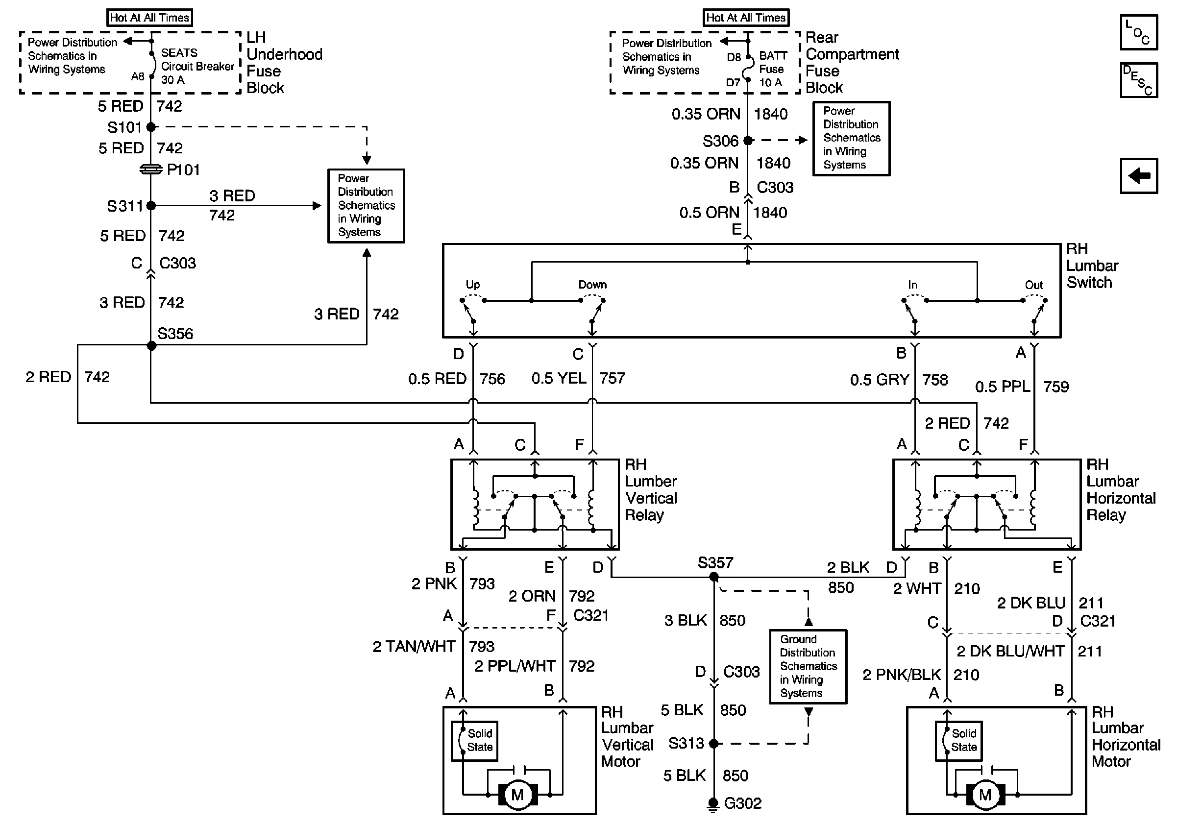
Right Power Lumbar (AL2 without A45)
SEATS Circuit Breaker
BATT Fuse
SEATS Circuit Breaker
BATT Fuse
G302 (1 of 2)

Right Power Lumbar (AL2 without A45)


Object Number: 586960  Size: FS
Power Seat Systems Components
Power Lumbar Circuit Description
Left Power Lumbar (AL2 without A45)
SEATS Circuit Breaker
BATT Fuse
SEATS Circuit Breaker
BATT Fuse
G302 (1 of 2)

Lumbar Support Schematics A45

Left Power Lumbar (AL2 with A45)


Object Number: 586883  Size: FS
Power Seat Systems Components
Power Lumbar Circuit Description
Handling ESD Sensitive Parts Notice
Power Seat Connector End Views
Seat Front Vertical, Seat Rear Vertical, and Seat Horizontal POSiTion Sensors and Motors
G302 (1 of 2)
Seat Front Vertical, Seat Rear Vertical, and Seat Horizontal POSiTion Sensors and Motors
Handling ESD Sensitive Parts Notice