GM Service Manual Online
For 1990-2009 cars only
Makes
🢒
Cadillac
🢒
2000
🢒
Eldorado
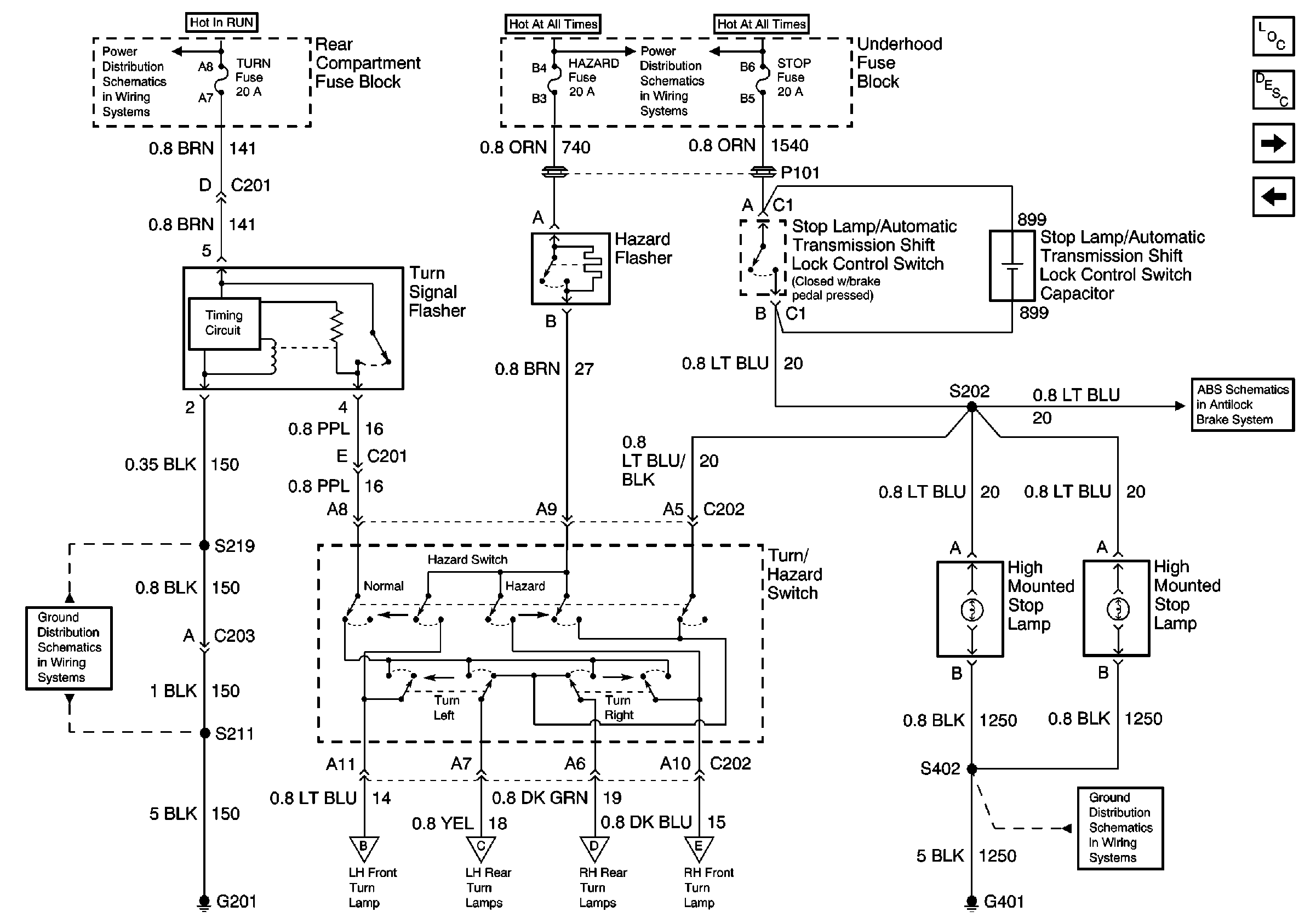
🢒 Turn Signal Flasher, Hazard Flasher, and Stoplamp/AT Shift Lock CONTrOL Switch
Turn Signal Flasher, Hazard Flasher, and Stoplamp/AT Shift Lock CONTrOL Switch
Turn Signal Flasher, Hazard Flasher, and Stoplamp/AT Shift Lock Control Switch
Lighting Systems Components
Exterior Lights Circuit Description
Turn Lamps
RH Park Lamps
BATT 3 Fuse and Ignition Switch (1 of 2)
G201
Turn Lamps
Turn Lamps
Turn Lamps
Turn Lamps
LAMPS and IGN 1 Fuses
G401 (1 of 2)
PWR, GND, Stoplamp Switch, Solenoid Valves, and Pump Motor