GM Service Manual Online
For 1990-2009 cars only
Makes
🢒
Cadillac
🢒
2000
🢒
Eldorado
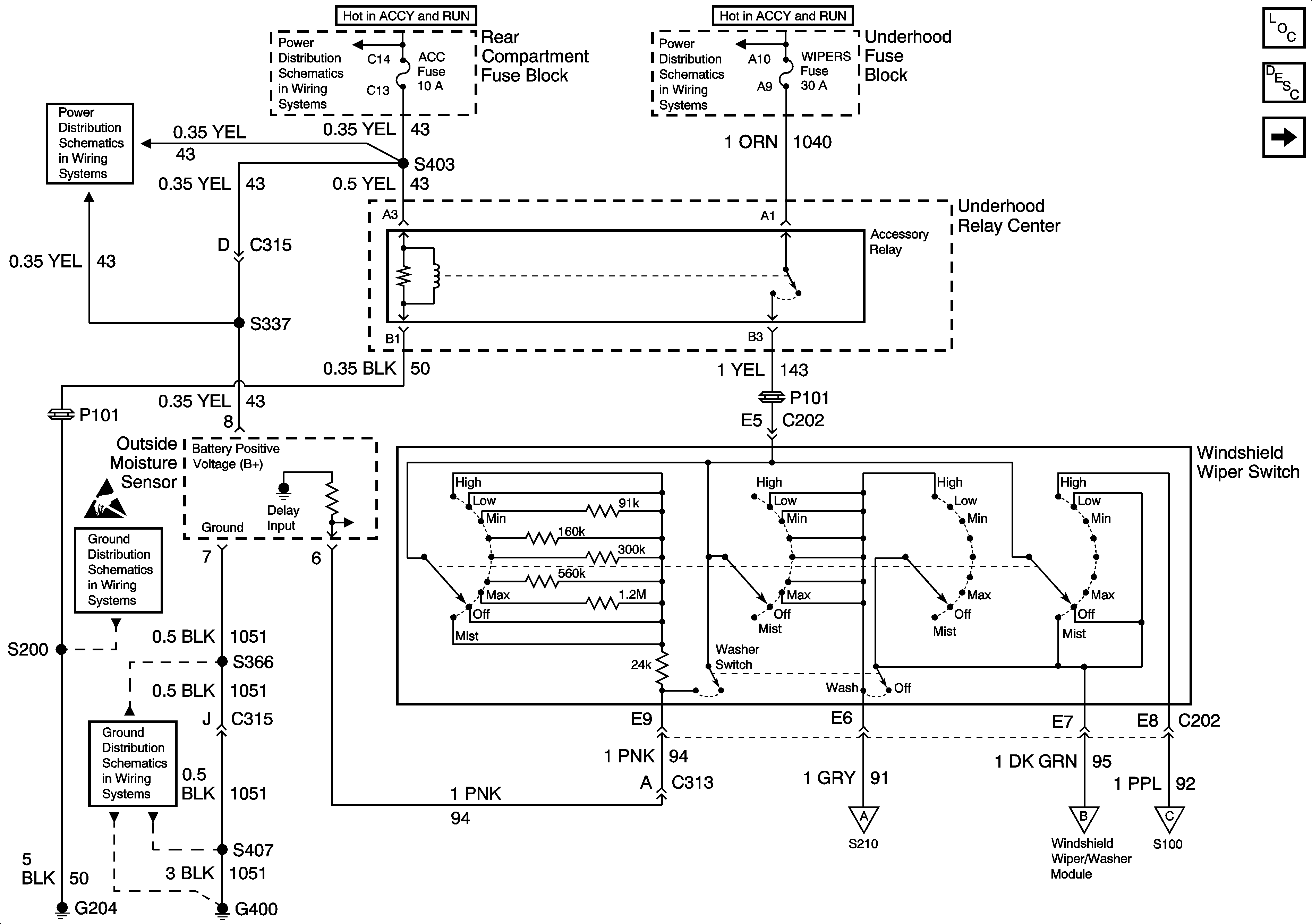
🢒 Power, Ground, and Switch Circuits
Power, Ground, and Switch Circuits
Power, Ground, and Switch Circuits
Wiper/Washer System Components
Wiper/Washer System Description w/ CE1
Module, Pump, and Sensor Circuits
WIPERS, ACC, and CLUSTER Fuses
BATT 2 Fuse and Ignition Switch (2 of 2)
LAMPS and IGN 1 Fuses
G204
G400