GM Service Manual Online
For 1990-2009 cars only
Makes
🢒
Cadillac
🢒
2000
🢒
Eldorado
🢒 Relay Circuits
Relay Circuits
Relay Circuits
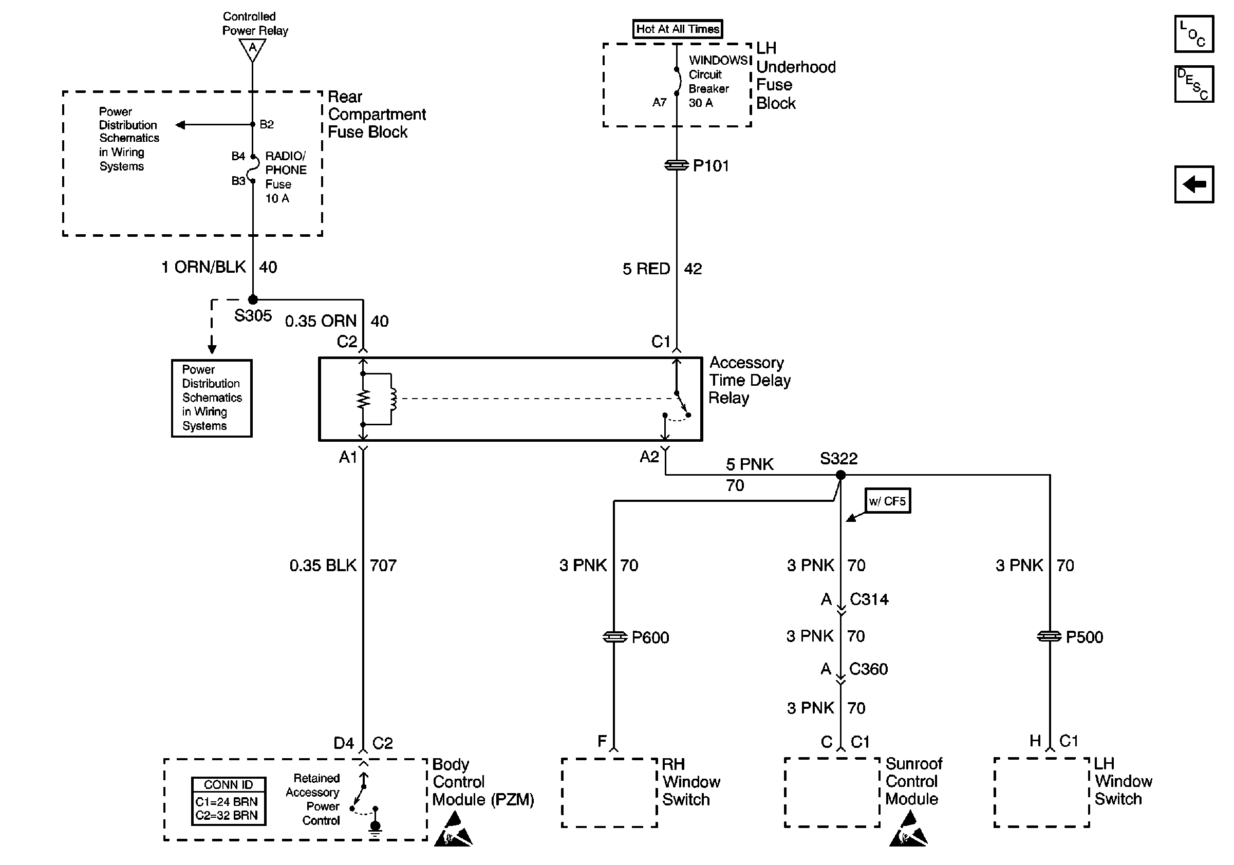
Retained Accessory Power (RAP) Components
Retained Accessory Power (RAP) Circuit Description
Power and Ground Circuits
Power and Ground Circuits
BODY 3 and INADVERT Fuses
RADIO/PHONE Fuse
Handling ESD Sensitive Parts Notice
Handling ESD Sensitive Parts Notice