GM Service Manual Online
For 1990-2009 cars only
Makes
🢒
Cadillac
🢒
2000
🢒
Eldorado
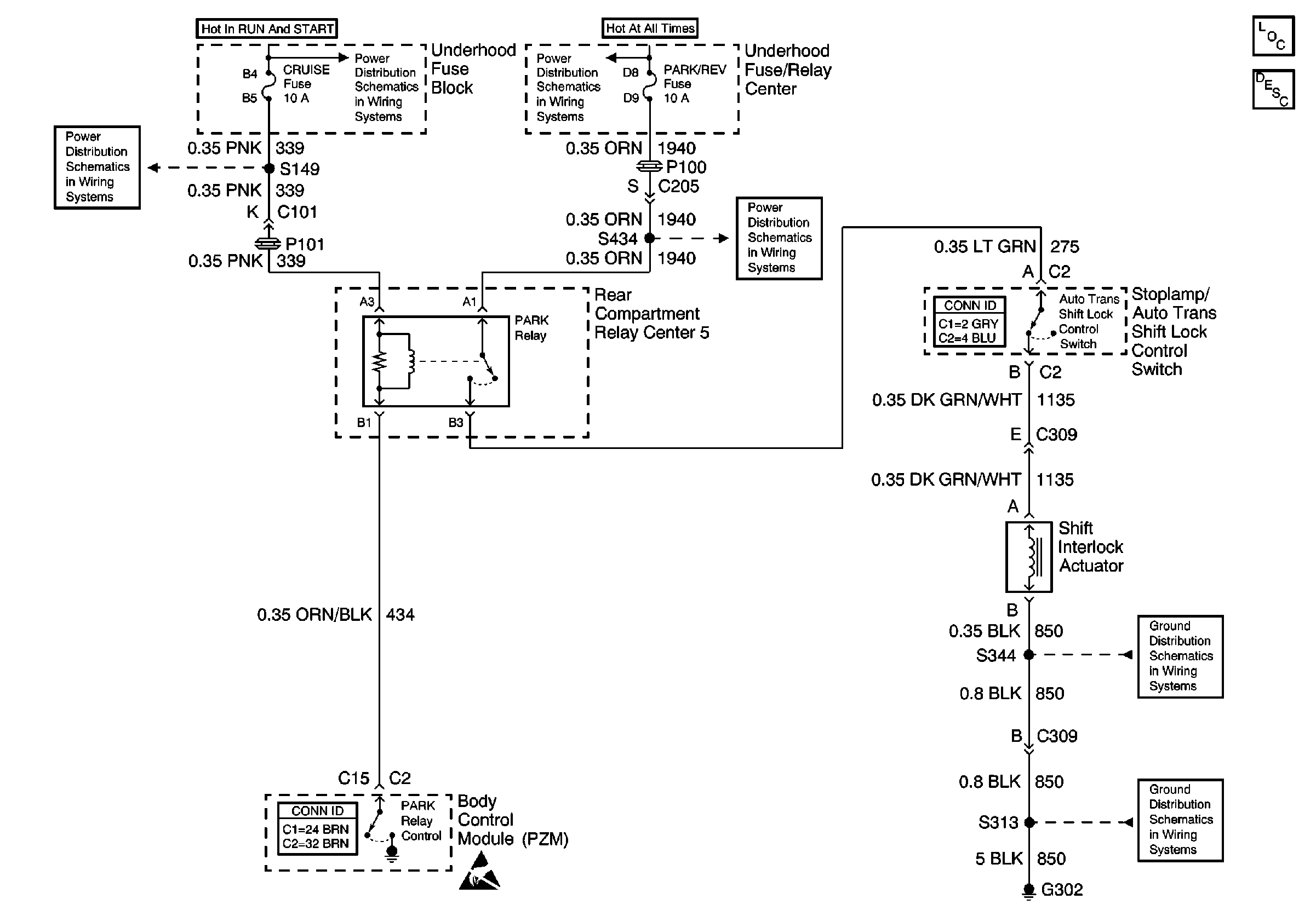
🢒 Shift Interlock Actuator
Shift Interlock Actuator
Shift Interlock Actuator
Body Rear End Components
Fuel Filler Door Release Circuit Description
G302 (2 of 2)
Shift Lock Control Connector End Views
PCM (BAT), A/C COMP, PARK/REV Fuses and A/C COMPRESSOR Relay
CRUISE, DIS, and PCM (IGN) Fuses
Handling ESD Sensitive Parts Notice
Body Control System Connector End Views
CRUISE, DIS, and PCM (IGN) Fuses
PCM (BAT), A/C COMP, PARK/REV Fuses and A/C COMPRESSOR Relay
G302 (1 of 2)