GM Service Manual Online
For 1990-2009 cars only
Makes
🢒
Cadillac
🢒
2000
🢒
Eldorado
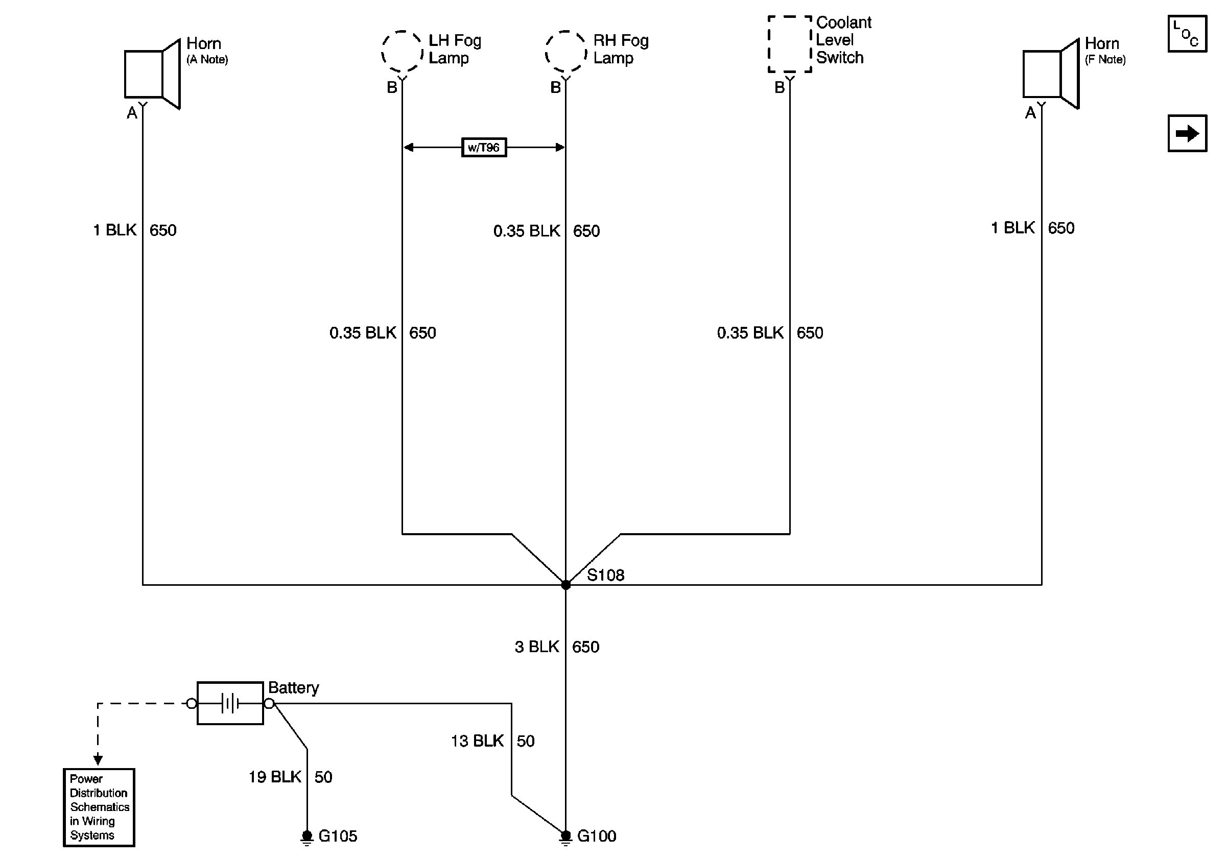
🢒 G100 and G105
G100 and G105
G100 and G105
G101
Power and Grounding Components
Battery Feeds