GM Service Manual Online
For 1990-2009 cars only
Makes
🢒
Cadillac
🢒
2000
🢒
Eldorado
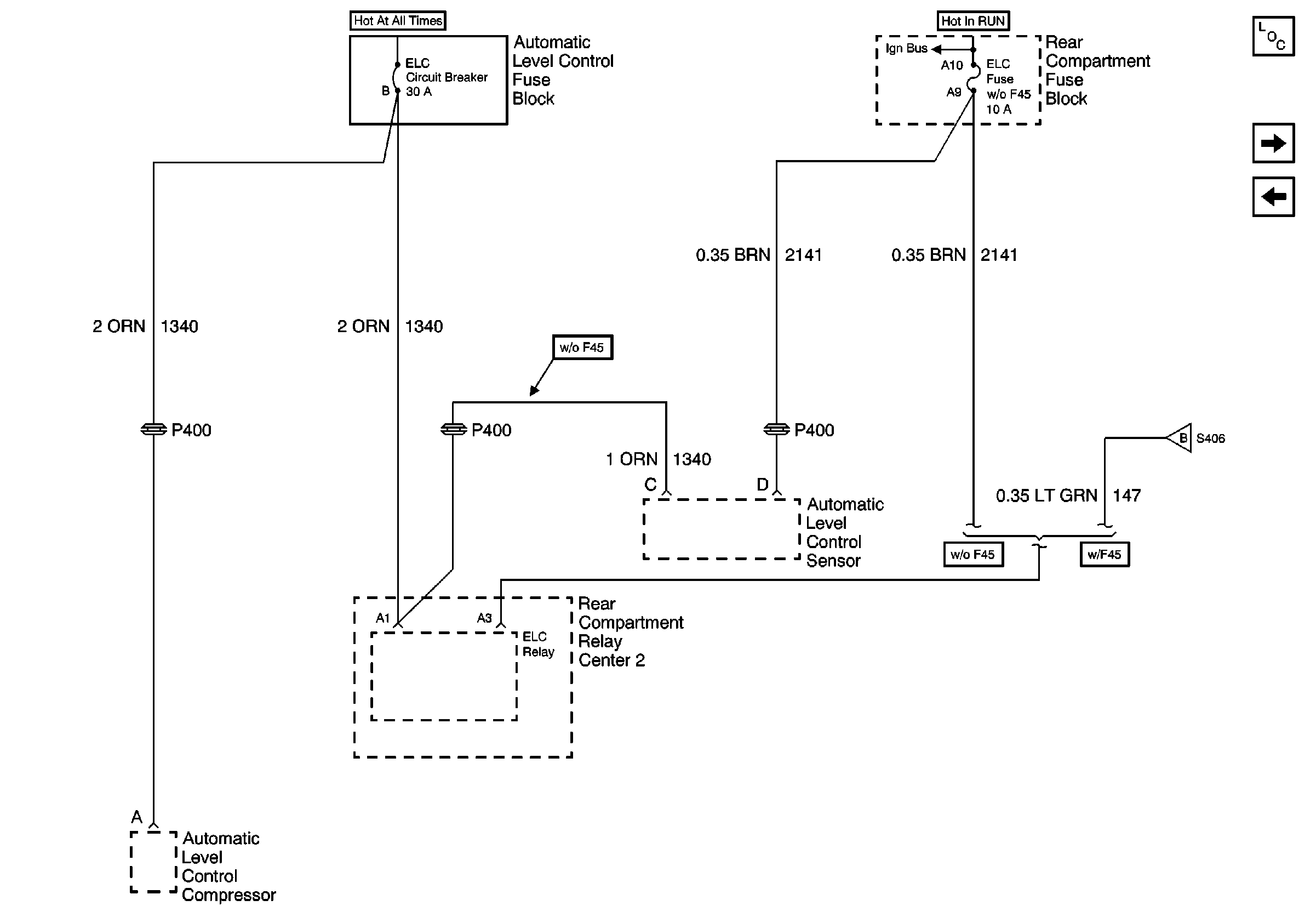
🢒 ELC Fuse and Circuit Breaker
ELC Fuse and Circuit Breaker
ELC Fuse and Circuit Breaker
Power and Grounding Components
IGN 0 BODY Fuse
WIPERS, ACC, and CLUSTER Fuses
BATT 3 Fuse and Ignition Switch (1 of 2)