GM Service Manual Online
For 1990-2009 cars only
Makes
🢒
Cadillac
🢒
2000
🢒
Eldorado
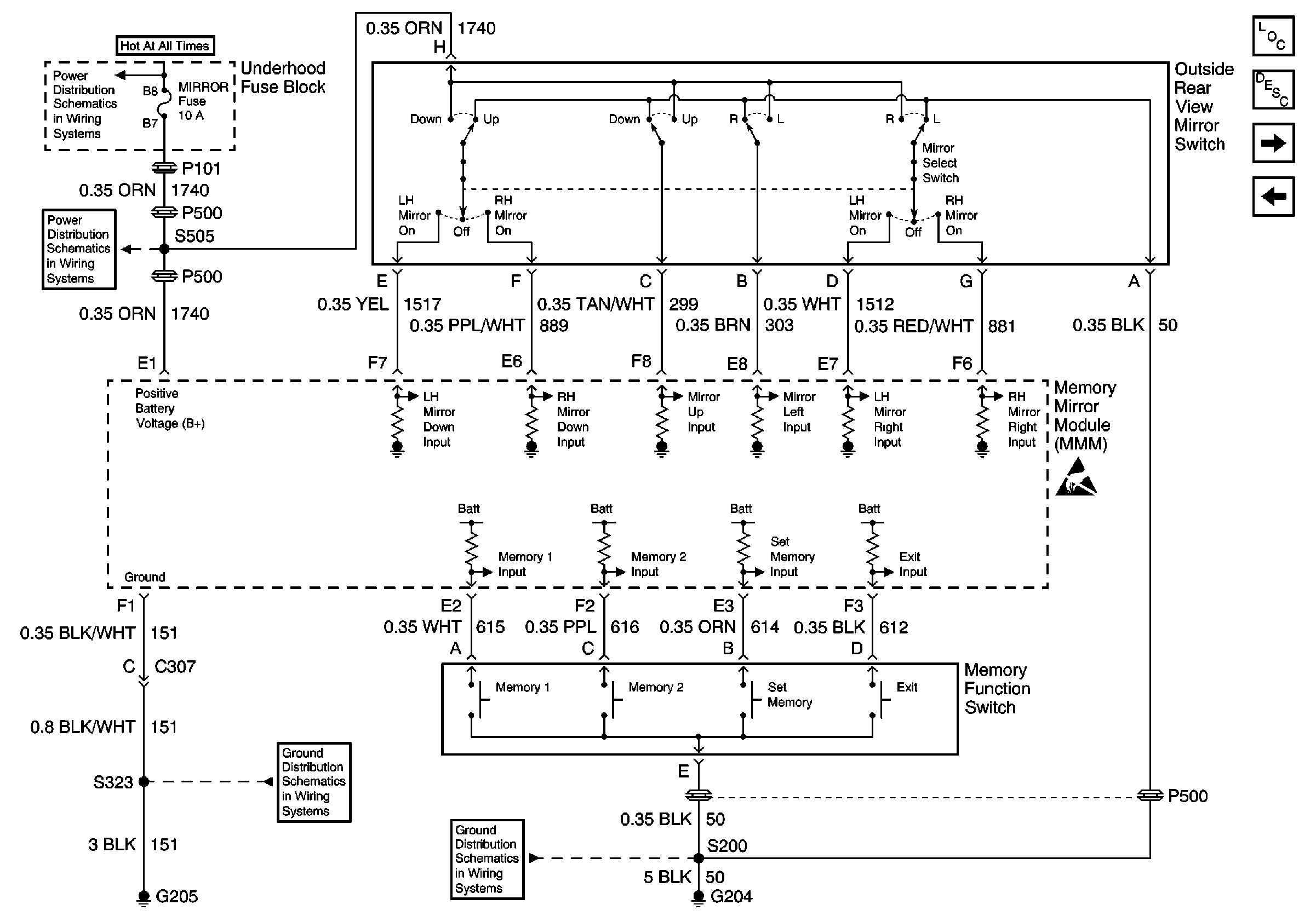
🢒 Power Mirror Switch (W/A45)
Power Mirror Switch (W/A45)
Power Mirror Switch (W/A45)
Power Door Systems Components
Outside Mirrors Circuit Description
Outside Power Mirrors (W/A45)
Outside Power Mirrors (W/O A45)
MIRROR, DRL, and FOG Fuses
MIRROR, DRL, and FOG Fuses
Handling ESD Sensitive Parts Notice
G205
G204