GM Service Manual Online
For 1990-2009 cars only
Makes
🢒
Cadillac
🢒
2000
🢒
Eldorado
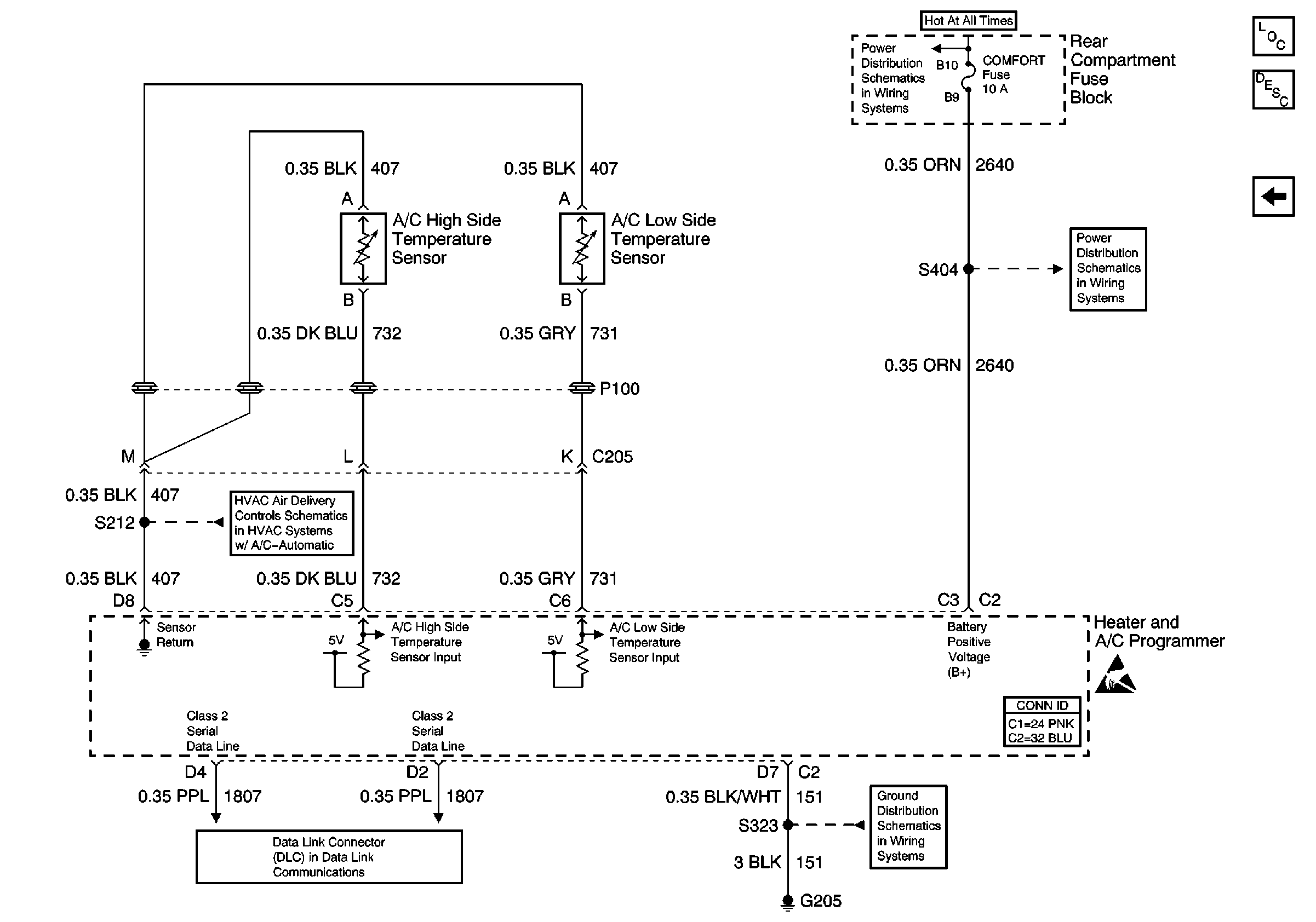
🢒 Temperature Sensors
Temperature Sensors
Temperature Sensors
HVAC Component Views
HVAC Compressor Controls Circuit Description
Pressure Switches
ANTENNA, RSS, HTD MIR, and HTD BACKLT Fuses
ANTENNA, RSS, HTD MIR, and HTD BACKLT Fuses
Temperature Sensors
HVAC Connector End Views
Class 2 (2 of 2)
G205
Handling ESD Sensitive Parts Notice