GM Service Manual Online
For 1990-2009 cars only

Refer to Engine Control Schematics

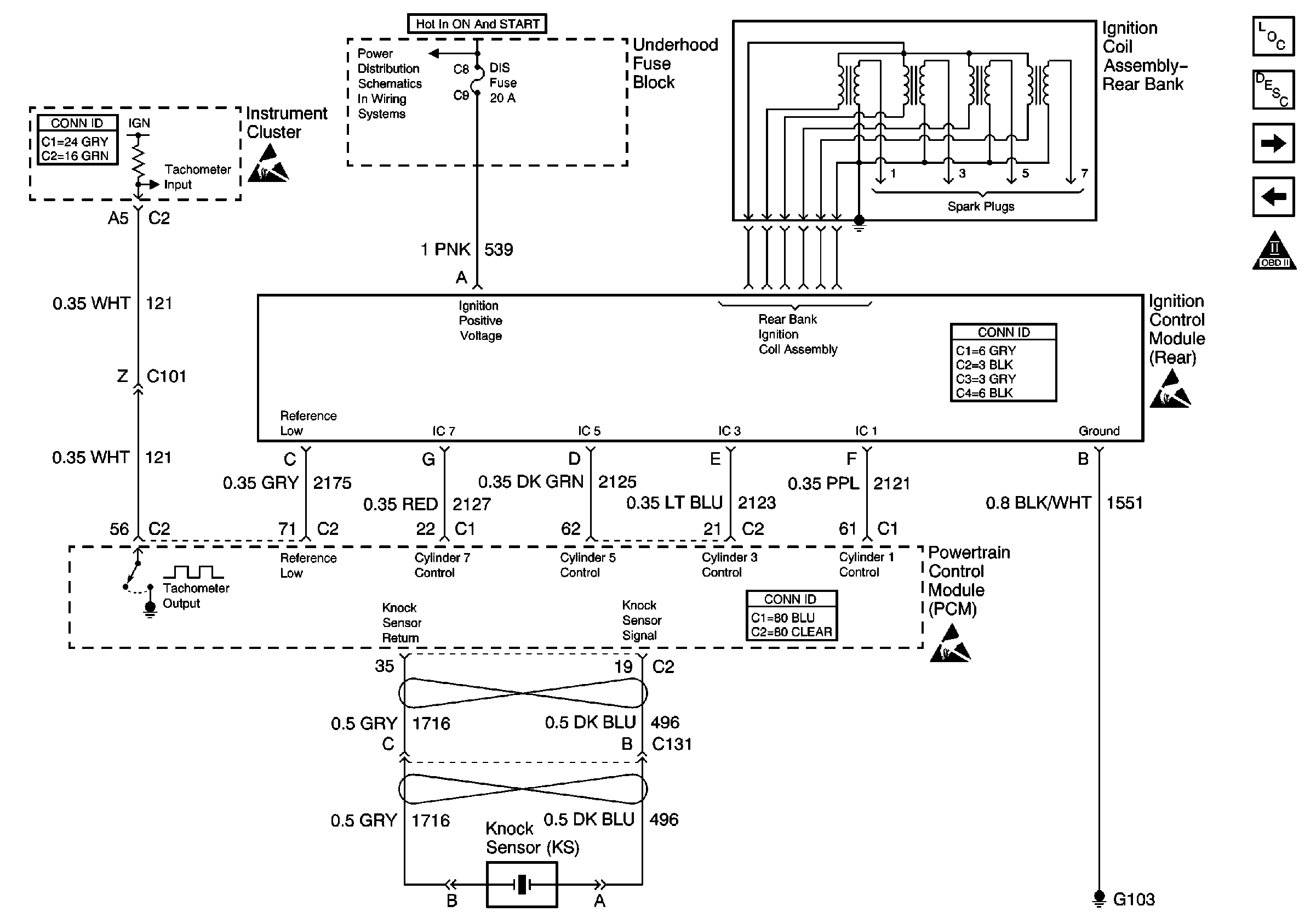
Ignition Control Module -- Rear Bank


Object Number: 601037  Size: FS
Engine Controls Components
Information Sensors/Switches Description
Fuel Pump and Relay
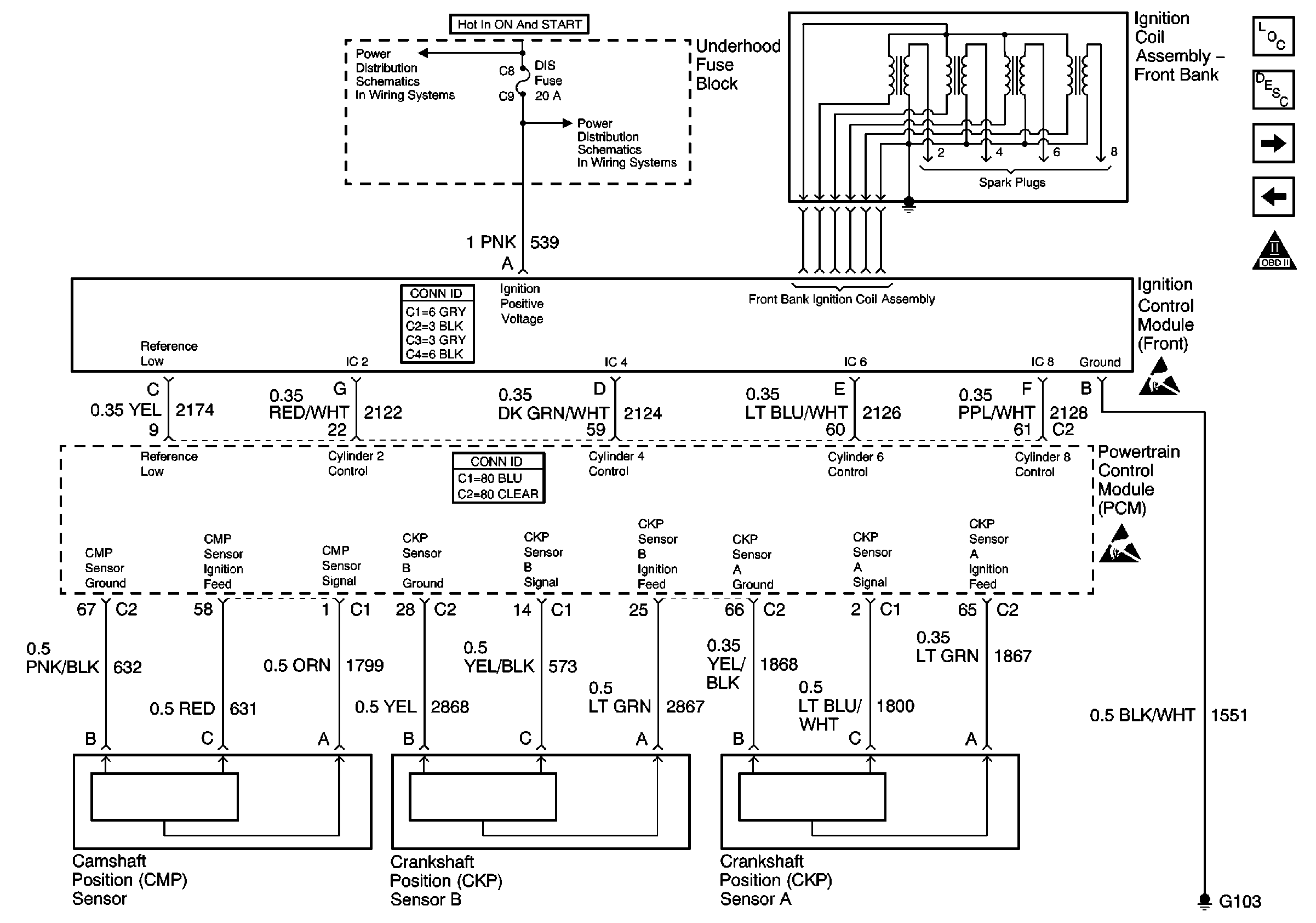
Ignition Control Module - Front Bank
OBD II Symbol Description Notice
CRUISE, DIS, and PCM (IGN) Fuses
CRUISE, DIS, and PCM (IGN) Fuses
Handling ESD Sensitive Parts Notice
Handling ESD Sensitive Parts Notice
and

Ignition Control Module -- Front Bank


Object Number: 601035  Size: FS
Engine Controls Components
Information Sensors/Switches Description
Ignition Control Module - Rear Bank
MIL Control and DLC
OBD II Symbol Description Notice
CRUISE, DIS, and PCM (IGN) Fuses
CRUISE, DIS, and PCM (IGN) Fuses
Handling ESD Sensitive Parts Notice
Handling ESD Sensitive Parts Notice
.

Circuit Description

The electronic ignition system uses an individual ignition coil for each cylinder. There are two separate ignition module assemblies located in the camshaft cover of each cylinder bank. Each ignition module assembly contains an ignition control module and four ignition coils. Each ignition coil connects directly to a spark plug using a boot. This arrangement eliminates the need for secondary ignition wires. The ignition module assemblies receive power from a fused ignition feed. Both ignition module assemblies connect to chassis ground. A Reference Low and four ignition control (IC) circuits connect each ignition module assembly to the PCM. The PCM uses the individual IC circuits to control coil sequencing and spark timing for each ignition coil. The IC circuits transmit timing pulses from the PCM to the ignition control module to trigger the ignition coil and fire the spark plug. The PCM monitors each IC circuit for improper voltage levels. The PCM also monitors the IC circuits in two groups. The groups consist of every other cylinder in the cylinder firing order (i.e., 1/7/4/6; 2/3/5/8). The PCM monitors the IC circuit group to detect improper voltage levels that occur randomly. If improper voltage levels occur randomly in the IC circuits for the #2, #3, #5, and/or #8 cylinders, DTC P1360 will set.

Conditions for Running the DTC

The engine is running.

Conditions for Setting the DTC

    • The PCM detects improper voltage levels occurring randomly on the IC circuits for the #2, #3, #5 and/or #8 cylinders.
    • The condition exists for less than 0.5 seconds.

Action Taken When the DTC Sets

    • The PCM will illuminate the malfunction indicator lamp (MIL) the first time the malfunction is detected.
    • The PCM will store conditions which were present when the DTC set as Freeze Frame and Fail Records data.

Conditions for Clearing the MIL/DTC

    • The PCM will turn the MIL OFF during the third consecutive trip in which the diagnostic has been run and passed.
    • The History DTC will clear after 40 consecutive warm-up cycles have occurred without a malfunction.
    • The DTC can be cleared by using the scan tool Clear DTC Information function or by disconnecting the PCM battery feed.

Diagnostic Aids

The Misfire Current Cyl # / Misfire History Cyl # displays on the scan tool provides information that may be useful in diagnosing DTC P1360. The Misfire Current Cyl # counter may normally display a small amount of activity (0-10 counts). However, the display should not increment steadily. The Misfire History Cyl # counter will display a very large number for the circuit(s) with the largest failure occurrence.

If the condition is intermittent, refer to Intermittent Conditions in Symptoms.

Step

Action

Value(s)

Yes

No

1

Did you perform the Powertrain On Board Diagnostic (OBD) System Check?

--

Go to Step 2

Go to Powertrain On Board Diagnostic (OBD) System Check

2

Is DTC P1359 also set?

--

Go to Step 3

Go to Step 5

3

With the engine idling, observe the Misfire Bar Graph display on the scan tool.

Is the Misfire Bar Graph incrementing for an even cylinder(s)?

--

Go to Step 6

Go to Step 4

4

Is the Misfire Bar Graph Bar Graph incrementing for an odd cylinder(s)?

--

Go to Step 7

Go to Step 15

5

With the engine idling, observe the Misfire Bar Graph display on the scan tool.

Is the Misfire Bar Graph incrementing for two cylinders?

--

Go to Step 8

Go to Step 11

6

  1. Inspect the front bank ignition coil cassette assembly for the following conditions:
  2. • Disconnected or damaged harness connector
    • Loss of ignition module power or ground
    • Poor connections between the ignition module and harness connector
  3. If a condition is found, repair as necessary. Refer to Wiring Repairs in Wiring Systems.

Did you find and correct the condition?

--

Go to Step 16

Go to Step 14

7

  1. Inspect the rear bank ignition coil cassette assembly for the following conditions:
  2. • Disconnected or damaged harness connector
    • Loss of ignition module power or ground
    • Poor connections between the ignition module and harness connector
  3. If a condition is found, repair as necessary. Refer to Wiring Repairs in Wiring Systems.

Did you find and correct the condition?

--

Go to Step 16

Go to Step 14

8

Are the incrementing cylinders even (cylinders 2 and 8)?

--

Go to Step 9

Go to Step 10

9

  1. Turn OFF the ignition.
  2. Disconnect the front bank ignition coil cassette connector.
  3. Disconnect the PCM connector C2. Refer to Powertrain Control Module Replacement/Programming .
  4. Test cylinder 2 and 8 IC circuits for a short to voltage. Refer to Circuit Testing in Wiring Systems.
  5. If the condition is found, repair as necessary. Refer to Wiring Repairs in Wiring Systems.

Did you find and correct the condition?

--

Go to Step 16

Go to Step 15

10

  1. Turn OFF the ignition.
  2. Disconnect the rear bank ignition coil cassette connector.
  3. Disconnect the PCM connector C2. Refer to Powertrain Control Module Replacement/Programming .
  4. Test cylinder 3 and 5 IC circuits for a short to voltage. Refer to Circuit Testing in Wiring Systems.
  5. If the condition is found, repair as necessary. Refer to Wiring Repairs in Wiring Systems.

Did you find and correct the condition?

--

Go to Step 16

Go to Step 15

11

  1. Turn OFF the ignition.
  2. Disconnect the ignition coil cassette connector associated with the incrementing Misfire Bar Graph.
  3. Connect DMM between the affected IC circuit and ground.
  4. Remove the fuel injector fuses.
  5. Measure the frequency of the affected IC circuit while cranking the engine.

Does the DMM display a frequency within the specified values?

1-2 Hz

Go to Step 13

Go to Step 12

12

  1. Test the affected IC circuit for an open. Refer to Circuit Testing in Wiring Systems.
  2. If the condition is found, repair as necessary. Refer to Wiring Repairs in Wiring Systems.

Did you find and correct the condition?

--

Go to Step 16

Go to Step 15

13

  1. Test for poor connections between the ignition module and harness connector for the affected IC circuit.
  2. If the condition is found, repair as necessary. Refer to Connector Repairs in Wiring Systems.

Did you find and correct the condition?

--

Go to Step 16

Go to Step 14

14

Replace the appropriate ignition module. Refer to Ignition Control Module Replacement - Bank 1 or Ignition Control Module Replacement - Bank 2 .

Did you complete the replacement?

--

Go to Step 16

--

15

Important: The replacement PCM must be programmed.

Replace the PCM. Refer to Powertrain Control Module Replacement/Programming .

Did you complete the replacement?

--

Go to Step 16

--

16

  1. Review and record the scan tool Fail Records data.
  2. Clear the DTC(s).
  3. Operate the vehicle within the parameters listed in the Conditions for Running the DTC.
  4. With the scan tool, monitor the Specific DTC Information for DTC P1360 until the test runs.

Does the scan tool indicate that DTC P1360 passed?

--

System OK

Go to Step 2