GM Service Manual Online
For 1990-2009 cars only
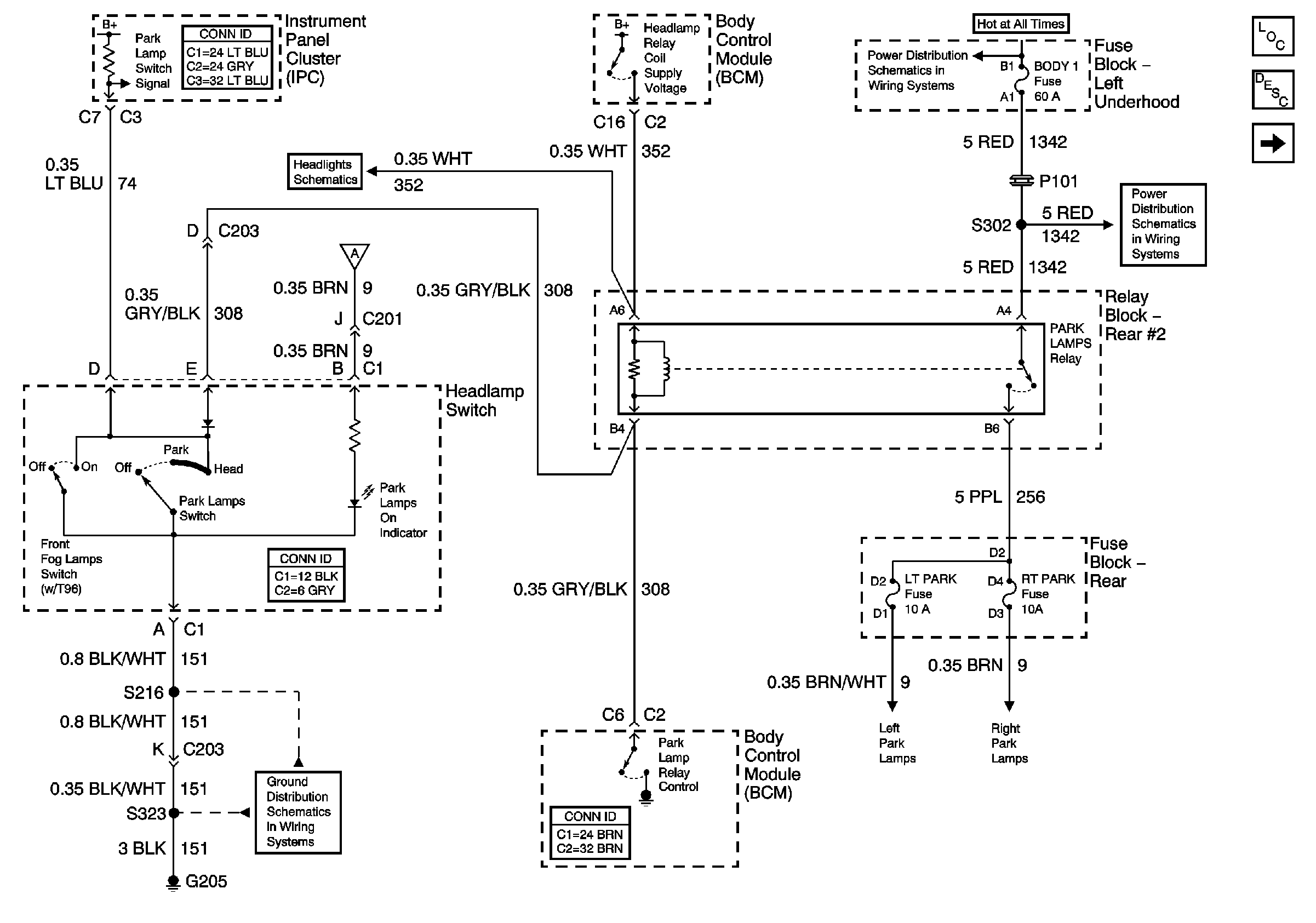
Figure 1:

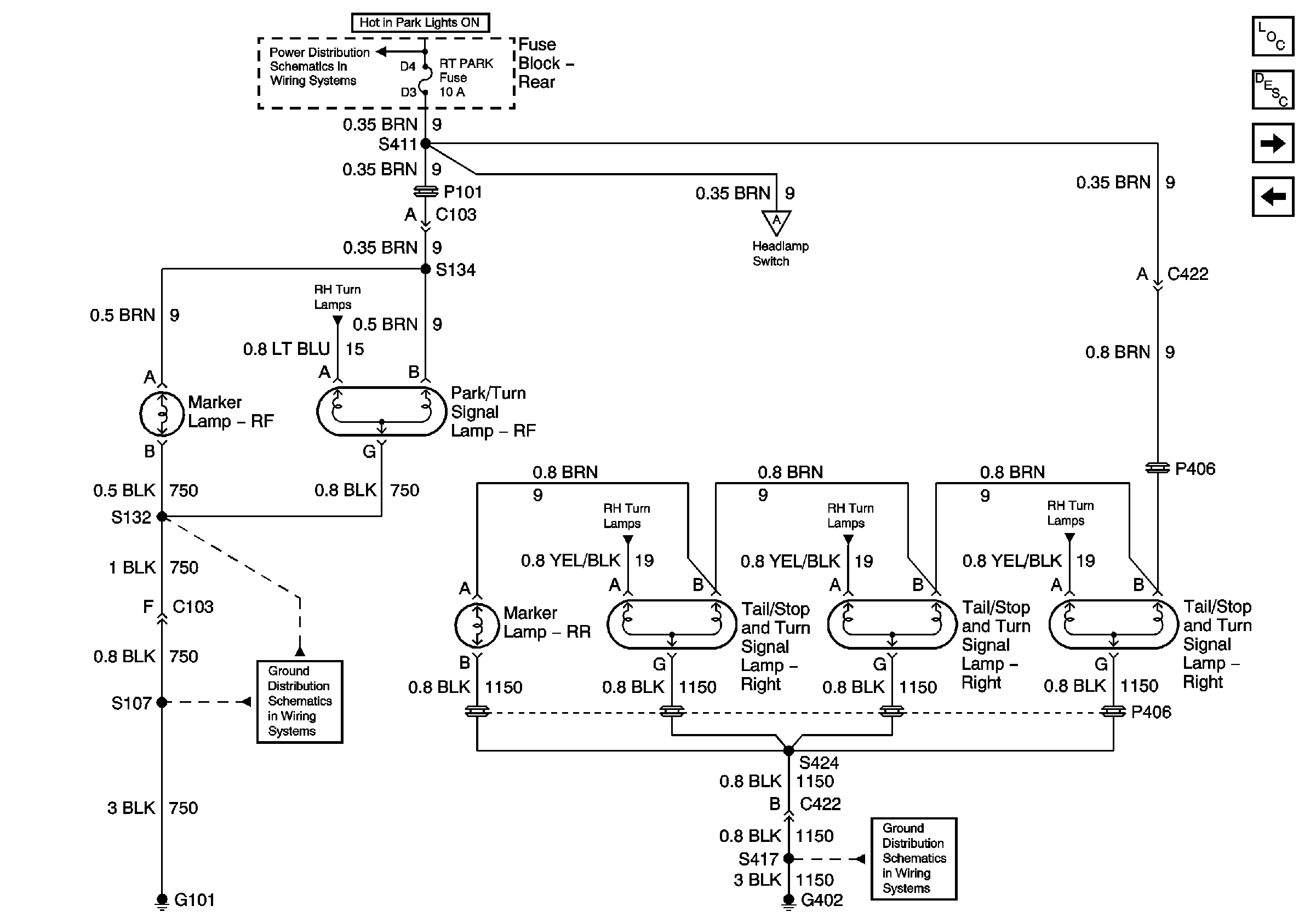
Headlamp Switch and Park Lamp Control


Object Number: 715143  Size: FS
Master Electrical Component List
LH Park Lamps
BODY 1 Fuse
G205
RH Park Lamps
Headlamp Switch and Headlamp Control
Battery Feeds
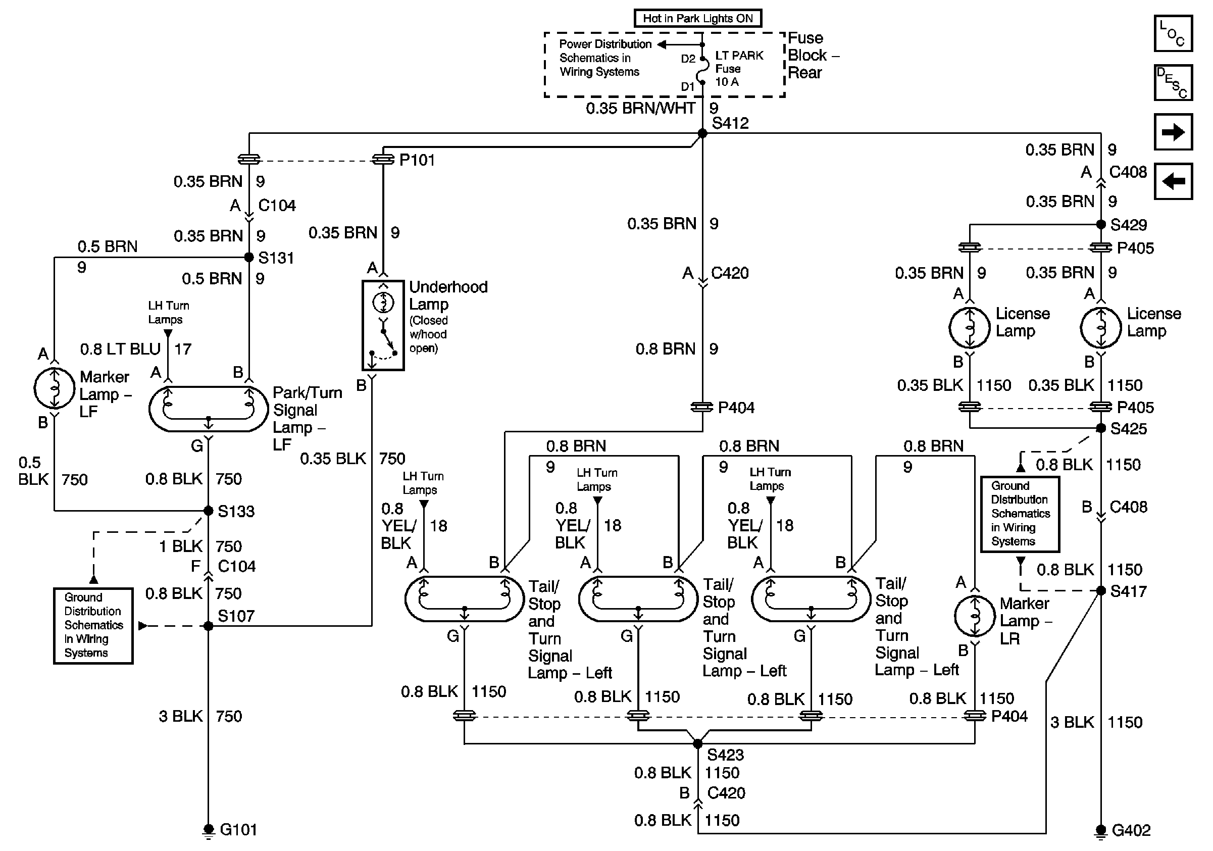
Figure 2:

LH Park Lamps


Object Number: 715148  Size: FS
Master Electrical Component List
RH Park Lamps
Headlamp Switch and Park Lamp Control
G402
G101
BODY 1 Fuse
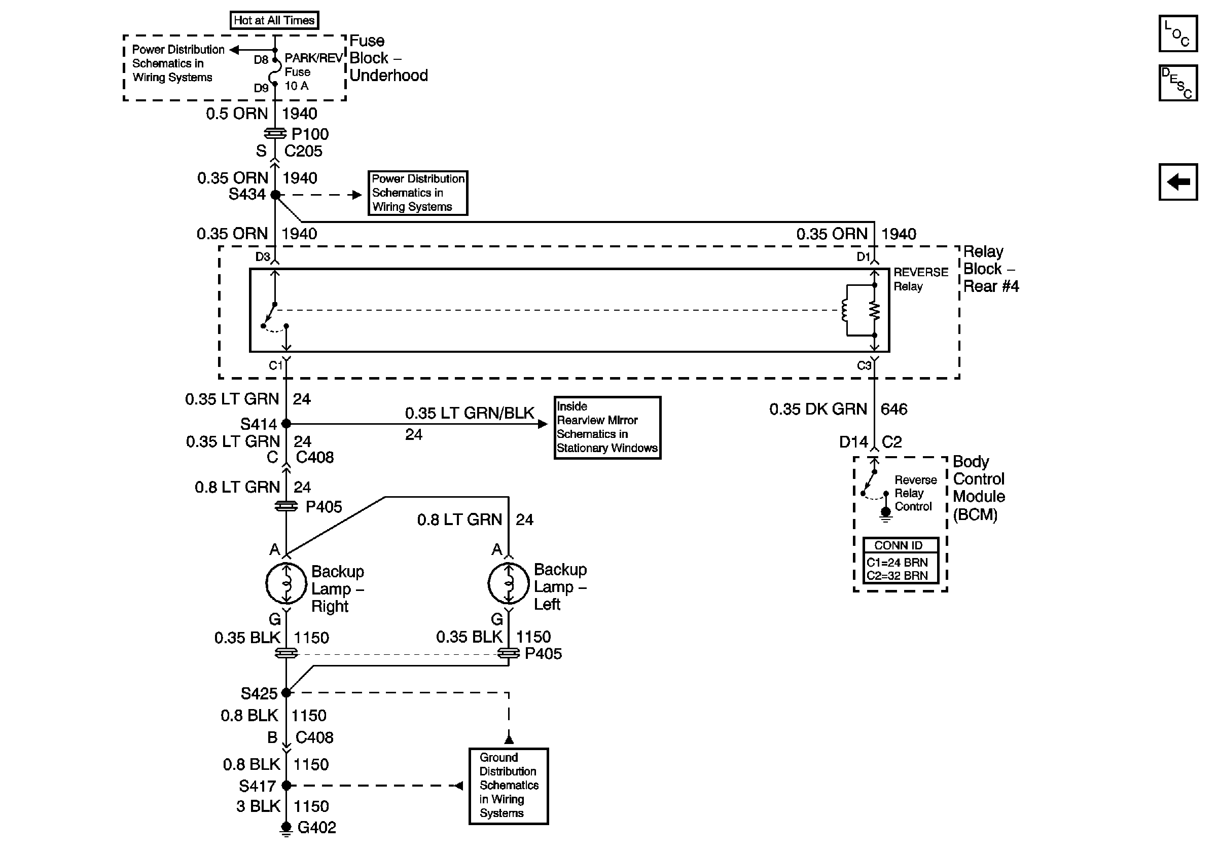
Figure 3:

RH Park Lamps


Object Number: 715154  Size: FS
Master Electrical Component List
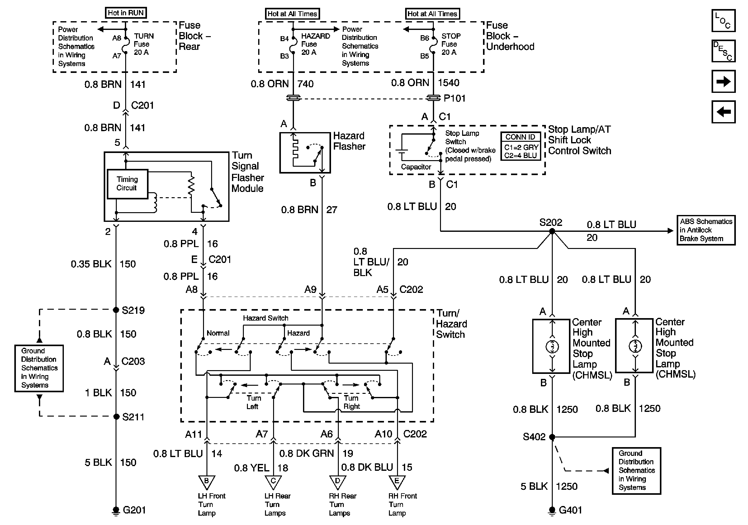
Turn Signal Flasher, Hazard Flasher, and Stoplamp/AT Shift Lock Control Switch
LH Park Lamps
G402
G101
BODY 1 Fuse
Headlamp Switch and Park Lamp Control
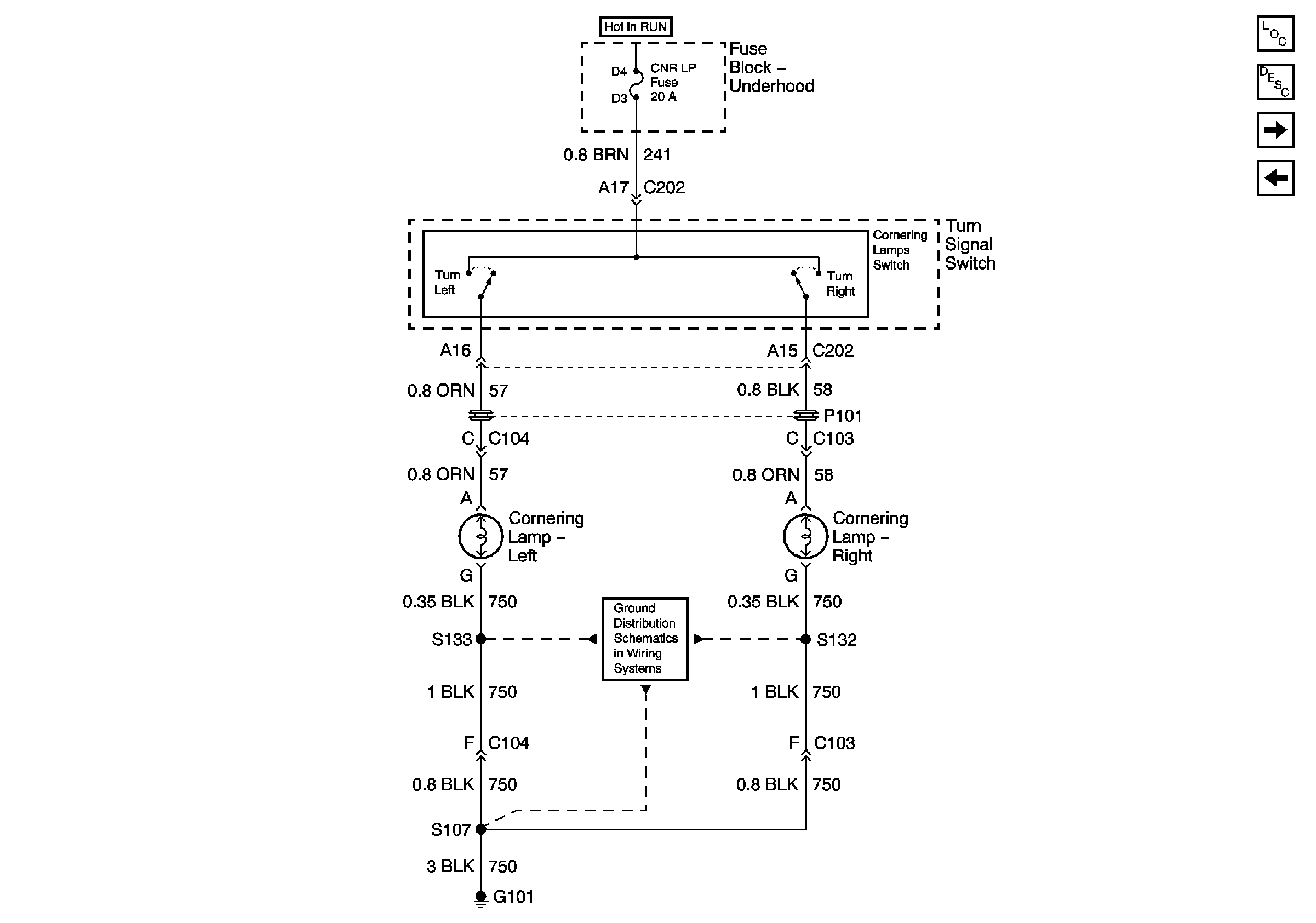
Figure 4:

Turn Signal Flasher, Hazard Flasher, and Stoplamp/AT Shift Lock Control Switch


Object Number: 715159  Size: FS
Master Electrical Component List
Turn Lamps
RH Park Lamps
Power, Ground, Stoplamp Switch, Solenoid Valves, and Pump Motor
G401 (1 of 2)
Turn Lamps
Turn Lamps
Turn Lamps
Turn Lamps
G201
BATT 3 and Ignition Switch (1 of 2)
LAMPS and IGN 1 Fuses
Figure 5:

Turn Lamps


Object Number: 715175  Size: FS
Master Electrical Component List
Cornering Lamps
Turn Signal Flasher, Hazard Flasher, and Stoplamp/AT Shift Lock Control Switch
G402
G101
Turn Signal Flasher, Hazard Flasher, and Stoplamp/AT Shift Lock Control Switch
Turn Signal Flasher, Hazard Flasher, and Stoplamp/AT Shift Lock Control Switch
Turn Signal Flasher, Hazard Flasher, and Stoplamp/AT Shift Lock Control Switch
Turn Signal Flasher, Hazard Flasher, and Stoplamp/AT Shift Lock Control Switch
Figure 6:

Cornering Lamps


Object Number: 715180  Size: FS
Master Electrical Component List
Turn Lamps
Backup Lamps
G101
Figure 7:

Backup Lamps


Object Number: 715184  Size: FS
Master Electrical Component List
G402
Inside Rear View Mirror
PCM (BAT), A/C COMP, PARK/REV Fuses and A/C COMPRESSOR Relay
IGN 1, COOL FANS, BATT 1, and BRAKES Fuses