GM Service Manual Online
For 1990-2009 cars only
Makes
🢒
Cadillac
🢒
2001
🢒
Eldorado
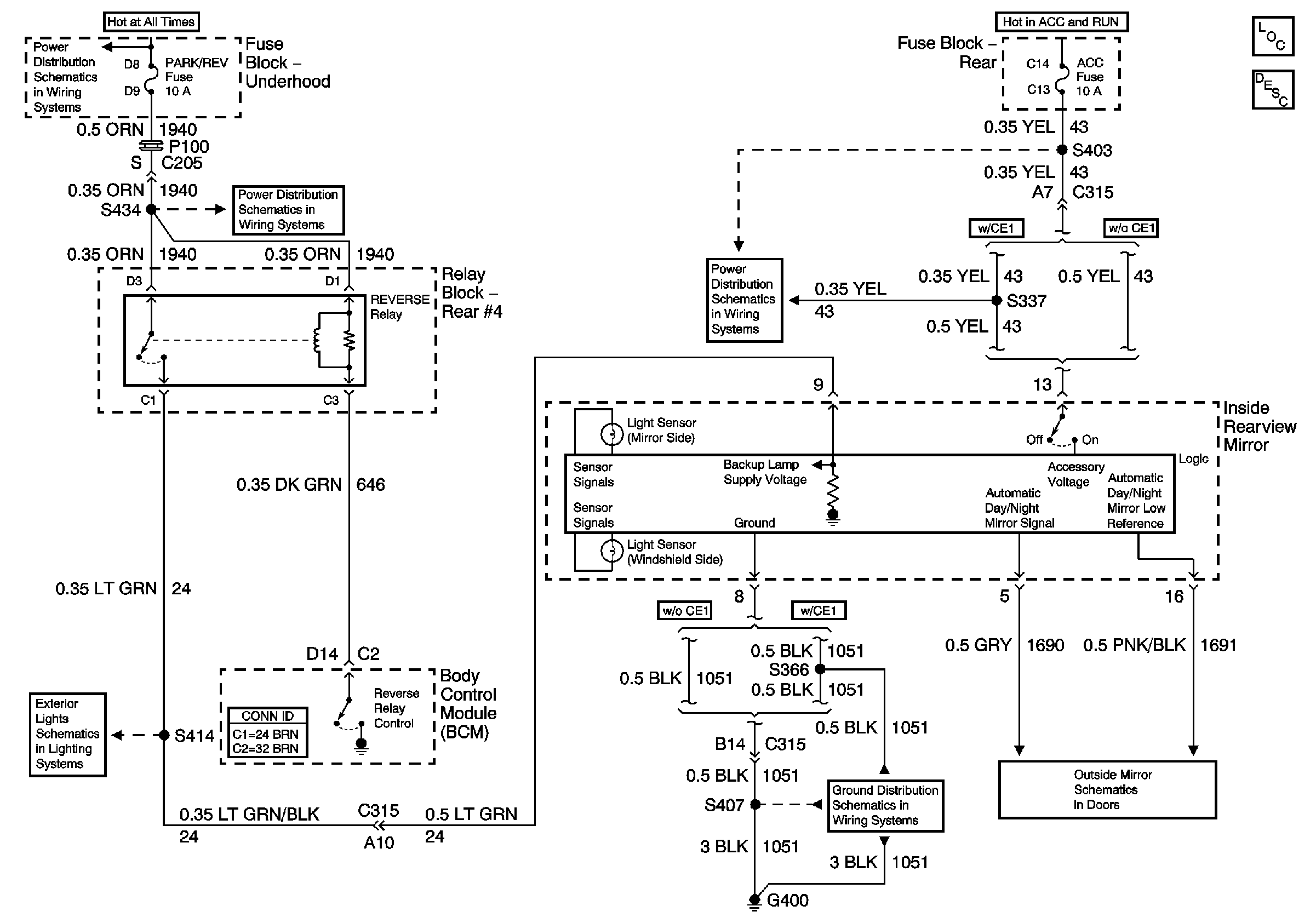
🢒 Inside Rear View Mirror
Inside Rear View Mirror
Inside Rear View Mirror
Master Electrical Component List
G400
Backup Lamps
PCM (BAT), A/C COMP, PARK/REV Fuses and A/C COMPRESSOR Relay
IGN 1, COOL FANS, BATT 1, and BRAKES Fuses
WIPERS, ACC, and CLUSTER Fuses
Heated Mirrors