GM Service Manual Online
For 1990-2009 cars only
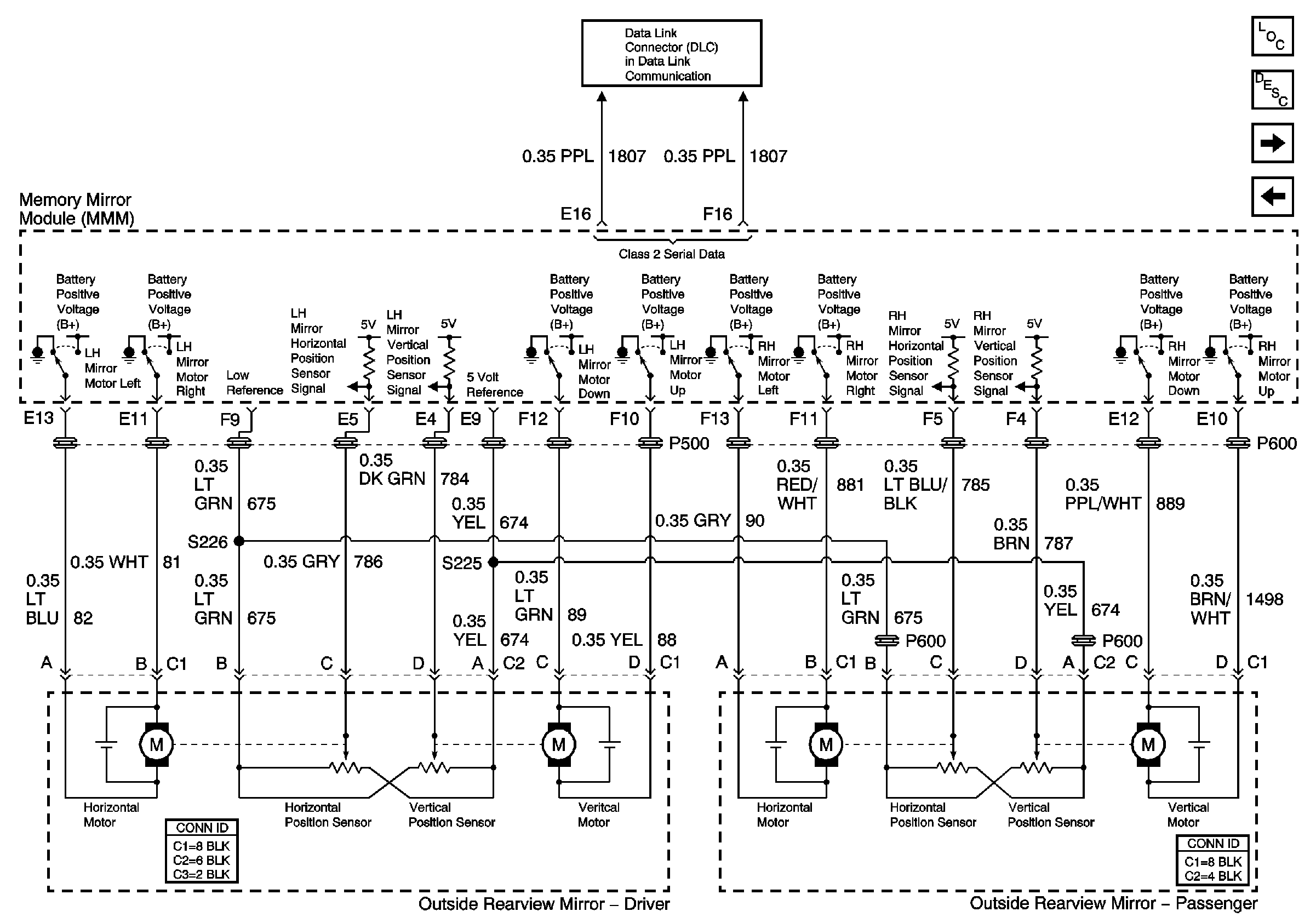
Figure 1:

Outside Power Mirrors w/o A45


Object Number: 716220  Size: FS
Master Electrical Component List
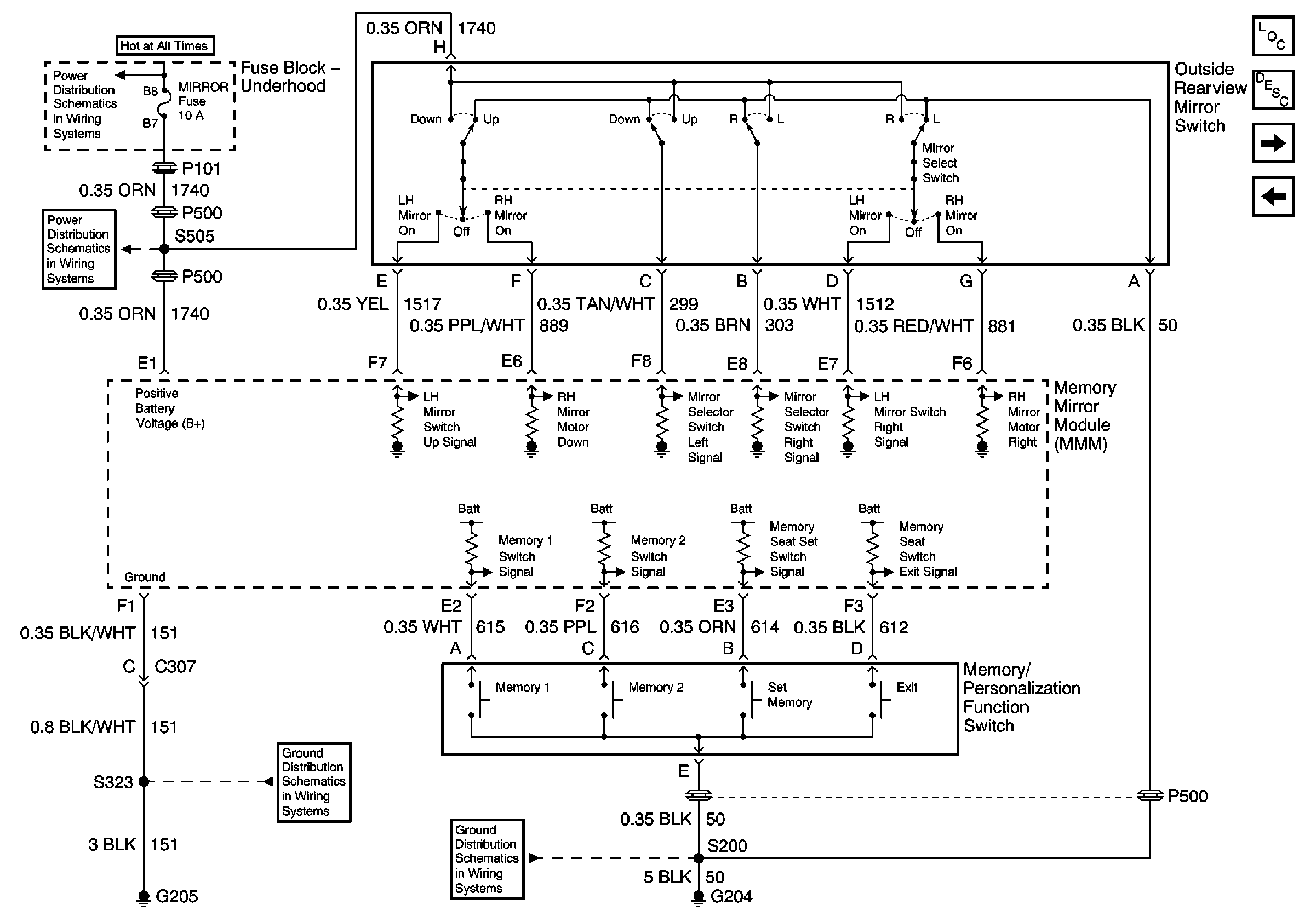
Power Mirror Switch w/A45
G204
LAMPS and IGN 1 Fuses
MIRROR, DRL, and FOG Fuses
Figure 2:

Power Mirror Switch w/A45


Object Number: 716222  Size: FS
Master Electrical Component List
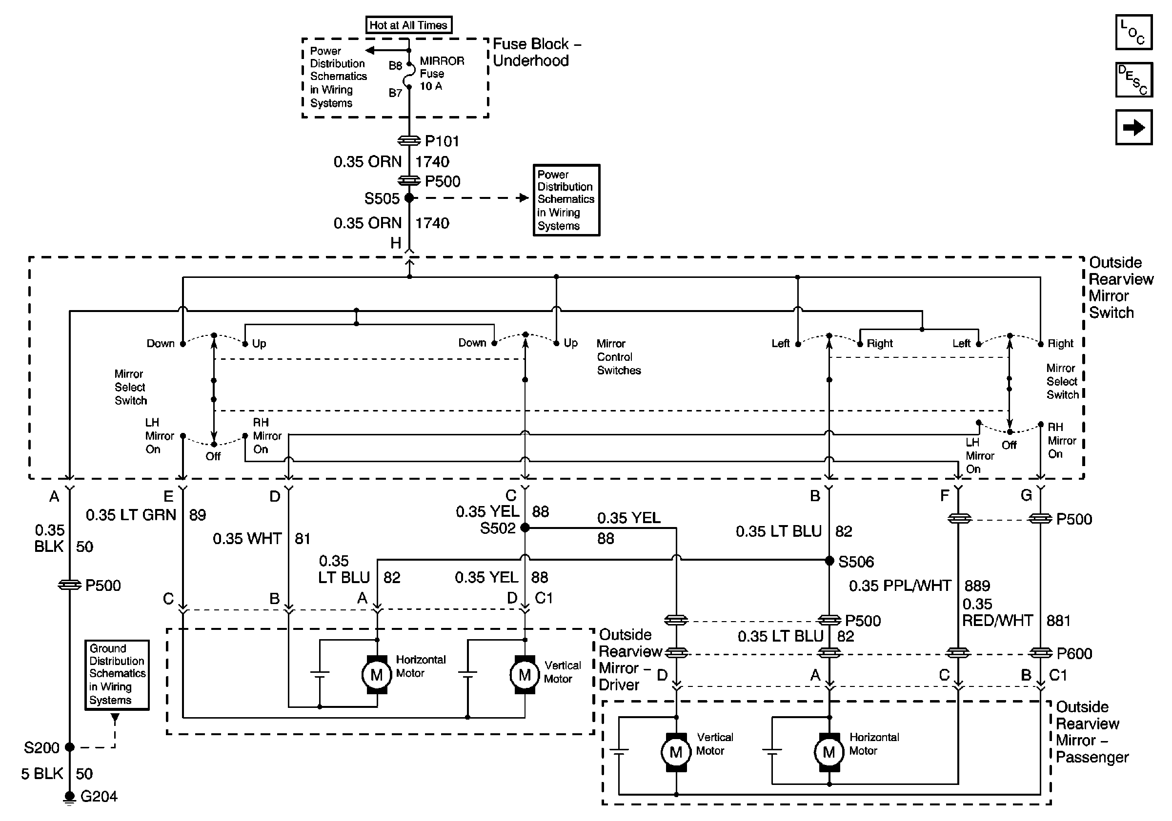
Outside Power Mirrors w/A45
Outside Power Mirrors w/o A45
G204
G205
MIRROR, DRL, and FOG Fuses
LAMPS and IGN 1 Fuses
Figure 3:

Ouside Power Mirrors w/A45


Object Number: 716225  Size: FS
Master Electrical Component List
Heated Mirrors
Power Mirror Switch w/A45
Power, Ground, and Class 2 (2 of 2)
Figure 4:

Heated Mirrors


Object Number: 716228  Size: FS
Master Electrical Component List
Outside Power Mirrors w/A45
G201
G204
BODY 2 Fuse
IGN 0 BODY Fuse
BATT 3 and Ignition Switch (1 of 2)
Battery Feeds
BODY 2 Fuse