GM Service Manual Online
For 1990-2009 cars only
Figure 1:

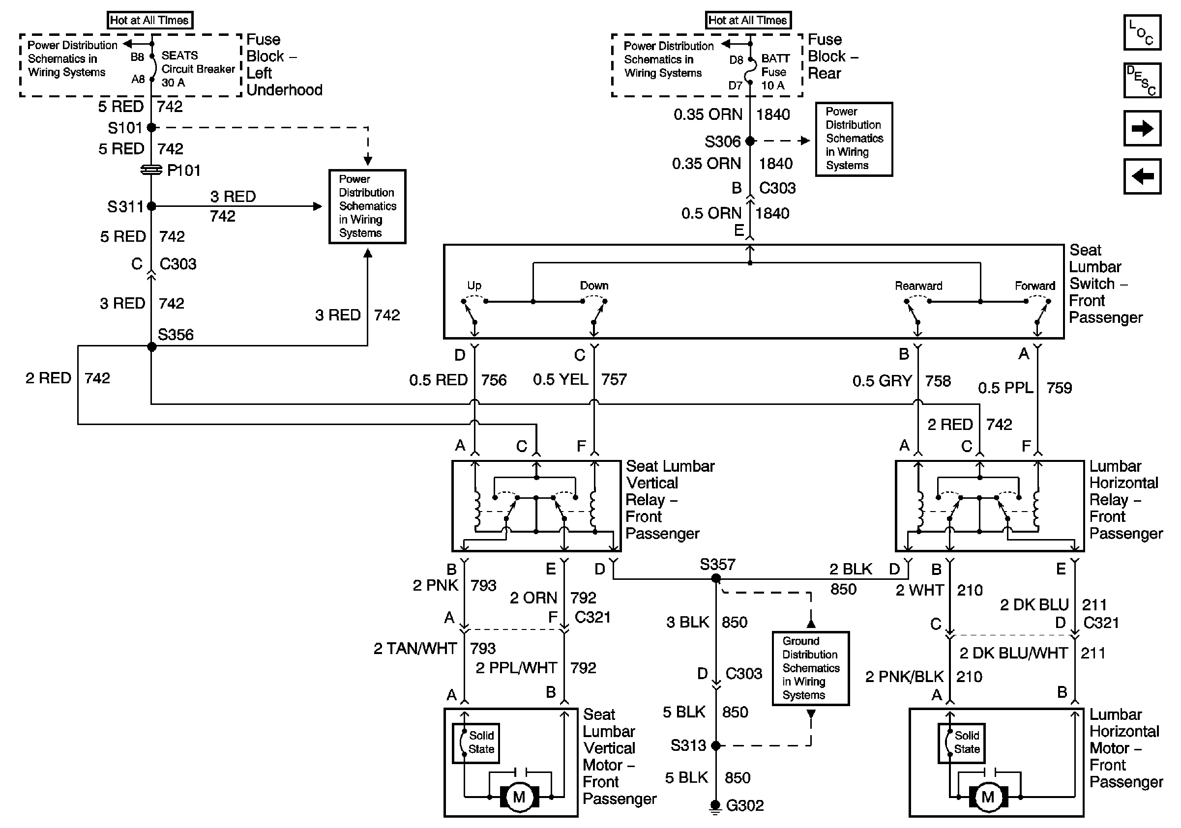
Driver Seat w/AL2 and w/o A45


Object Number: 716288  Size: FS
Master Electrical Component List
Right Power Lumbar w/AL2 and w/o A45
G302 (1 of 2)
Battery Feeds
SEATS Circuit Breaker
BODY 1 Fuse
BATT Fuse
Figure 2:

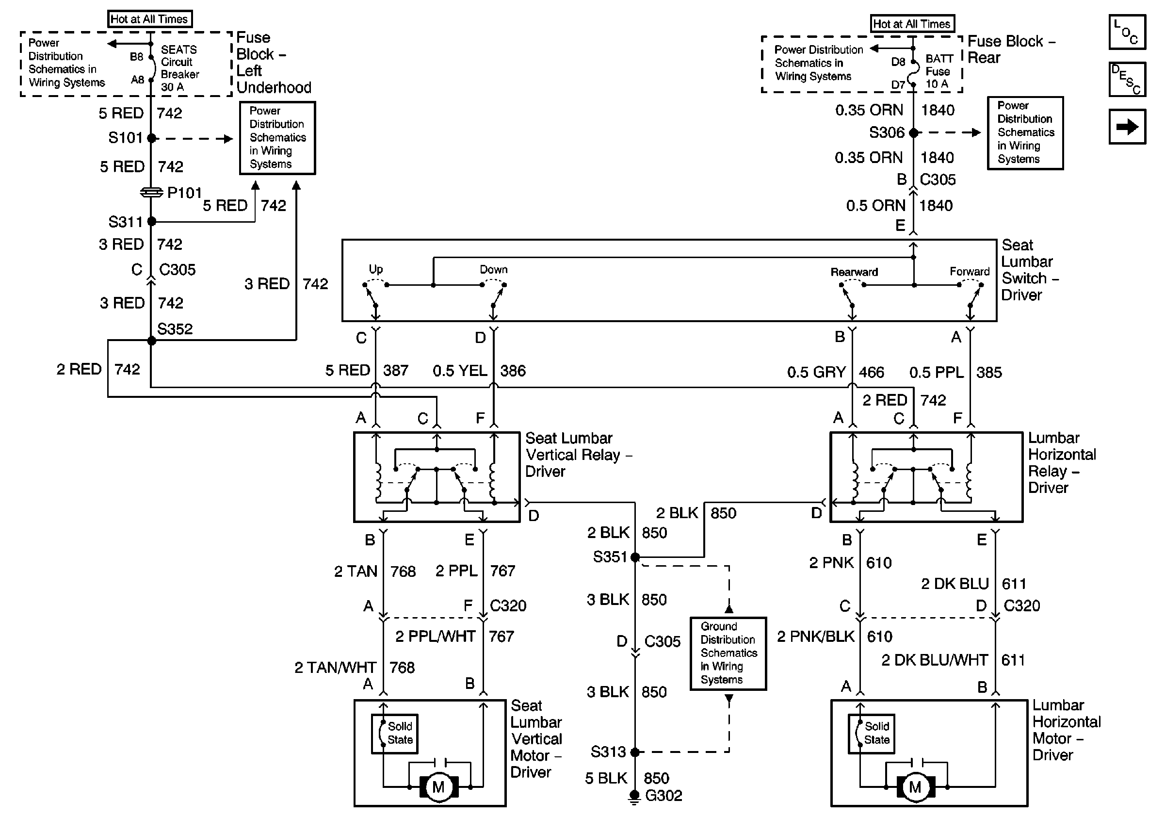
Passenger Seat w/AL2 and w/o A45


Object Number: 716293  Size: FS
Master Electrical Component List
Left Power Lumbar w/AL2 and A45
Left Power Lumbar w/AL2 and w/o A45
G302 (1 of 2)
Battery Feeds
SEATS Circuit Breaker
BODY 1 Fuse
BATT Fuse
Figure 3:

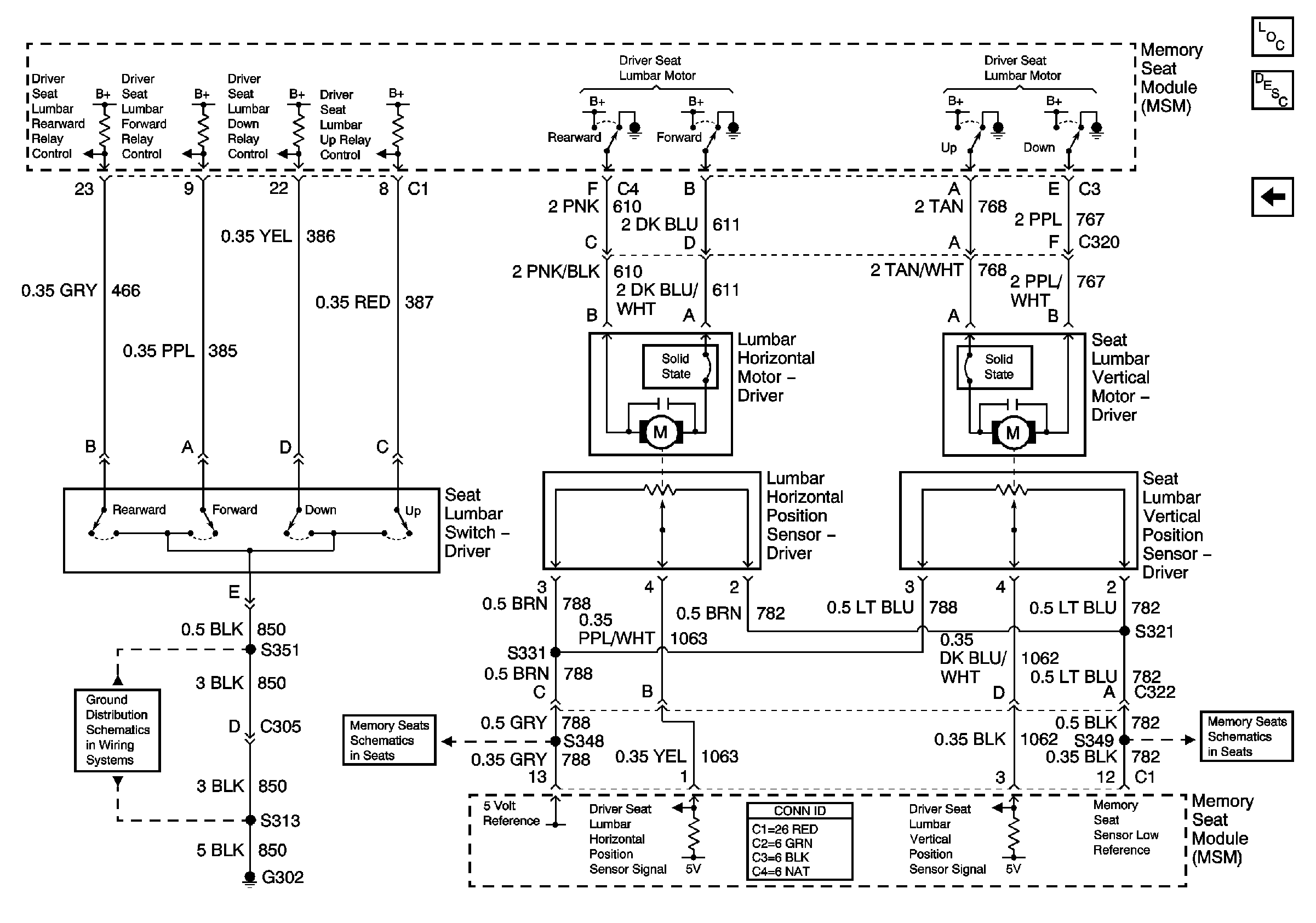
Driver Seat w/A45


Object Number: 716298  Size: FS
Master Electrical Component List
Right Power Lumbar w/AL2 and w/o A45
Seat Front Vertical, Seat Rear Vertical, and Seat Horizontal Position Sensors and Motors
Seat Front Vertical, Seat Rear Vertical, and Seat Horizontal Position Sensors and Motors
G302 (1 of 2)