GM Service Manual Online
For 1990-2009 cars only
Makes
🢒
Cadillac
🢒
2001
🢒
Eldorado
🢒
Body and Accessories
🢒
Seats
🢒 Heated Seats Schematics
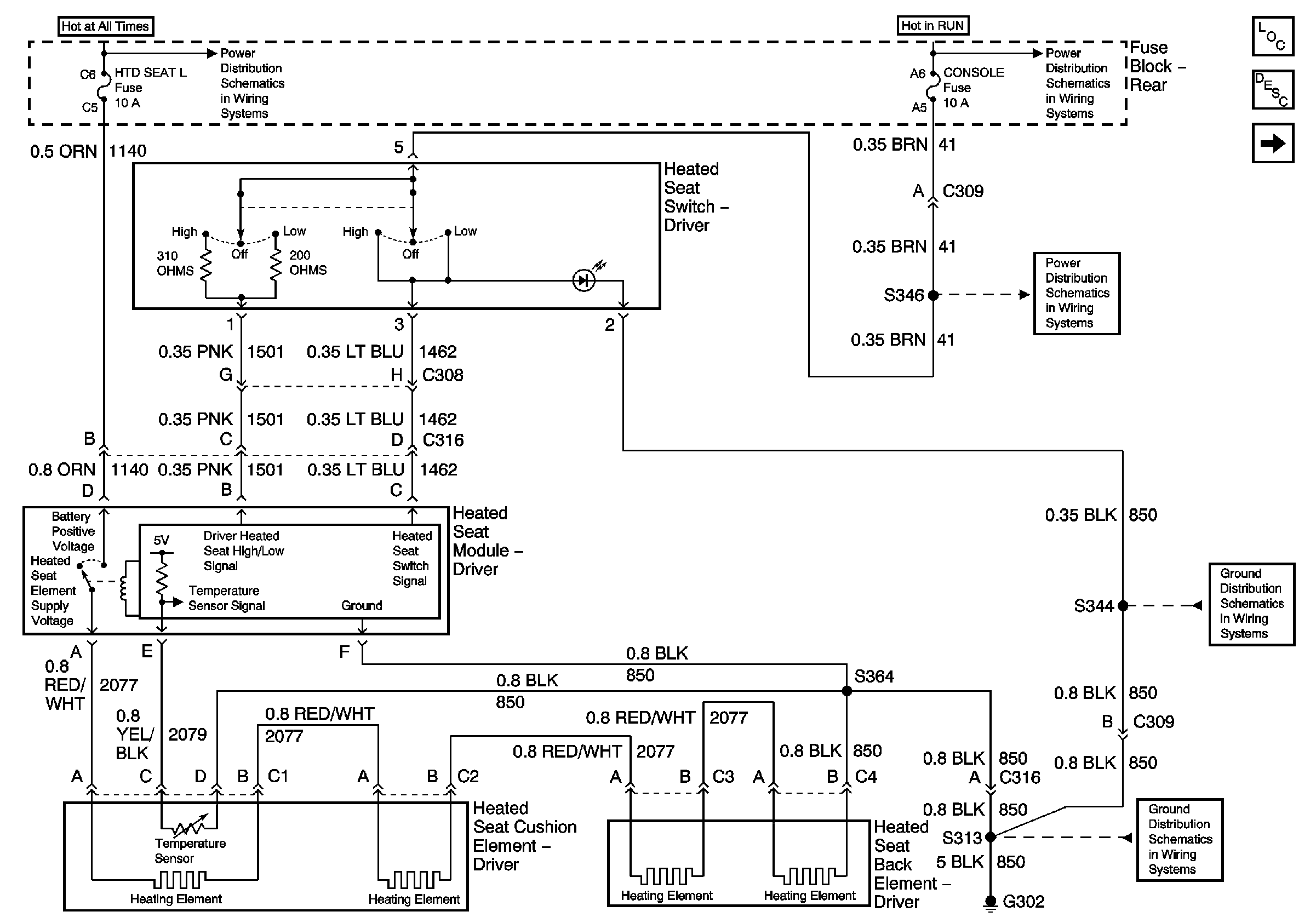
Figure
1:
Driver Heated Seat
Master Electrical Component List
Right Heated Seat
G302 (2 of 2)
G302 (1 of 2)
BODY 2 Fuse
CONSOLE Fuses
BATT 3 and Ignition Switch (1 of 2)
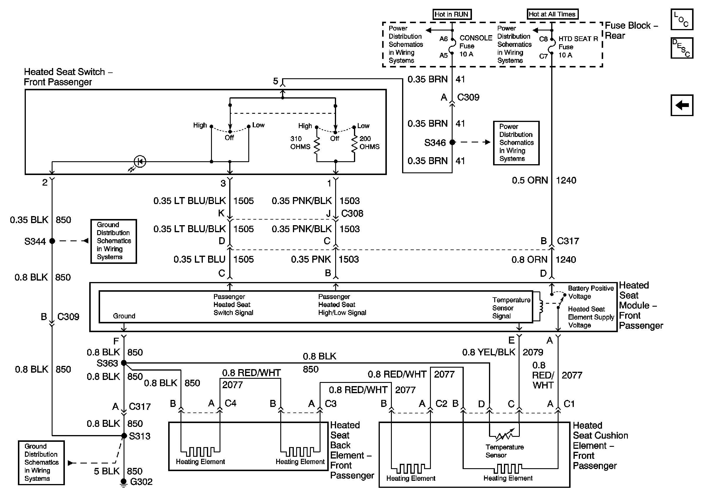
Figure
2:
Passenger Heated Seat
Master Electrical Component List
Left Heated Seat
BATT 3 and Ignition Switch (1 of 2)
CONSOLE Fuses
BODY 2 Fuse
G302 (1 of 2)
G302 (2 of 2)