GM Service Manual Online
For 1990-2009 cars only
Makes
🢒
Cadillac
🢒
2001
🢒
Eldorado
🢒
Body and Accessories
🢒
Roof
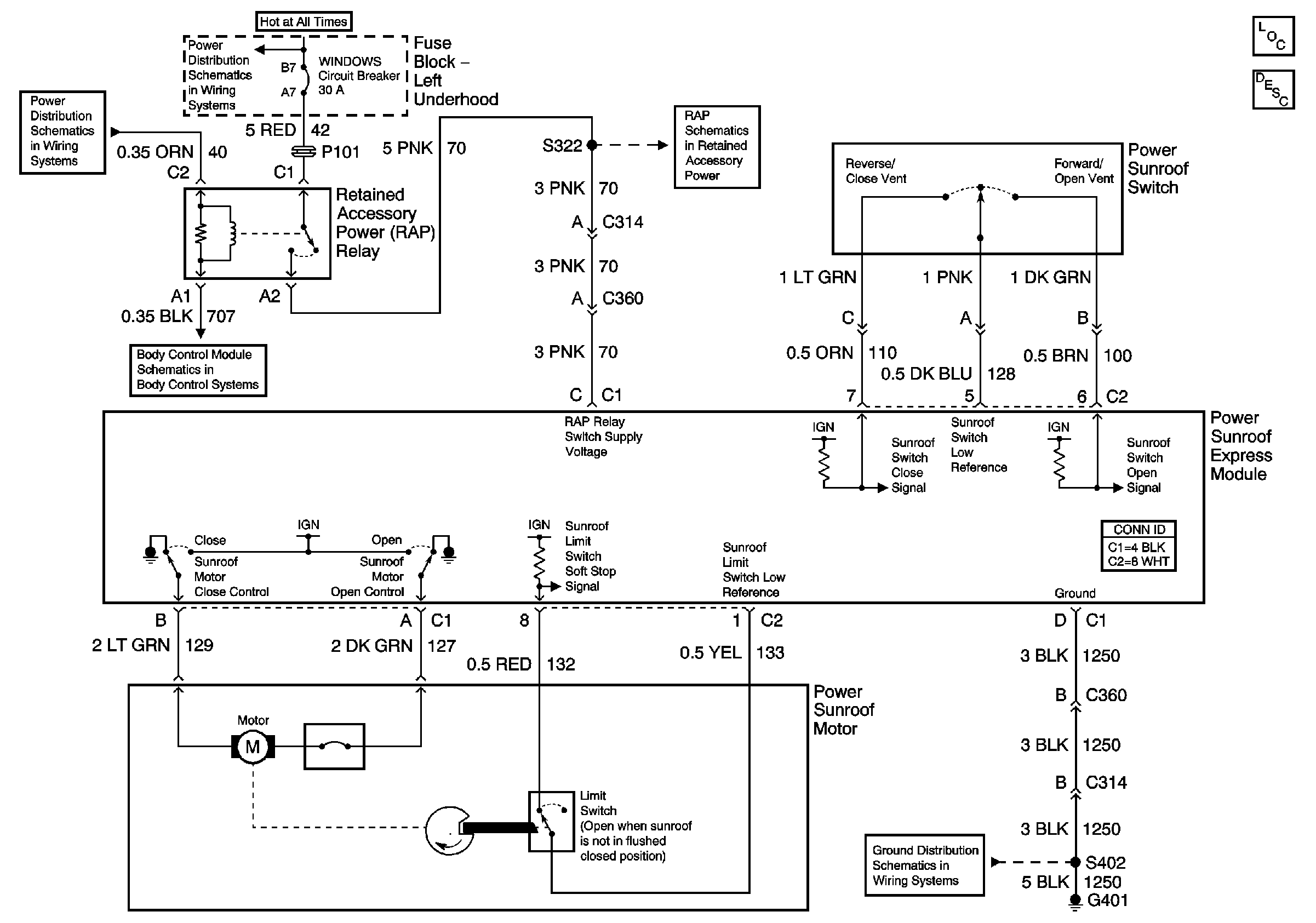
🢒 Sunroof Schematics
Master Electrical Component List
G401 (1 of 2)
Body Control Module Inputs and Outputs (2 of 4)
RADIO/PHONE Fuse
Battery Feeds
Relay Circuits