GM Service Manual Online
For 1990-2009 cars only
Makes
🢒
Cadillac
🢒
2001
🢒
Eldorado
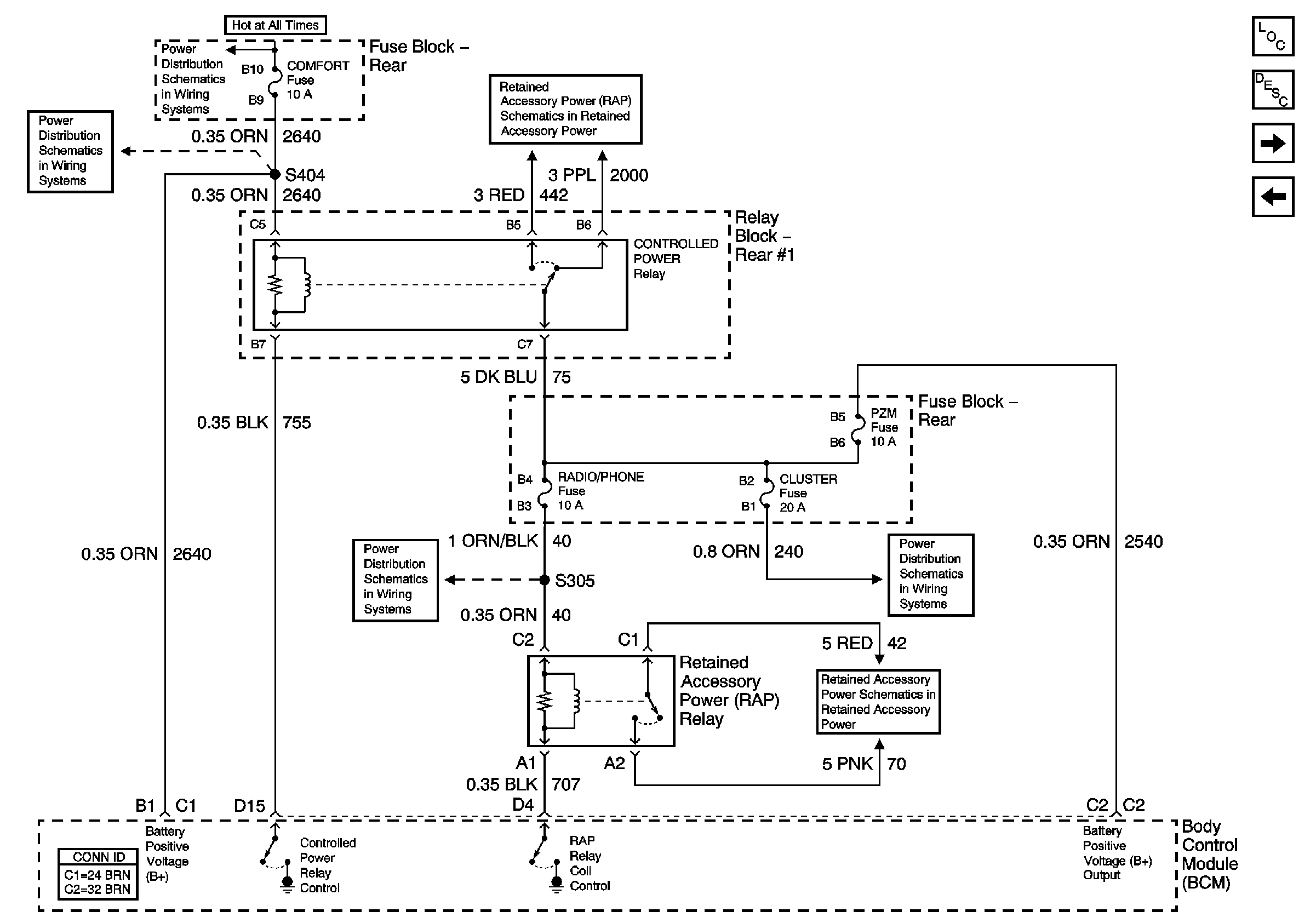
🢒 Body Control Module Inputs and Outputs (2 of 4)
Body Control Module Inputs and Outputs (2 of 4)
Body Control Module Inputs and Outputs (2 of 4)
Master Electrical Component List
Body Control Module Inputs and Outputs (2 of 3)
Body Control Module Inputs and Outputs (1 of 3)
WIPERS, ACC, and CLUSTER Fuses
Relay Circuits
RADIO/PHONE Fuse
COMFORT Fuses
BODY 3 and INADVERT Fuses
Power and Ground Circuits