GM Service Manual Online
For 1990-2009 cars only
Figure 1:

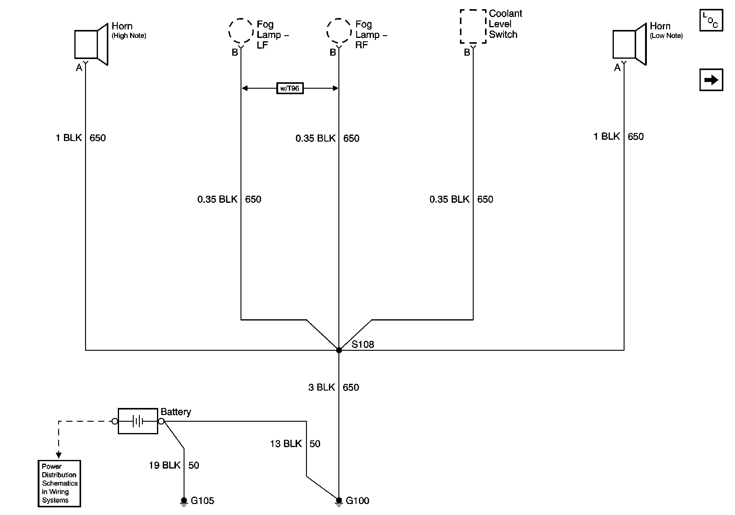
G100 and G105


Object Number: 738108  Size: FS
Master Electrical Component List
G101
Figure 2:

G101


Object Number: 738134  Size: FS
Master Electrical Component List
G102
G100 and G105
Figure 3:

G102


Object Number: 679874  Size: FS
Master Electrical Component List
G103, G107, G109, and G110
G101
Figure 4:

G103, G107, G109, and G110


Object Number: 679872  Size: FS
Master Electrical Component List
G201
G102
Figure 5:

G201


Object Number: 679935  Size: FS
Master Electrical Component List
G203
G103, G107, G109, and G110
Figure 6:

G203


Object Number: 679870  Size: FS
Master Electrical Component List
G204
G201
Figure 7:

G204


Object Number: 679866  Size: FS
Master Electrical Component List
G205
G203
Figure 8:

G205


Object Number: 673931  Size: FS
Master Electrical Component List
G302 (1 of 2)
G204
Figure 9:

G302 (1 of 2)


Object Number: 673942  Size: FS
Master Electrical Component List
G302 (2 of 2)
G205
Figure 10:

G302 (2 of 2)


Object Number: 673963  Size: FS
Master Electrical Component List
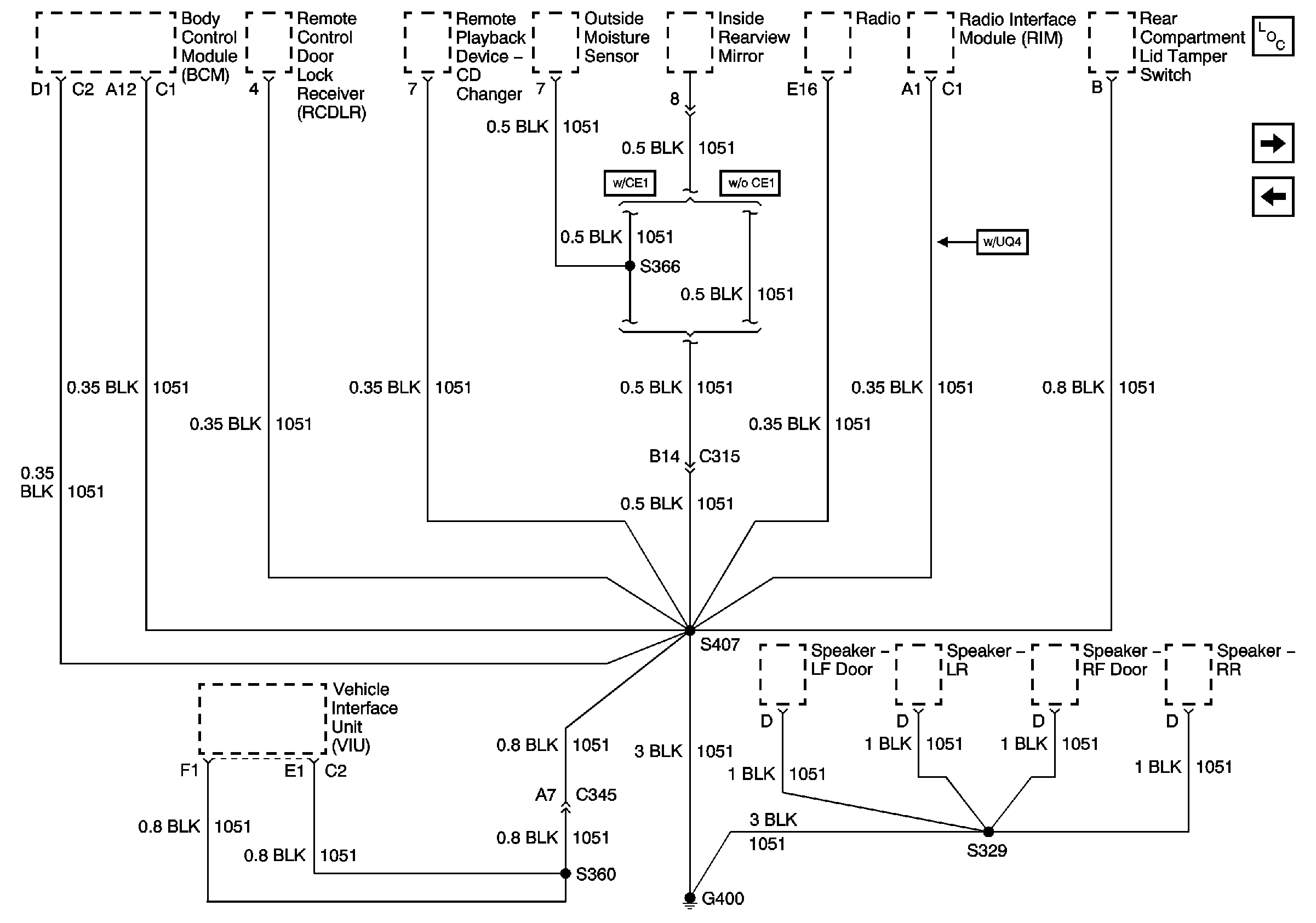
G400
G302 (1 of 2)
Figure 11:

G400


Object Number: 673969  Size: FS
Master Electrical Component List
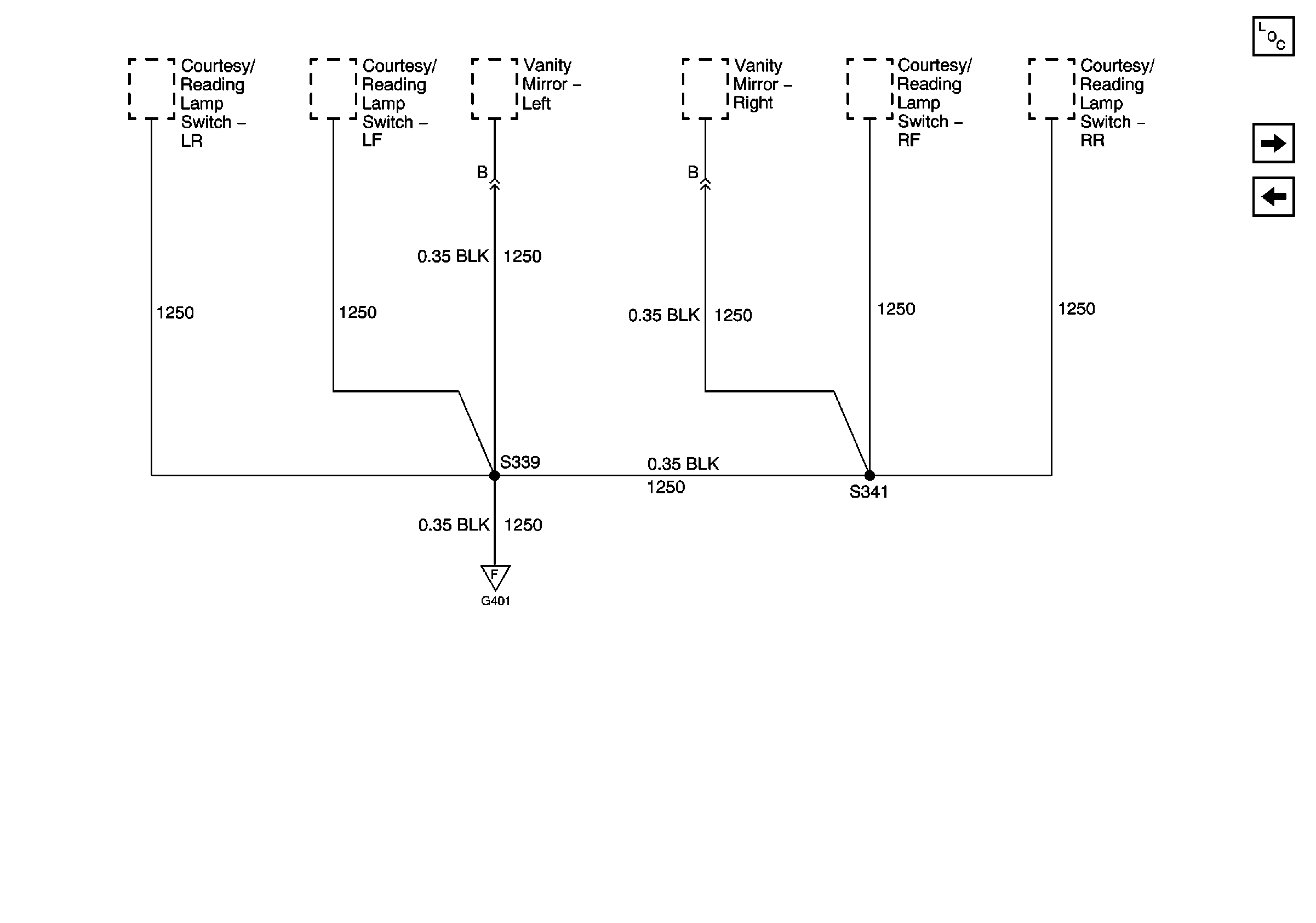
G401 (1 of 2)
G302 (2 of 2)
Figure 12:

G401 (1 of 2)


Object Number: 679850  Size: FS
Master Electrical Component List
G401 (2 of 2)
G400
Figure 13:

G401 (2 of 2)


Object Number: 674044  Size: FS
Master Electrical Component List
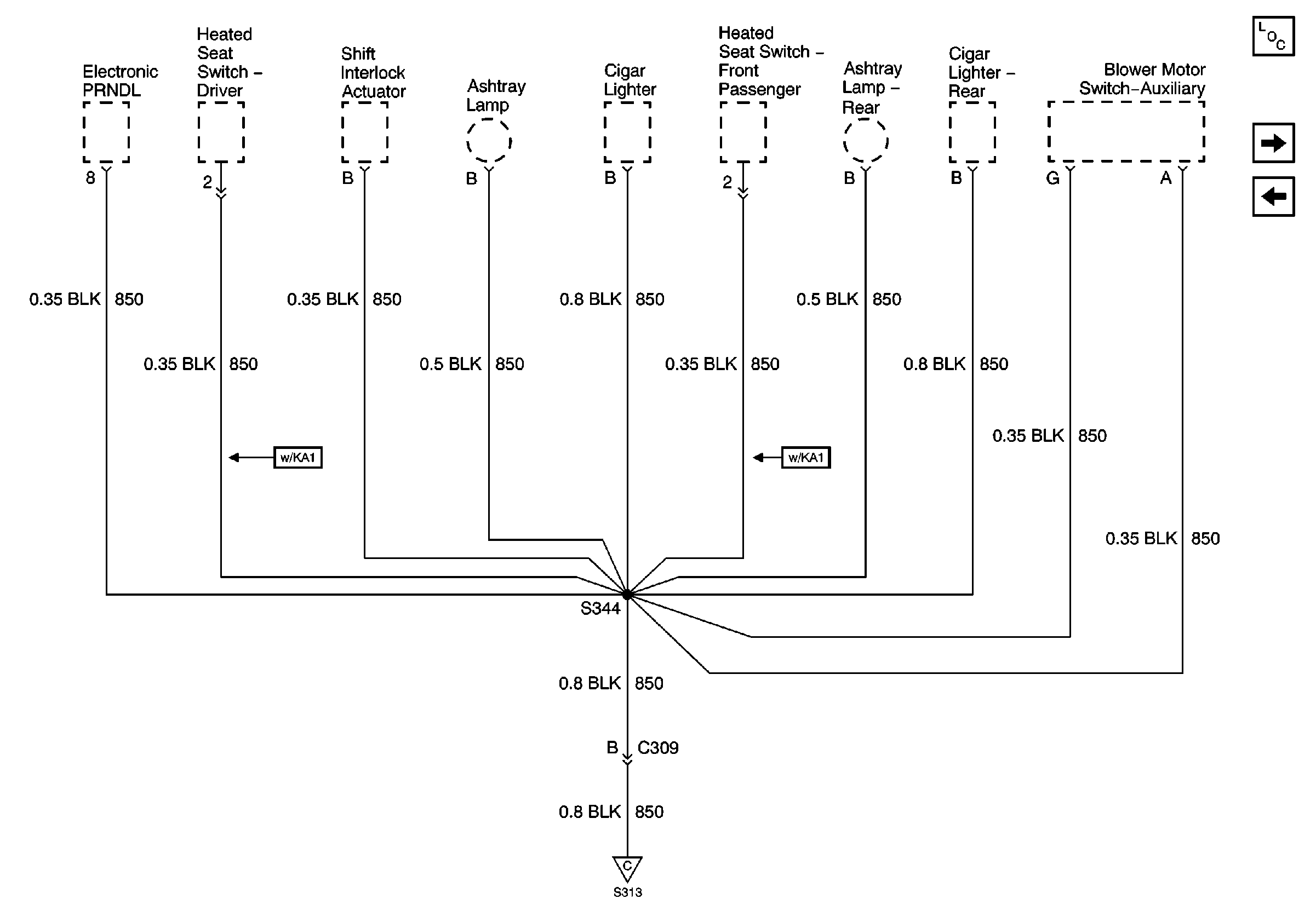
G402
G401 (1 of 2)
Figure 14:

G402


Object Number: 674049  Size: FS
Master Electrical Component List
G306 and G403
G401 (2 of 2)
Figure 15:

G306 and G403


Object Number: 674052  Size: FS
Master Electrical Component List
G402