GM Service Manual Online
For 1990-2009 cars only
Makes
🢒
Cadillac
🢒
2001
🢒
Eldorado
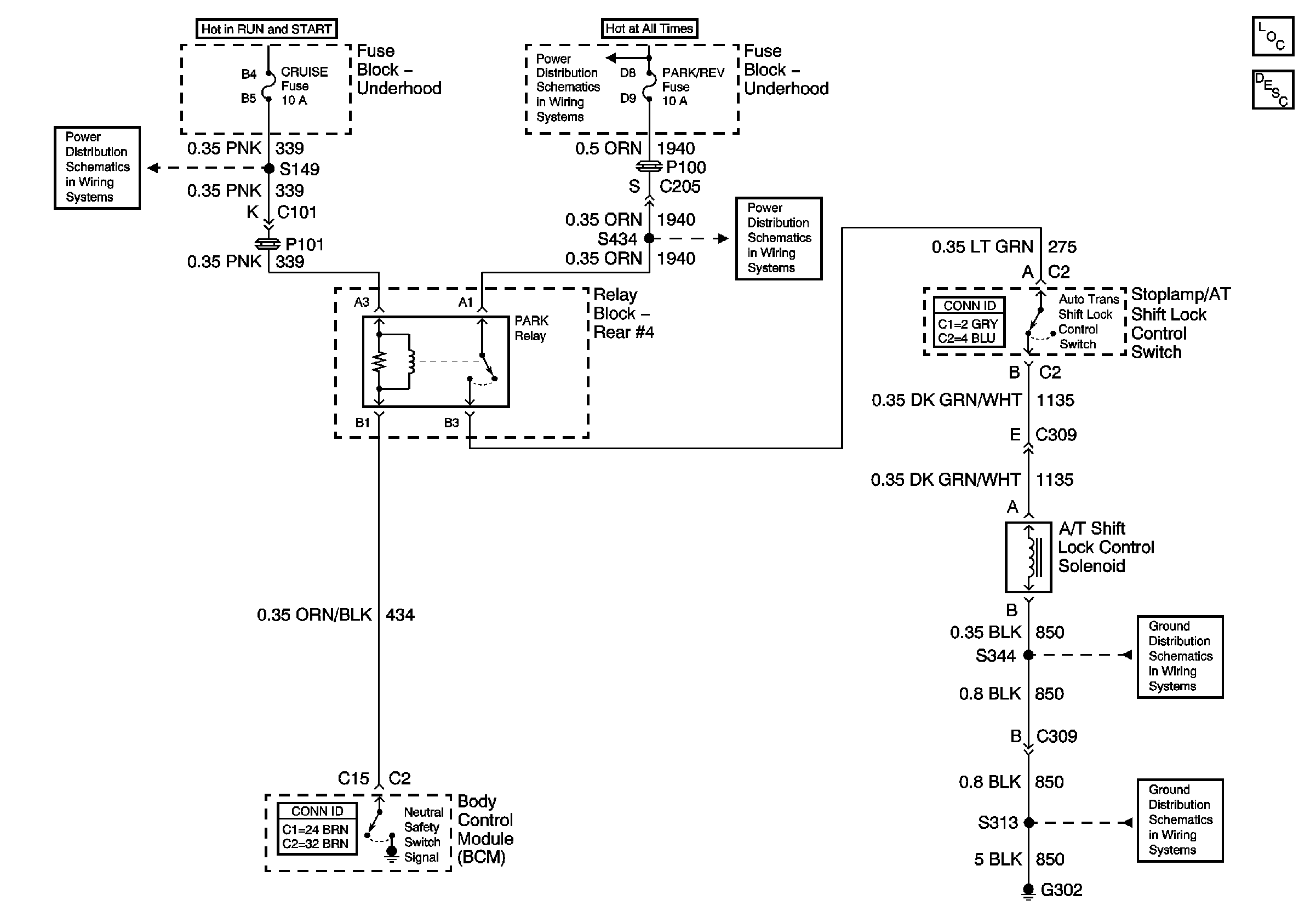
🢒 Shift Interlock Actuator
Shift Interlock Actuator
Master Electrical Component List
G302 (2 of 2)
G302 (1 of 2)
CRUISE, DIS, and PCM (IGN) Fuses
IGN 1, COOL FANS, BATT 1, and BRAKES Fuses
PCM (BAT), A/C COMP, PARK/REV Fuses and A/C COMPRESSOR Relay