GM Service Manual Online
For 1990-2009 cars only
Makes
🢒
Cadillac
🢒
2001
🢒
Eldorado
🢒 Pass-Key® II
Pass-Key® II
Pass-Key® II
Master Electrical Component List
Content Theft Deterrent (CTD)
IGN 1, COOL FANS, BATT 1, and BRAKES Fuses
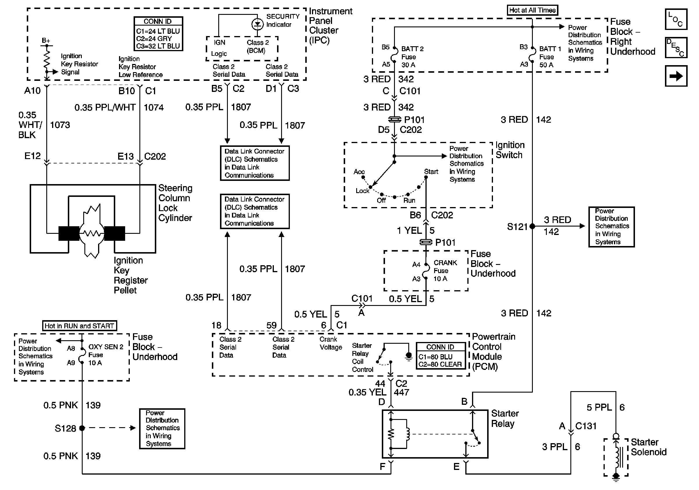
BATT 2 Fuse and Ignition Switch (2 of 2)
Battery Feeds
Starter Solenoid Controls
Power, Ground, and Class 2 (2 of 2)
Power, Ground and Class 2 (1 of 2)