GM Service Manual Online
For 1990-2009 cars only
Makes
🢒
Cadillac
🢒
2001
🢒
Eldorado
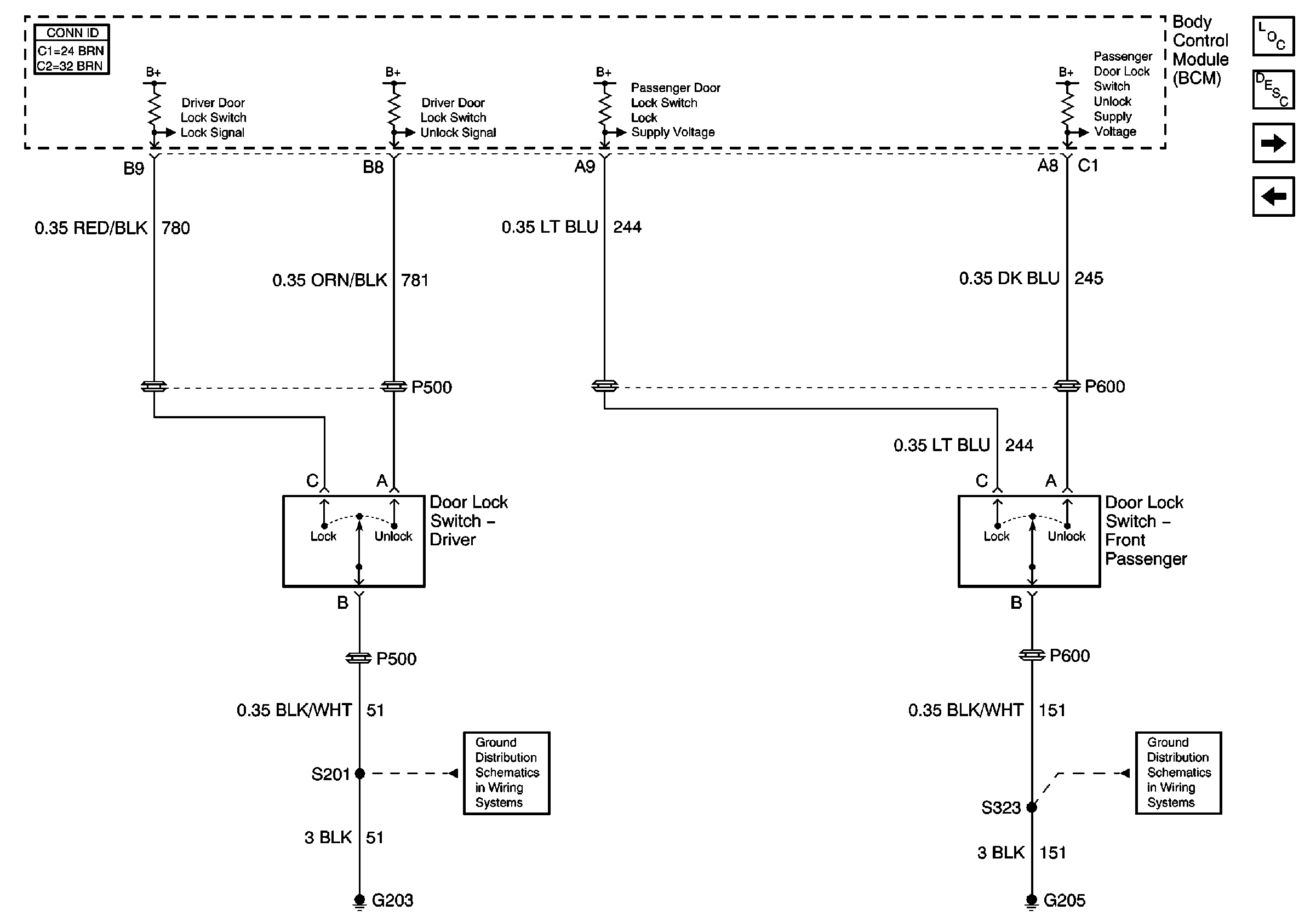
🢒 Power Door Lock Switches
Power Door Lock Switches
Power Door Lock Switches
Master Electrical Component List
Door Lock Cylinder Switches and Actuators
Power Door Locks
G205
G203