GM Service Manual Online
For 1990-2009 cars only
Makes
🢒
Cadillac
🢒
2001
🢒
Eldorado
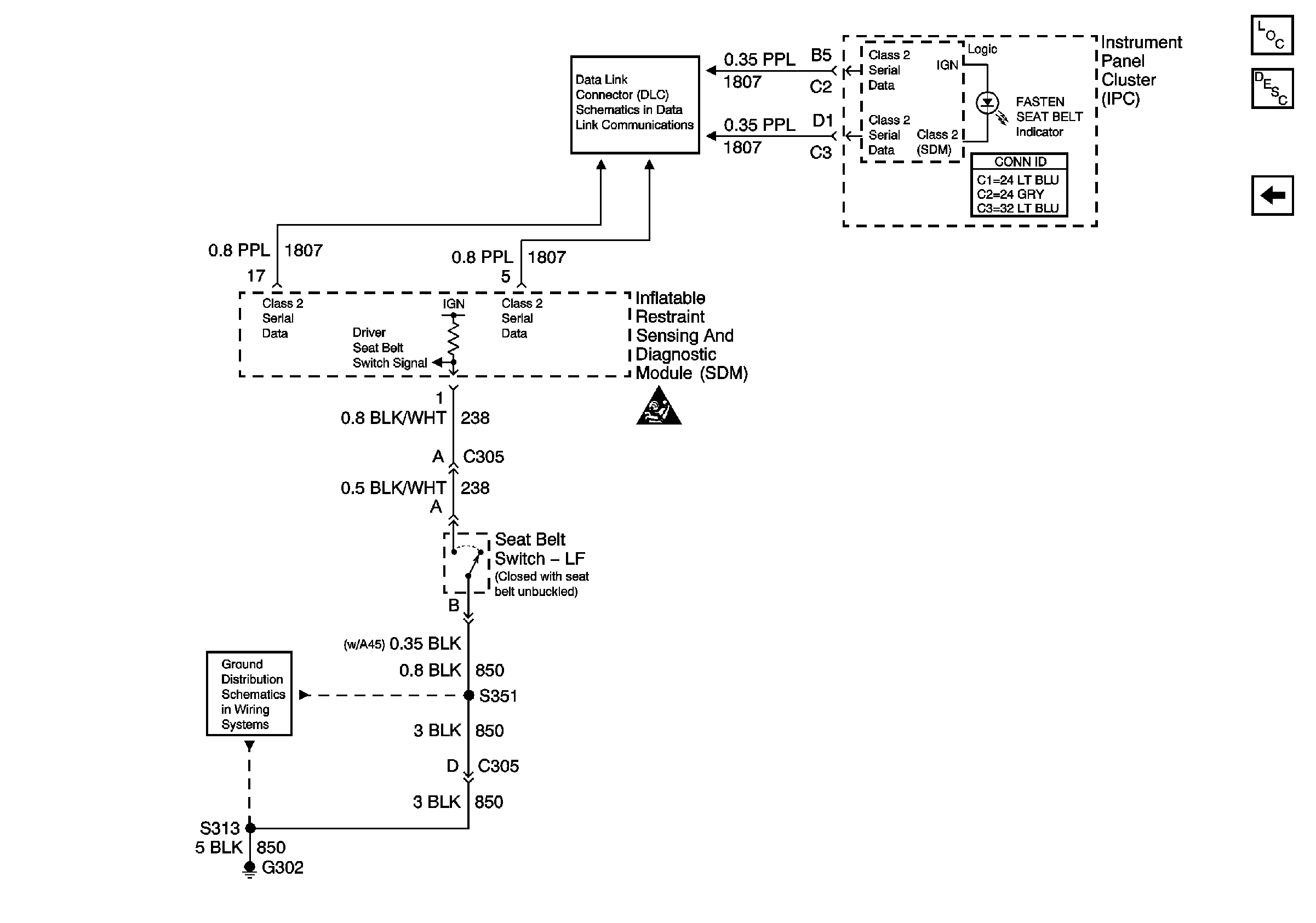
🢒 Seat Belt Switch and Seat Belt Indicator
Seat Belt Switch and Seat Belt Indicator
Seat Belt Switch and Seat Belt Indicator
Master Electrical Component List
Seat Belt Retractor Actuators
G302 (1 of 2)
Power, Ground, and Class 2 (2 of 2)