GM Service Manual Online
For 1990-2009 cars only
Makes
🢒
Cadillac
🢒
2001
🢒
Eldorado
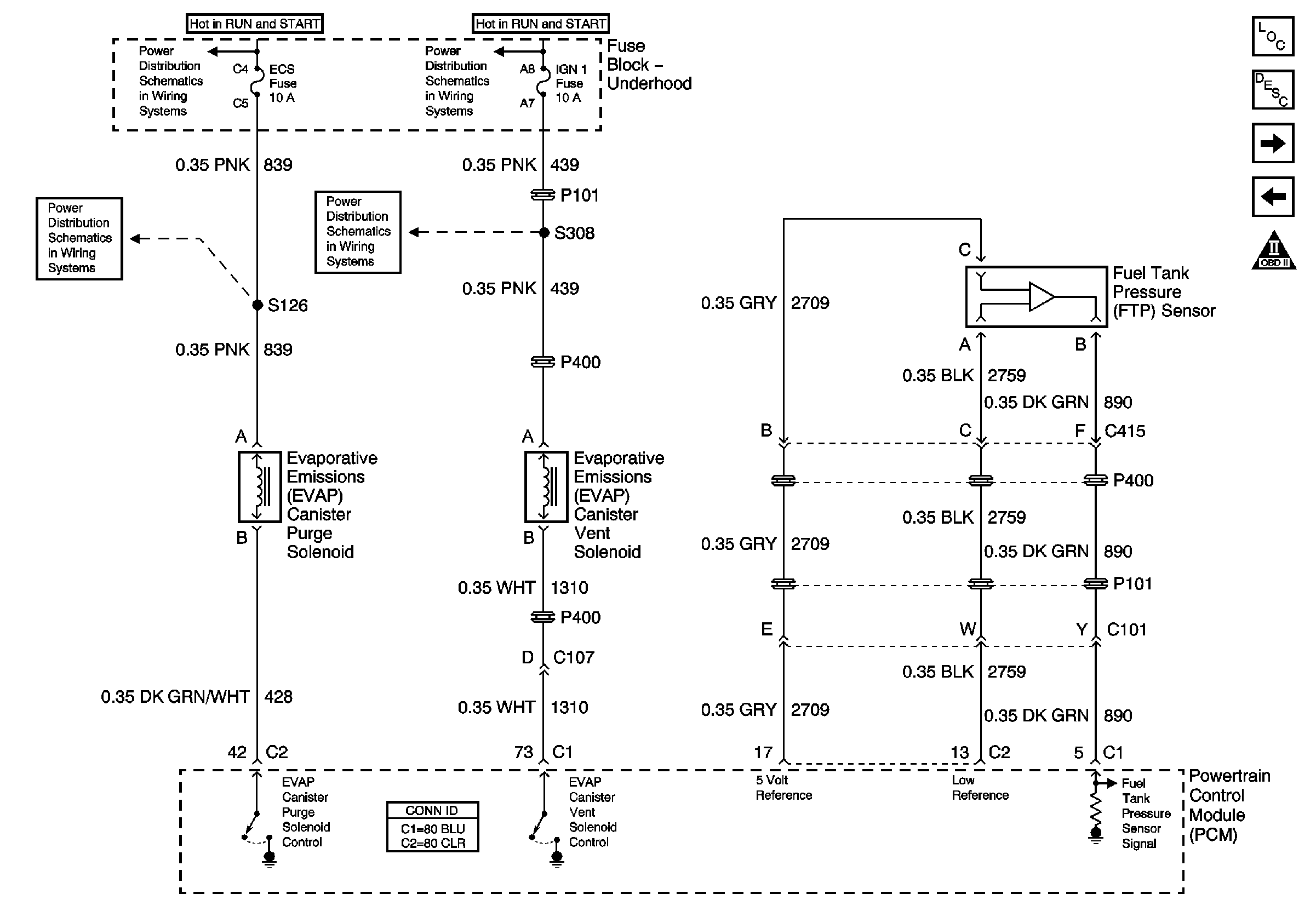
🢒 EVAP Controls and Fuel Tank Pressure Sensor
EVAP Controls and Fuel Tank Pressure Sensor
EVAP Controls and Fuel Tank Pressure Sensor
Master Electrical Component List
Fuel System Description
Device Controls
Fuel Injectors
OBD II Symbol Description Notice
BATT 2 Fuse and Ignition Switch (2 of 2)
BATT 2 Fuse and Ignition Switch (2 of 2)
OXY SEN 1, OXY SEN 2, FUEL PUMP, ECS Fuses and FUEL PUMP Relay
ABS and IGN 1 Fuses