GM Service Manual Online
For 1990-2009 cars only
Makes
🢒
Cadillac
🢒
2001
🢒
Eldorado
🢒 Device Controls
Device Controls
Device Controls
Master Electrical Component List
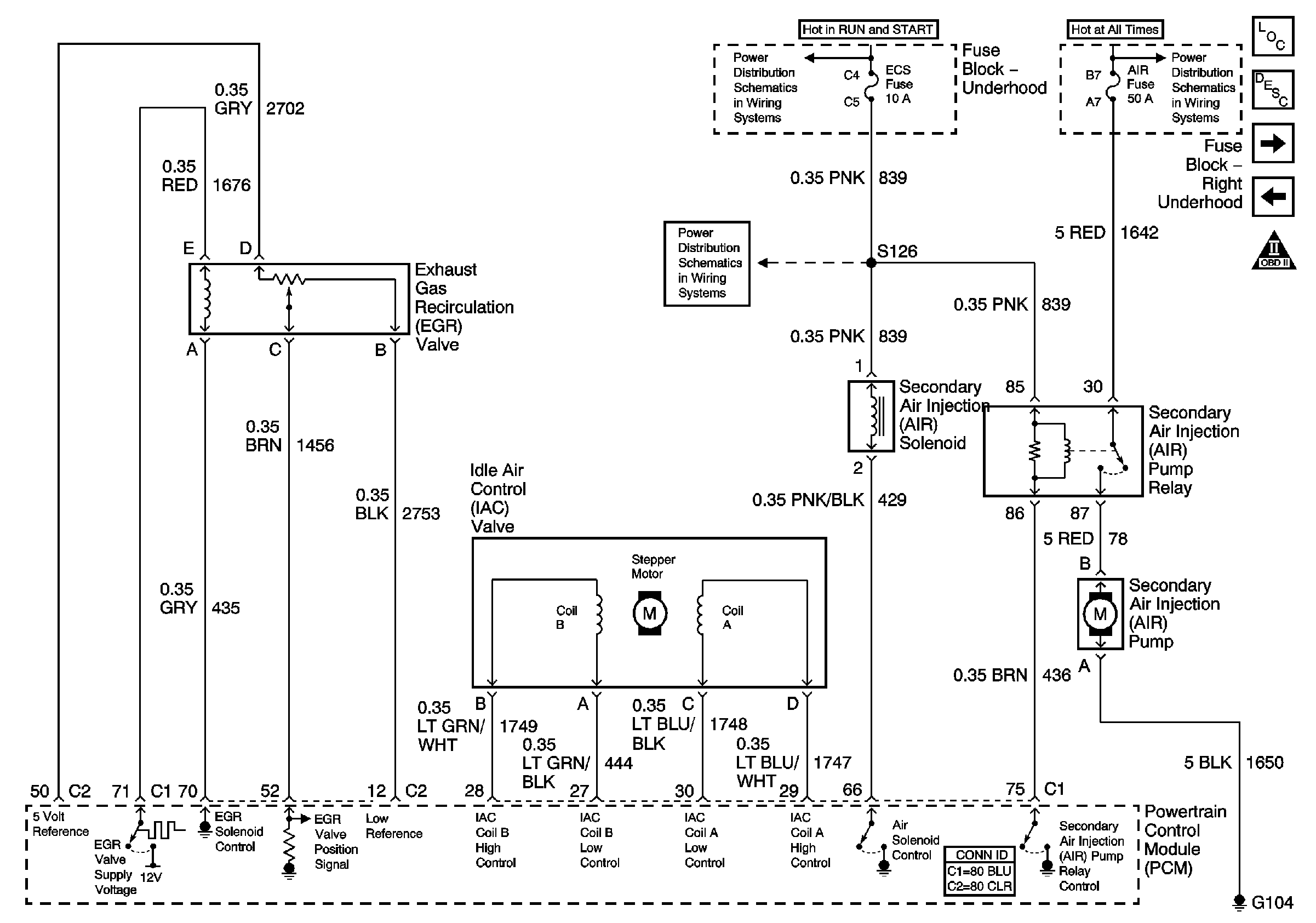
Exhaust Gas Recirculation (EGR) System Description
Controlled/Monitored Subsystem References
EVAP Controls and Fuel Tank Pressure Sensor
OBD II Symbol Description Notice
BATT 2 Fuse and Ignition Switch (2 of 2)
Battery Feeds
OXY SEN 1, OXY SEN 2, FUEL PUMP, ECS Fuses and FUEL PUMP Relay