GM Service Manual Online
For 1990-2009 cars only
Figure 1:

Power, Ground, Serial Data, and Front Blower Controls


Object Number: 1242145  Size: FS
Master Electrical Component List
Air Delivery Description and Operation
Sunload and Ambient Light Sensors
BRAKE, HTR/AC, HVAC I, CRUISE, 4WD Fuses
B+ Bus - 1 of 2
Recirculation and Mode Door Controls
G203 - 1 of 3
G203 - 1 of 3
SP205 - 1 of 2
G200 - 1 of 3
Figure 2:

Sunload and Ambient Light Sensors


Object Number: 1242147  Size: FS
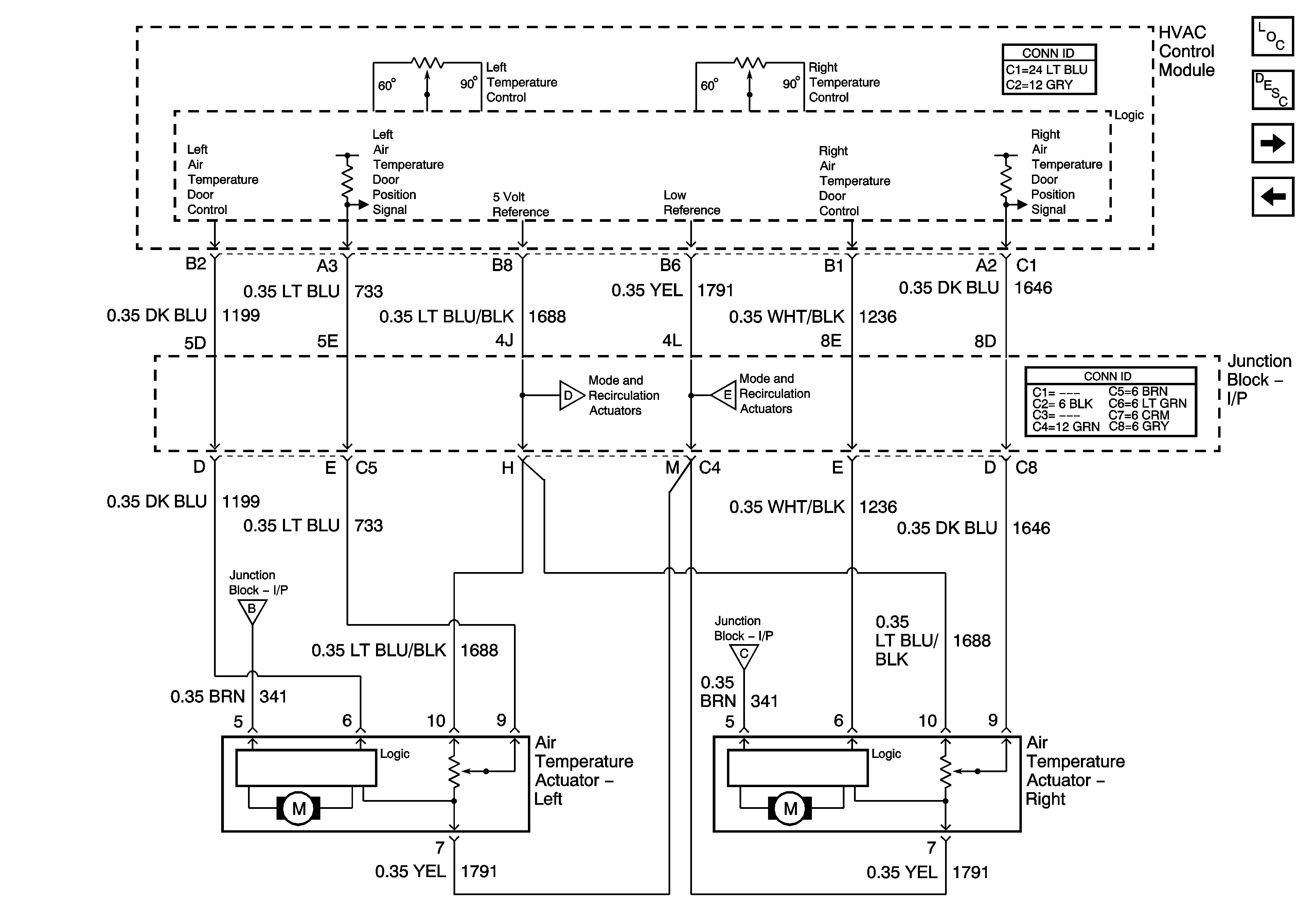
Figure 3:

Front Left and Right Temperature Control


Object Number: 1242149  Size: FS
Master Electrical Component List
Air Temperature Description and Operation
Recirculation and Mode Door Controls
Sunload and Ambient Light Sensors
Recirculation and Mode Door Controls
Recirculation and Mode Door Controls
Recirculation and Mode Door Controls
Recirculation and Mode Door Controls
Figure 4:

Recirculation and Mode Door Controls


Object Number: 1242150  Size: FS
Master Electrical Component List
Air Delivery Description and Operation
Front Air Temperature Sensors
Front Left and Right Temperature Control
Power, Ground, Serial Data, and Front Blower Controls
Front Left and Right Temperature Control
Front Left and Right Temperature Control
Front Left and Right Temperature Control
Figure 5:

Front Air Temperature Sensors


Object Number: 1242151  Size: FS
Master Electrical Component List
Air Temperature Description and Operation
Auxiliary HVAC Controls - 1 of 3
Recirculation and Mode Door Controls
G200 - 3 of 3
G200 - 3 of 3
G200 - 1 of 3
G200 - 1 of 3
G200 - 1 of 3
Figure 6:

Auxiliary HVAC Controls - 1 of 3


Object Number: 1242152  Size: FS
Master Electrical Component List
Air Delivery Description and Operation
Auxiliary HVAC Controls - 2 of 3
Front Air Temperature Sensors
LBEC 1, LBEC 2, MBEC 1 Fuses
SP206
I/P Dimming Supply Voltage - 6 of 7
G410 - 1 of 3
G200 - 1 of 3
G200 - 1 of 3
G200 - 3 of 3
G200 - 3 of 3
G200 - 1 of 3
Figure 7:

Auxiliary HVAC Controls - 2 of 3


Object Number: 1242153  Size: FS
Master Electrical Component List
Air Delivery Description and Operation
Auxiliary HVAC Controls - 3 of 3
Auxiliary HVAC Controls - 1 of 3
IGN 3 Fuse - 1 of 2
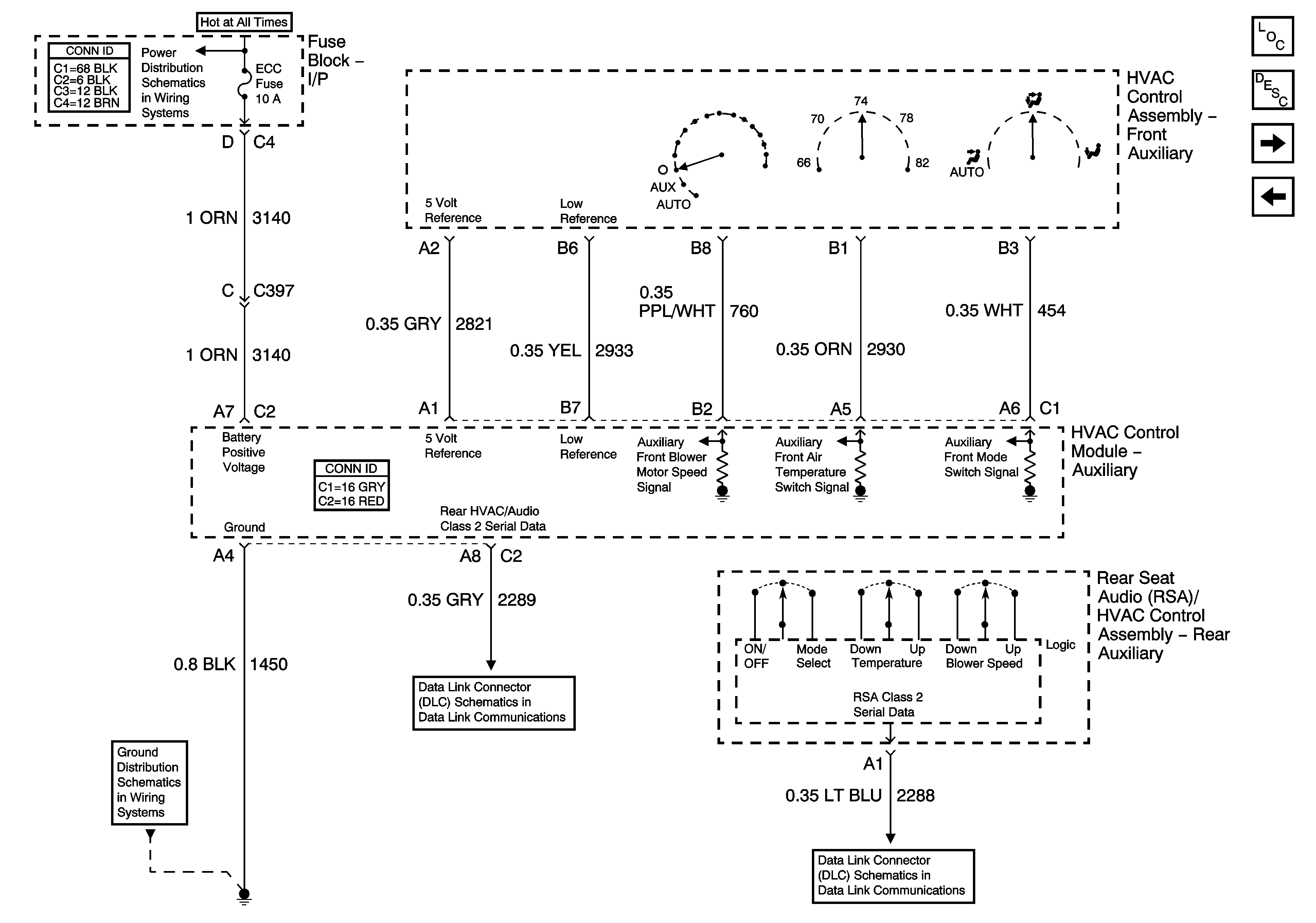
Figure 8:

Auxiliary HVAC Controls - 3 of 3


Object Number: 1242154  Size: FS
Master Electrical Component List
Air Delivery Description and Operation
Auxiliary Temperature Sensors
Auxiliary HVAC Controls - 2 of 3
B+ Bus - 1 of 2
G410 - 1 of 3
SP205 - 1 of 2
SP207
Figure 9:

Auxiliary Temperature Sensors


Object Number: 1242156  Size: FS
Master Electrical Component List
Air Temperature Description and Operation
A/C Compressor Controls
Auxiliary HVAC Controls - 3 of 3
G200 - 3 of 3
G200 - 3 of 3
G200 - 1 of 3
G200 - 1 of 3
G200 - 1 of 3
Figure 10:

A/C Compressor Controls


Object Number: 1242157  Size: FS
Master Electrical Component List
Air Temperature Description and Operation
Auxiliary Temperature Sensors
B+ Bus - 2 of 2
IGN E Fuse
G104, G107
SP205 - 1 of 2
SP205 - 2 of 2